GM Service Manual Online
For 1990-2009 cars only
Makes
🢒
Generic
🢒
2003
🢒
Unit Repair
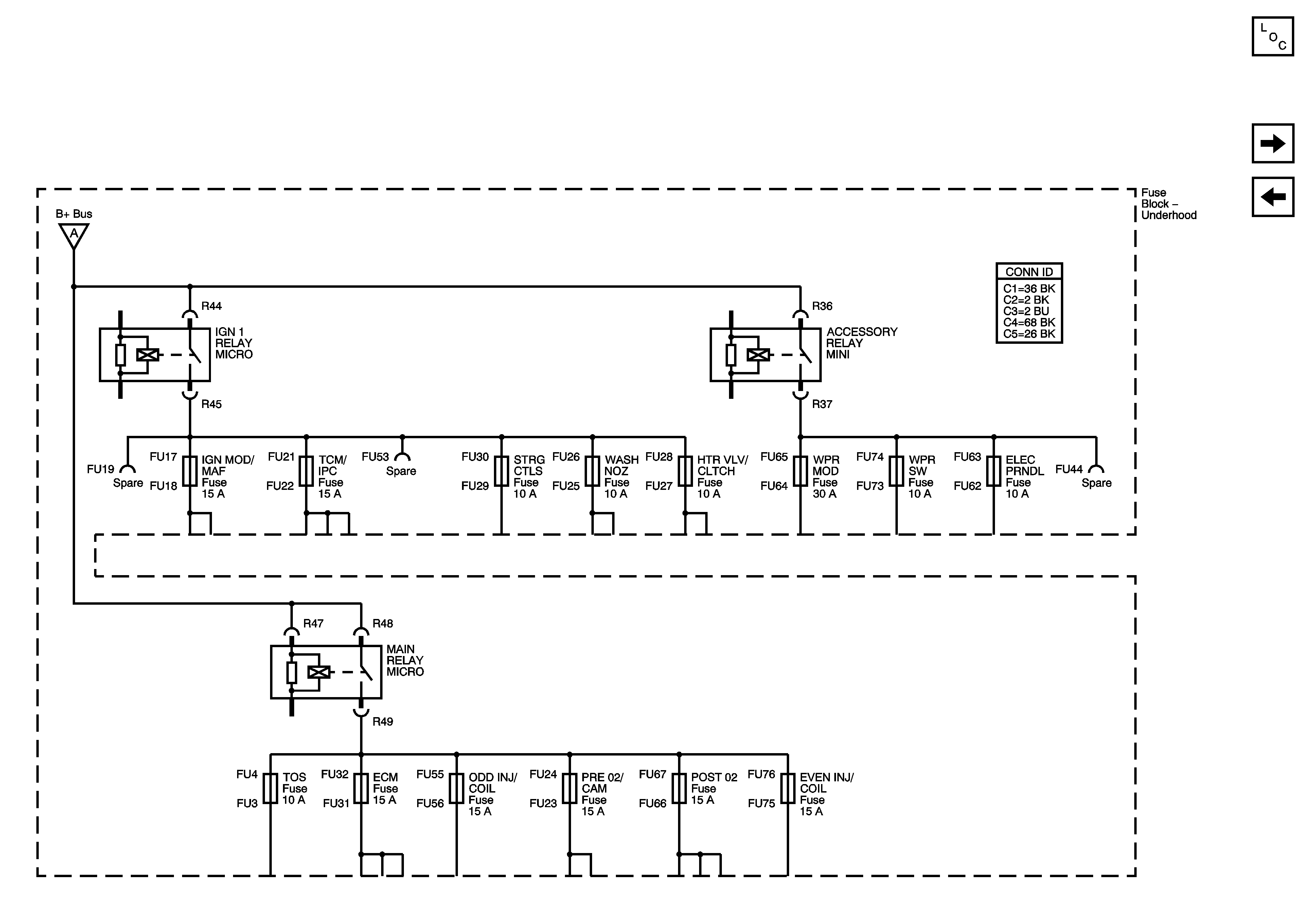
🢒 Underhood Fuse Block B+ Bus - 2 of 2
Underhood Fuse Block B+ Bus - 2 of 2
Underhood Fuse Block B+ Bus (2 of 2)
Master Electrical Component List
Left Rear Fuse Block B+ Bus
Underhood Fuse Block B+ Bus - 1 of 2
Underhood Fuse Block B+ Bus - 1 of 2