GM Service Manual Online
For 1990-2009 cars only
Makes
🢒
Generic
🢒
2003
🢒
Unit Repair
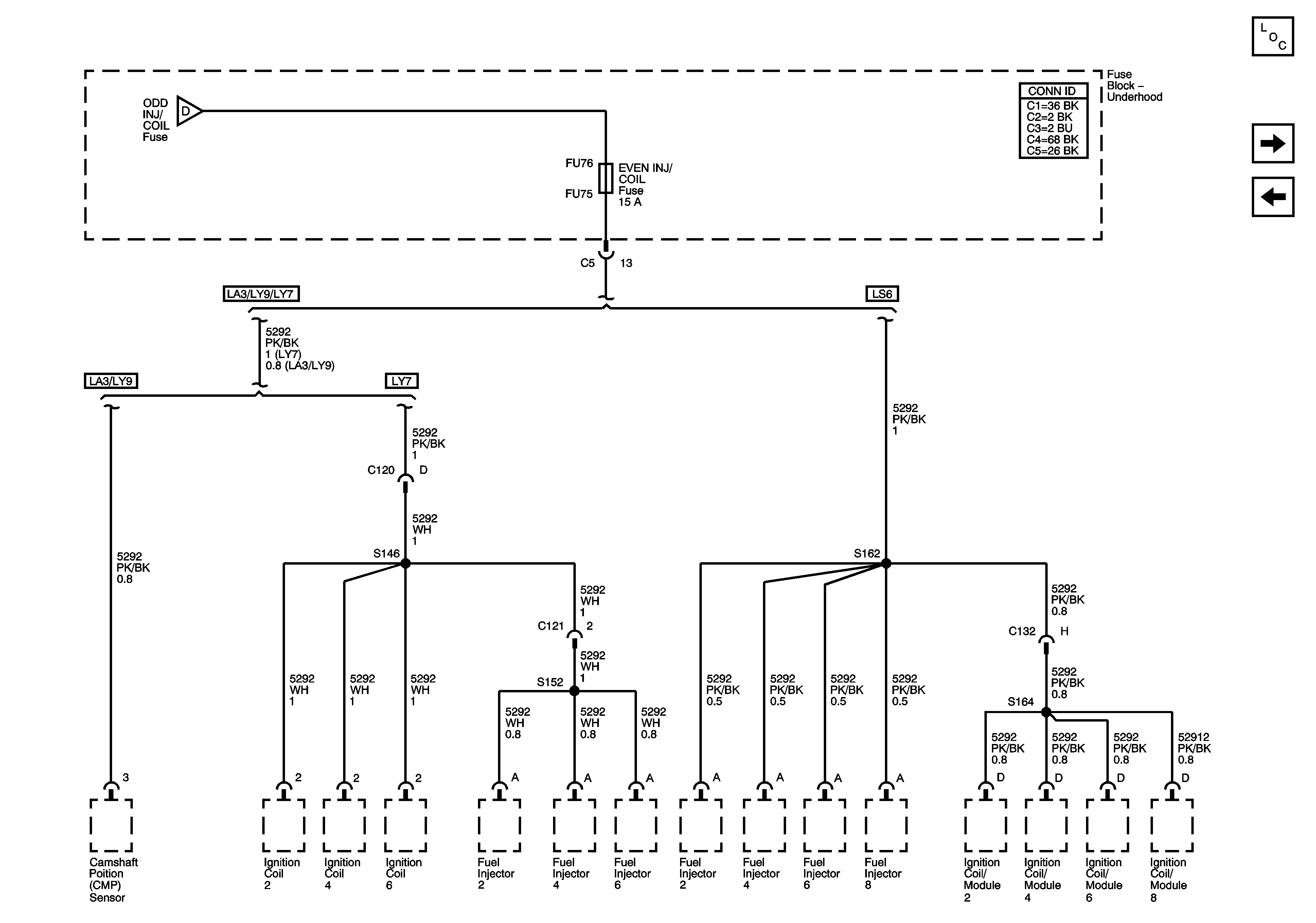
🢒 Underhood Fuse BLock EVEN INJ/COIL Fuse
Underhood Fuse BLock EVEN INJ/COIL Fuse
Underhood Fuse Block EVEN INJ/COIL Fuse
Master Electrical Component List
Underhood Fuse Block DIM/ALDL, VOLT CHECK, FLASHER, CCP, ECM/TCM and ABS Fuses
Underhood Fuse Block ODD INJ/COIL Fuse
Underhood Fuse Block ODD INJ/COIL Fuse