GM Service Manual Online
For 1990-2009 cars only
Makes
🢒
Generic
🢒
2003
🢒
Unit Repair
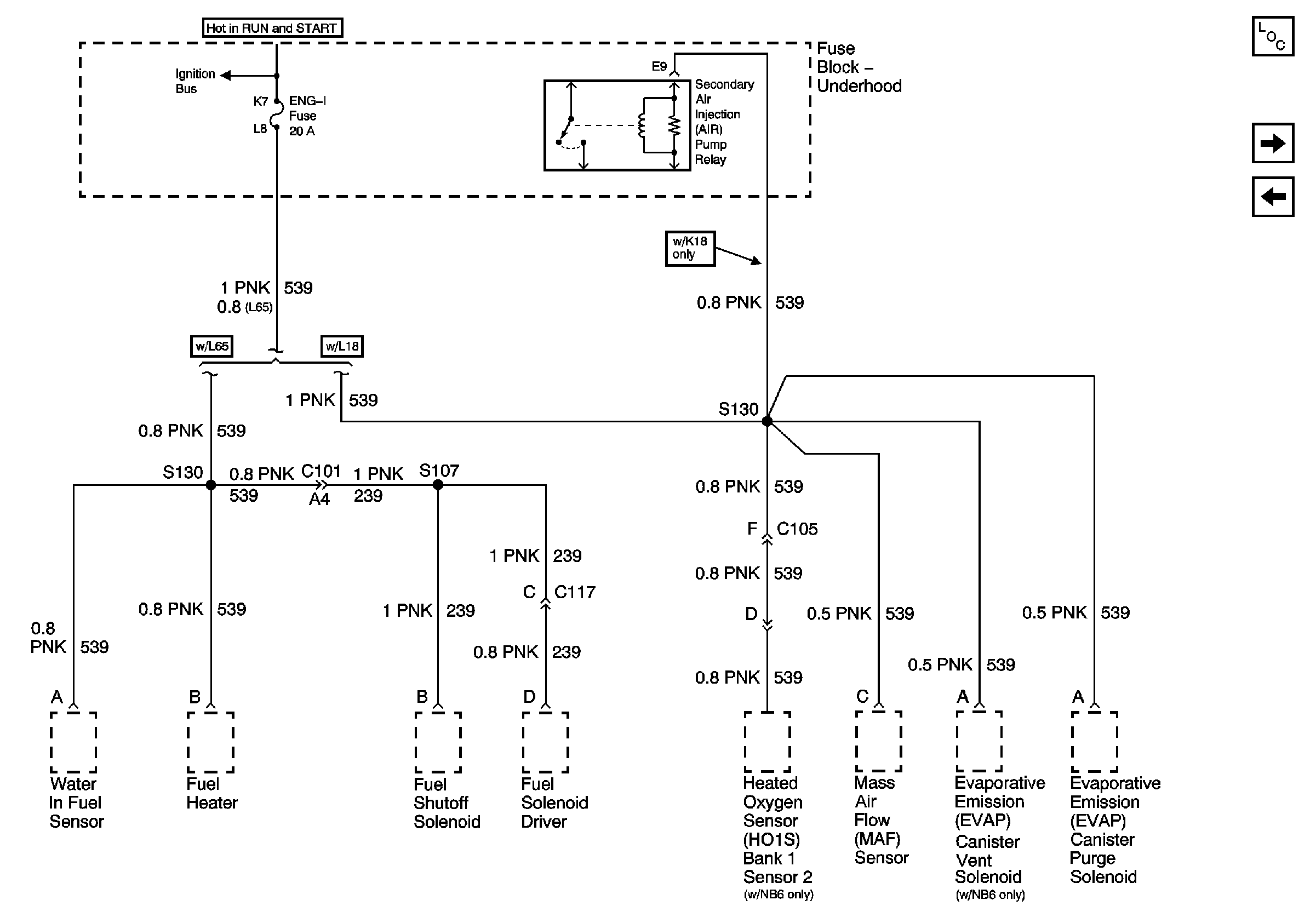
🢒 Engine 1 Fuse (6.5L and 8.1L)
Engine 1 Fuse (6.5L and 8.1L)
Engine 1 Fuse (6.5L and 8.1L)
Master Electrical Component List
ECM 1 and Ignition E Fuses (4.3L)
Engine 1 Fuse (4.3L, 5.0L, and 5.7L)
Ignition A, Ignition B Fuses, and Ignition Switch