GM Service Manual Online
For 1990-2009 cars only
Makes
🢒
Generic
🢒
2003
🢒
Unit Repair
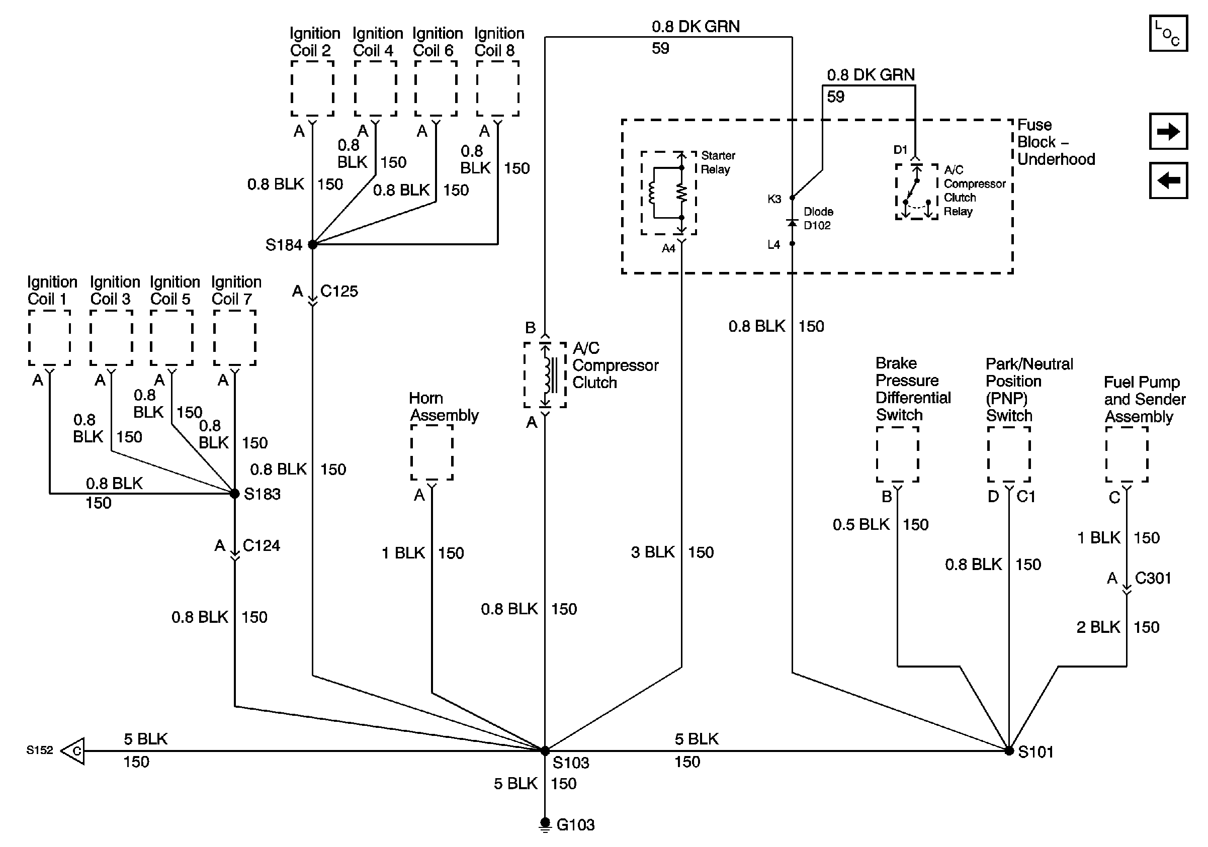
🢒 G103 (8.1L Engine)
G103 (8.1L Engine)
G103 (8.1L Engine)
Master Electrical Component List
G103 (6.5L Diesel Engine)
G103 (4.3L, 5.0L, and 5.7L Engines)
Components through S152 to G103 (Gasoline Engines)