GM Service Manual Online
For 1990-2009 cars only
Makes
🢒
Generic
🢒
2003
🢒
Unit Repair
🢒 Switches And VSS
Switches And VSS
Switches and VSS
Master Electrical Component List
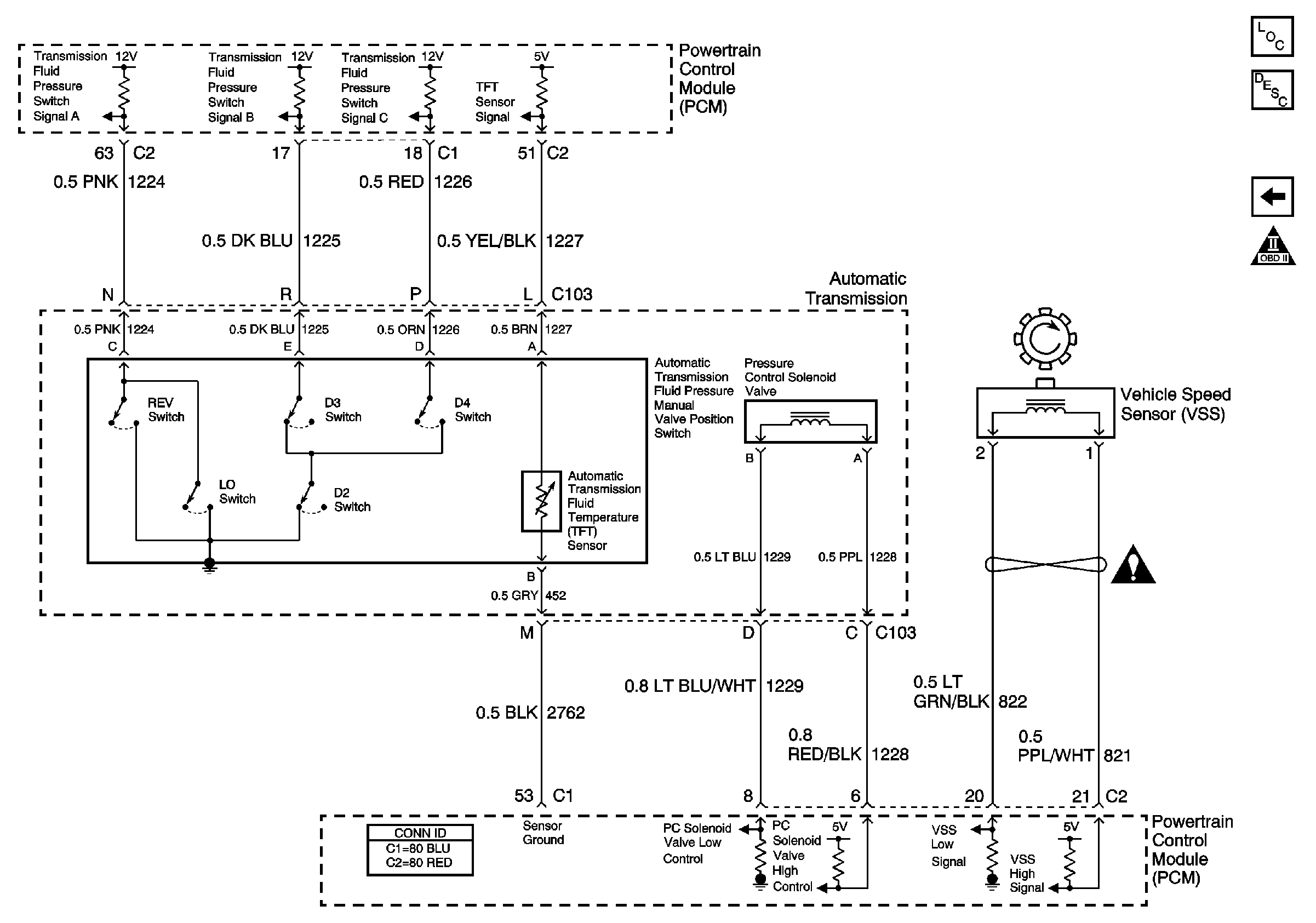
Automatic Transmission Electrical Connector Description
Park/Neutral Position Switch
OBD II Symbol Description Notice
Automatic Transmission Schematic Icons