GM Service Manual Online
For 1990-2009 cars only
Makes
🢒
Generic
🢒
2003
🢒
Unit Repair
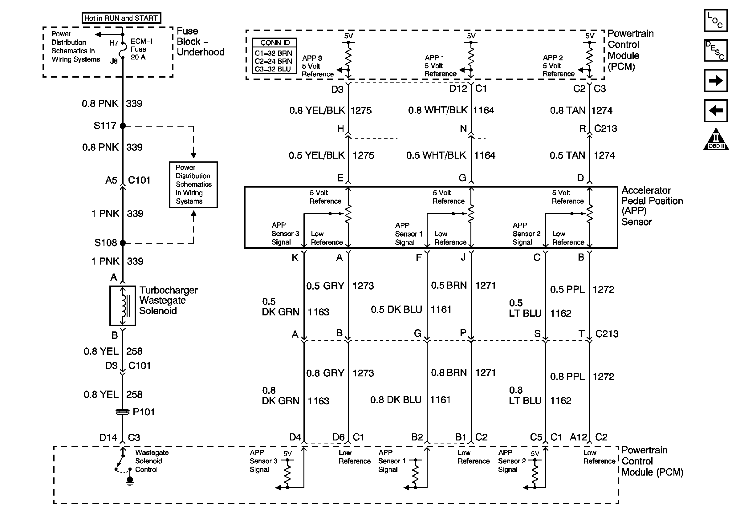
🢒 Wastegate Controls and APP Module
Wastegate Controls and APP Module
Wastegate Controls and APP Module
Master Electrical Component List
Powertrain Control Module Description
VSS Controls
Sensor Controls: CKP, Boost Pressure Sensor, IAT, ECT
OBD II Symbol Description Notice
Ignition A, Ignition B Fuses, and Ignition Switch
ECM 1 and Ignition E Fuses (6.5L)