Makes 🢒
Generic 🢒
2003 🢒
Unit Repair 🢒
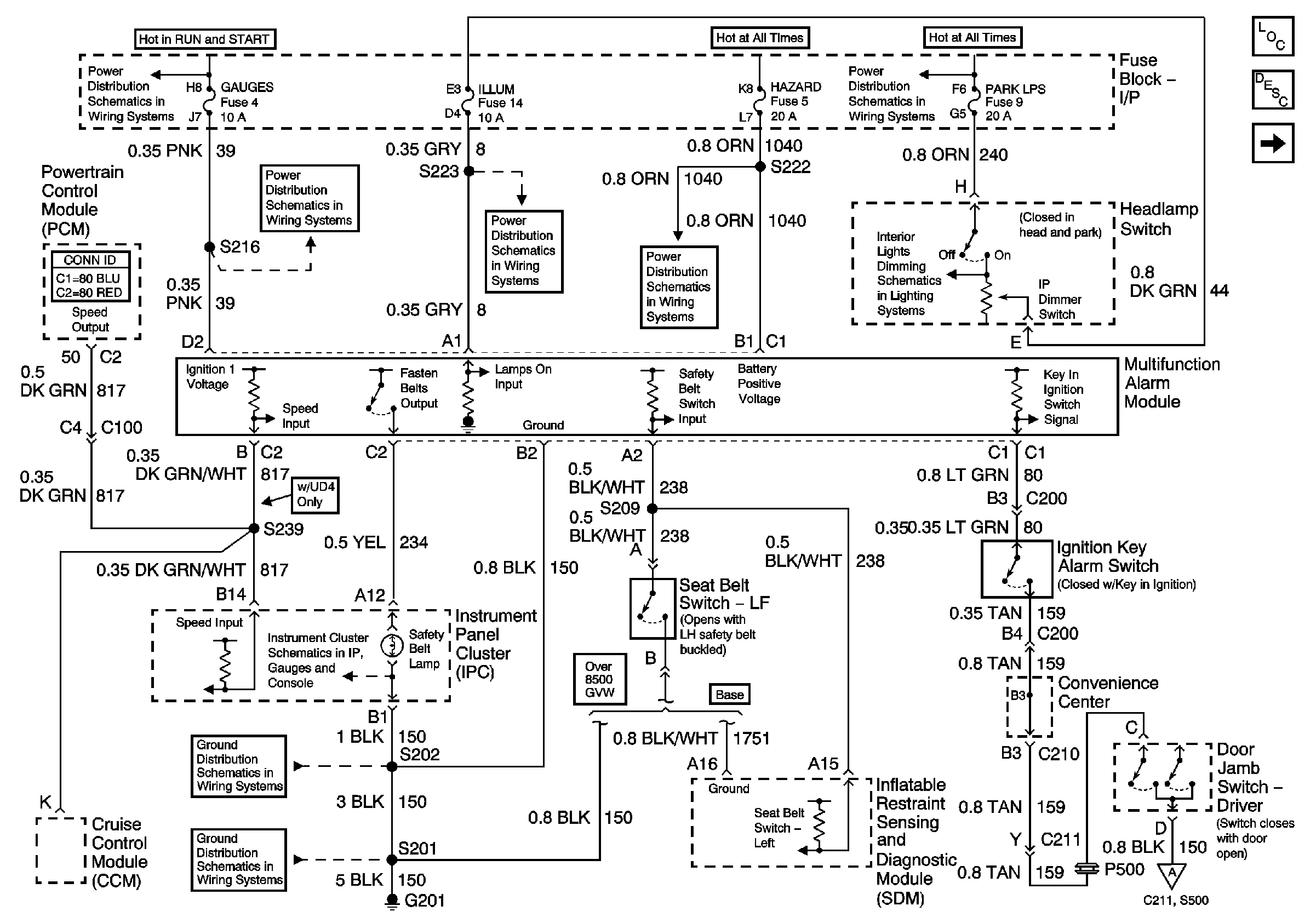
GAUGES, ILLUM, HAZARD, PARK LPS Fuses; Multi-Function Alarm Module; Left Front Door Jamb Switch; G201 (4.3L, 5.0L, and 5.7L)
GAUGES, ILLUM, HAZARD, PARK LPS Fuses; Multi-Function Alarm Module; Left Front Door Jamb Switch; G201 (4.3L, 5.0L, and 5.7L)