GM Service Manual Online
For 1990-2009 cars only
Makes
🢒
Generic
🢒
2003
🢒
Unit Repair
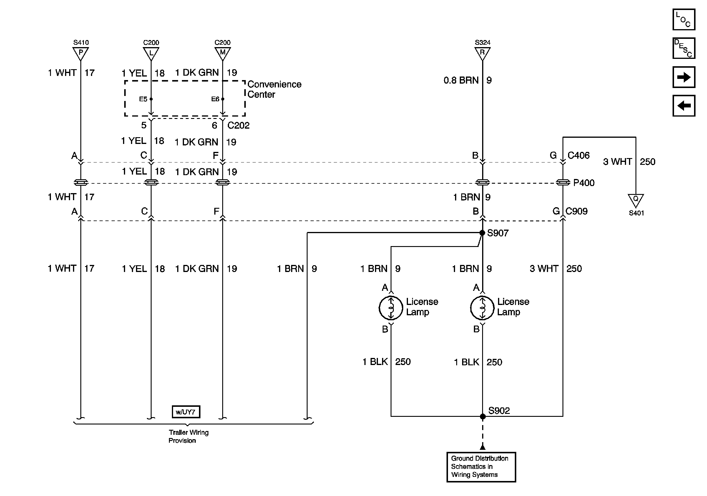
🢒 Rear License Plate Lamps
Rear License Plate Lamps
Rear License Plate Lamps
Master Electrical Component List
Exterior Lighting Systems Description and Operation
Theft Deterrent Flasher
Rear Lamps
Rear Lamps
Turn/Hazard Lamp Flasher
Turn/Hazard Lamp Flasher
Rear Lamps
Rear Lamps
G401