GM Service Manual Online
For 1990-2009 cars only
Makes
🢒
Generic
🢒
2003
🢒
Unit Repair
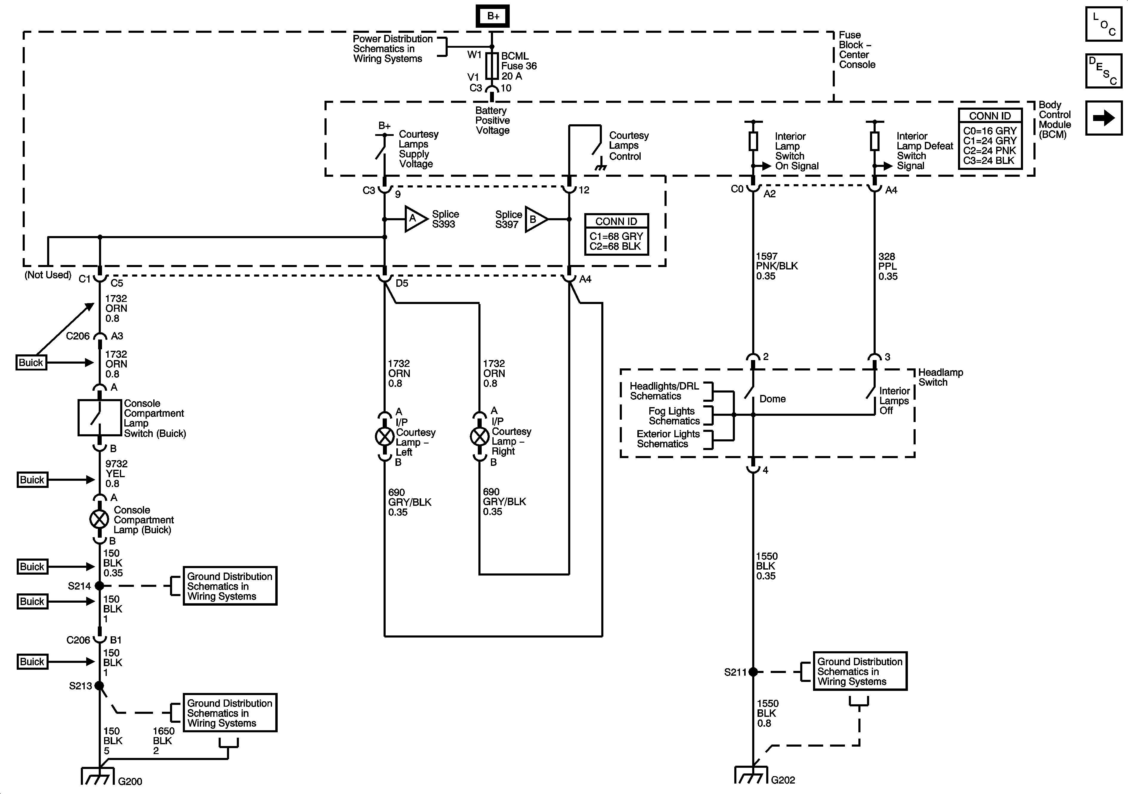
🢒 IP Lighting, Lamp Control
IP Lighting, Lamp Control
I/P Lighting, Lamp Control
Master Electrical Component List
Interior Lighting Systems Description and Operation
Roof Lighting
Indicator, Lamp Control
Ground G202 Schematics
Ground G202 Schematics
Ground G200 Schematics
Ground G200 Schematics