GM Service Manual Online
For 1990-2009 cars only
Makes
🢒
Generic
🢒
2003
🢒
Unit Repair
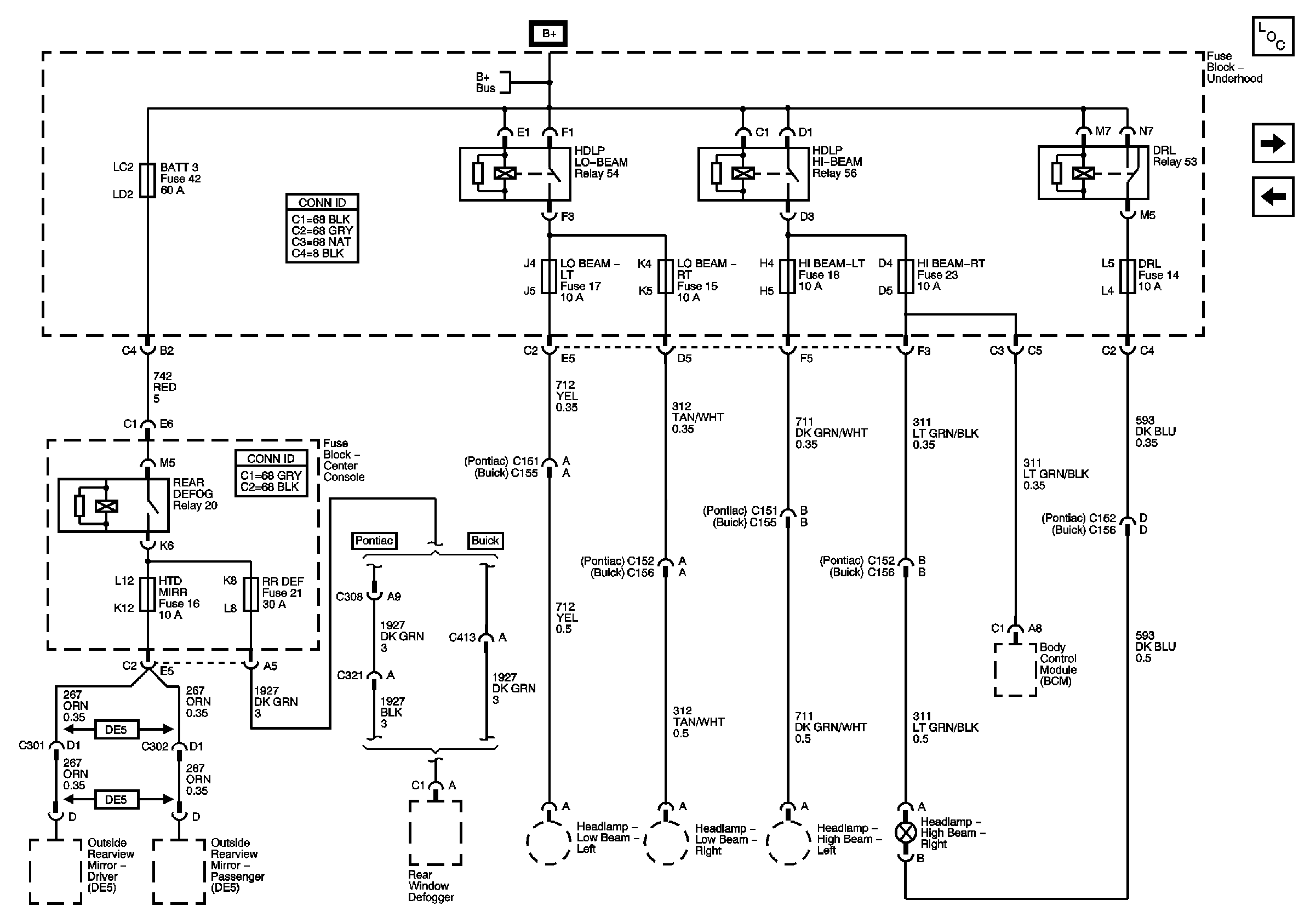
🢒 Fuse Block-Underhood Fuses: 42, 17, 15, 18, 23 and 14 Fuse Block-Center Console Fuses: HTD MIRR and RR DEF
Fuse Block-Underhood Fuses: 42, 17, 15, 18, 23 and 14 Fuse Block-Center Console Fuses: HTD MIRR and RR DEF
Fuse Block--Underhood BATT 3, LO BEAM-LT,LO BEAM-RT, HI BEAM-LT, HIGH BEAM-RT and DRL Fuses and Fuse Block--Center Console HTD MIRR and RR DEF Fuses
Master Electrical Component List
Fuse Block-Center Console Fuse: STG COL
Fuse Block-Underhood Fuses: 11 and 7
Fuse Block-Underhood Buss Schematics