GM Service Manual Online
For 1990-2009 cars only
Makes
🢒
Generic
🢒
2003
🢒
Unit Repair
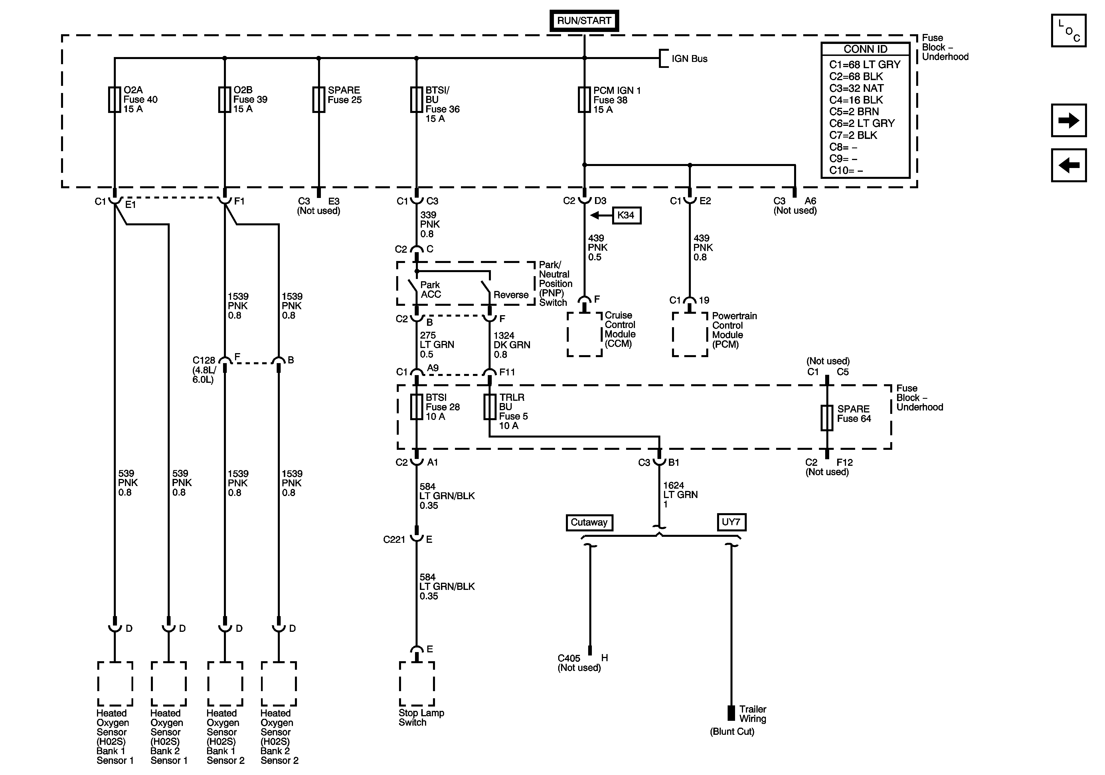
🢒 O2A, O2B, SPARE, BTSI BU, PCM IGN 1, BTSI, and TRLR BU Fuses
O2A, O2B, SPARE, BTSI BU, PCM IGN 1, BTSI, and TRLR BU Fuses
O2A, O2B, SPARE, BTSI/BU, PCM IGN 1, BTSI, and TRLR BU Fuses
Master Electrical Component List
PCM BAT, ABS, TRLR, BLOW, STOP LP, IPC, AUX PWR, and CIGAR Fuses
ENG 1, and ENG 2 Fuses - 4.8L, 5.3L, and 6.0L
IGN B Fuse