GM Service Manual Online
For 1990-2009 cars only
Makes
🢒
Generic
🢒
2003
🢒
Unit Repair
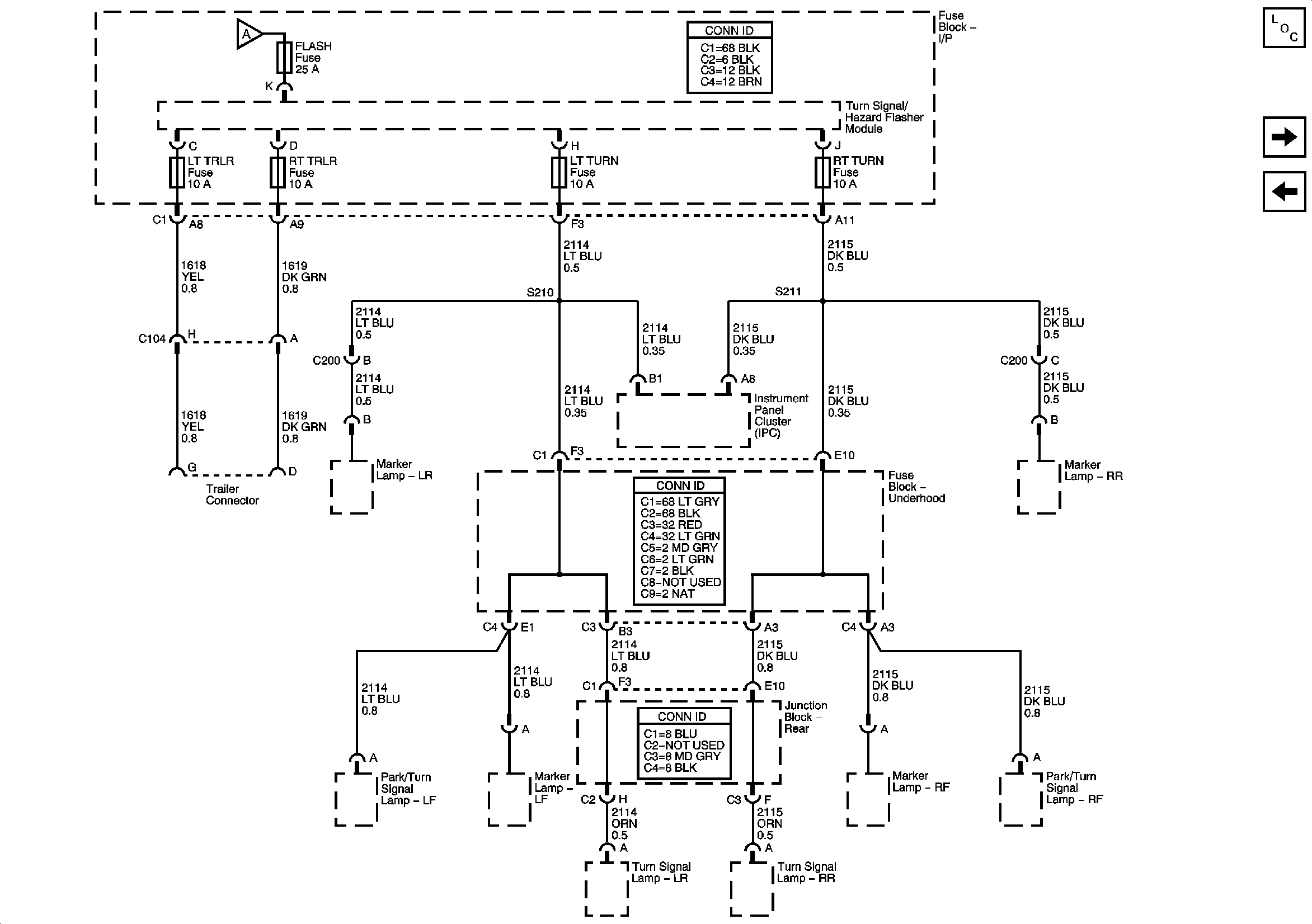
🢒 FLASH, LT TRLR, RT TRLR, LT TURN, and RT TURN Fuse
FLASH, LT TRLR, RT TRLR, LT TURN, and RT TURN Fuse
FLASH, LT TRLR, RT TRLR, LT TURN, and RT TURN Fuses
Master Electrical Component List
RR DEFOG, RR WPR, STOP LP, STOP, and CHMSL Fuses
LBEC 1, LBEC 2, INFO, PDM, AUX PWR, DDM, LOCKS, TBC 2A, 2B, and 2C Fuses, and LT DOOR Circuit Breaker
LBEC 1, LBEC 2, INFO, PDM, AUX PWR, DDM, LOCKS, TBC 2A, 2B, and 2C Fuses, and LT DOOR Circuit Breaker