GM Service Manual Online
For 1990-2009 cars only
Makes
🢒
Generic
🢒
2003
🢒
Unit Repair
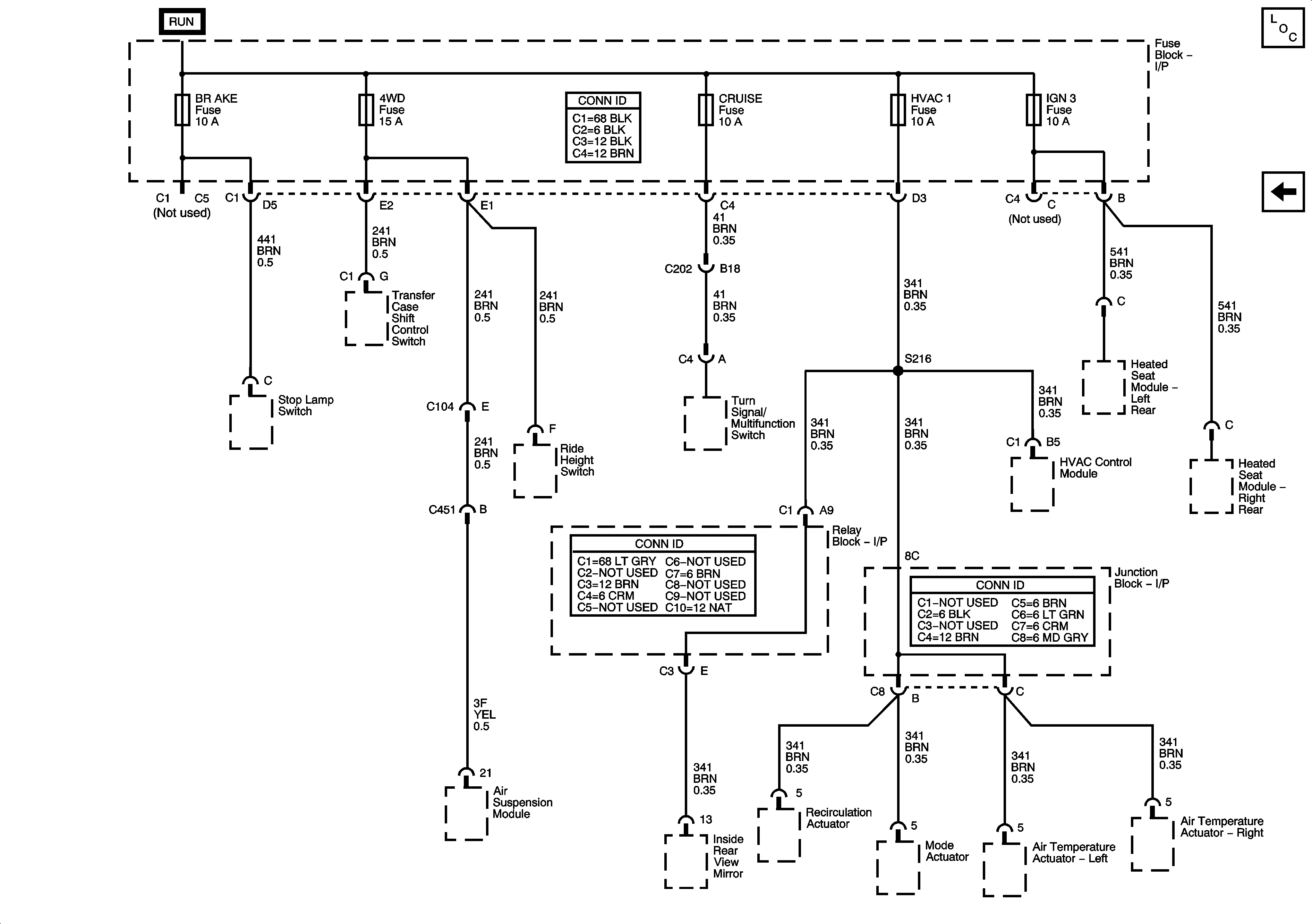
🢒 BRAKE, 4WD, CRUISE, HVAC I, and IGN 3 Fuses
BRAKE, 4WD, CRUISE, HVAC I, and IGN 3 Fuses
BRAKE, 4WD, CRUISE, HVAC 1, and IGN 3 Fuses
Master Electrical Component List
WS WPR, SEO ACCY, RR WPR, and TBC ACCY Fuses