GM Service Manual Online
For 1990-2009 cars only
Makes
🢒
Generic
🢒
2003
🢒
Unit Repair
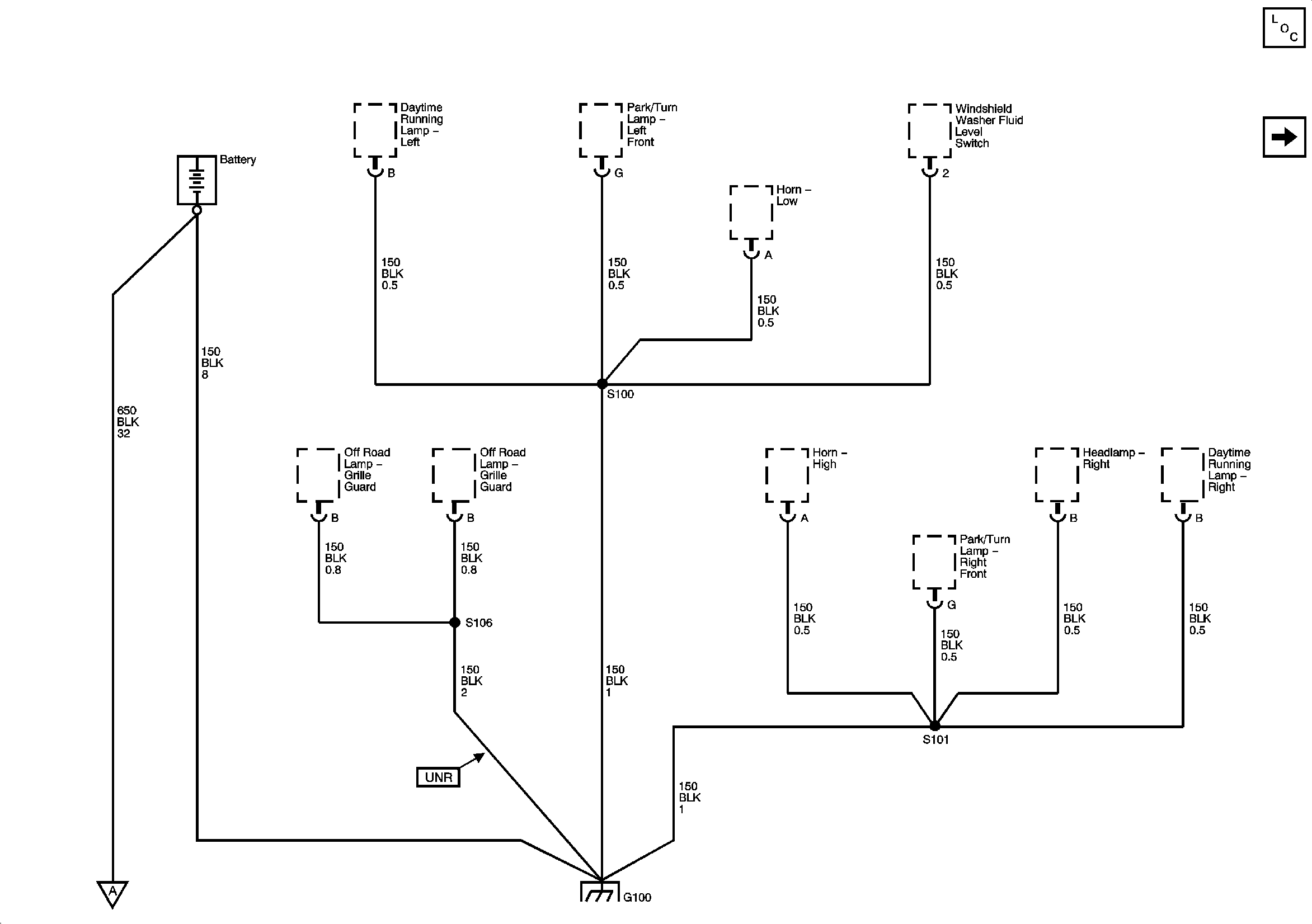
🢒 G105 and G100
G105 and G100
G105 and G100
Master Electrical Component List
G102 and G103
G102 and G103