GM Service Manual Online
For 1990-2009 cars only
Makes
🢒
Generic
🢒
2003
🢒
Unit Repair
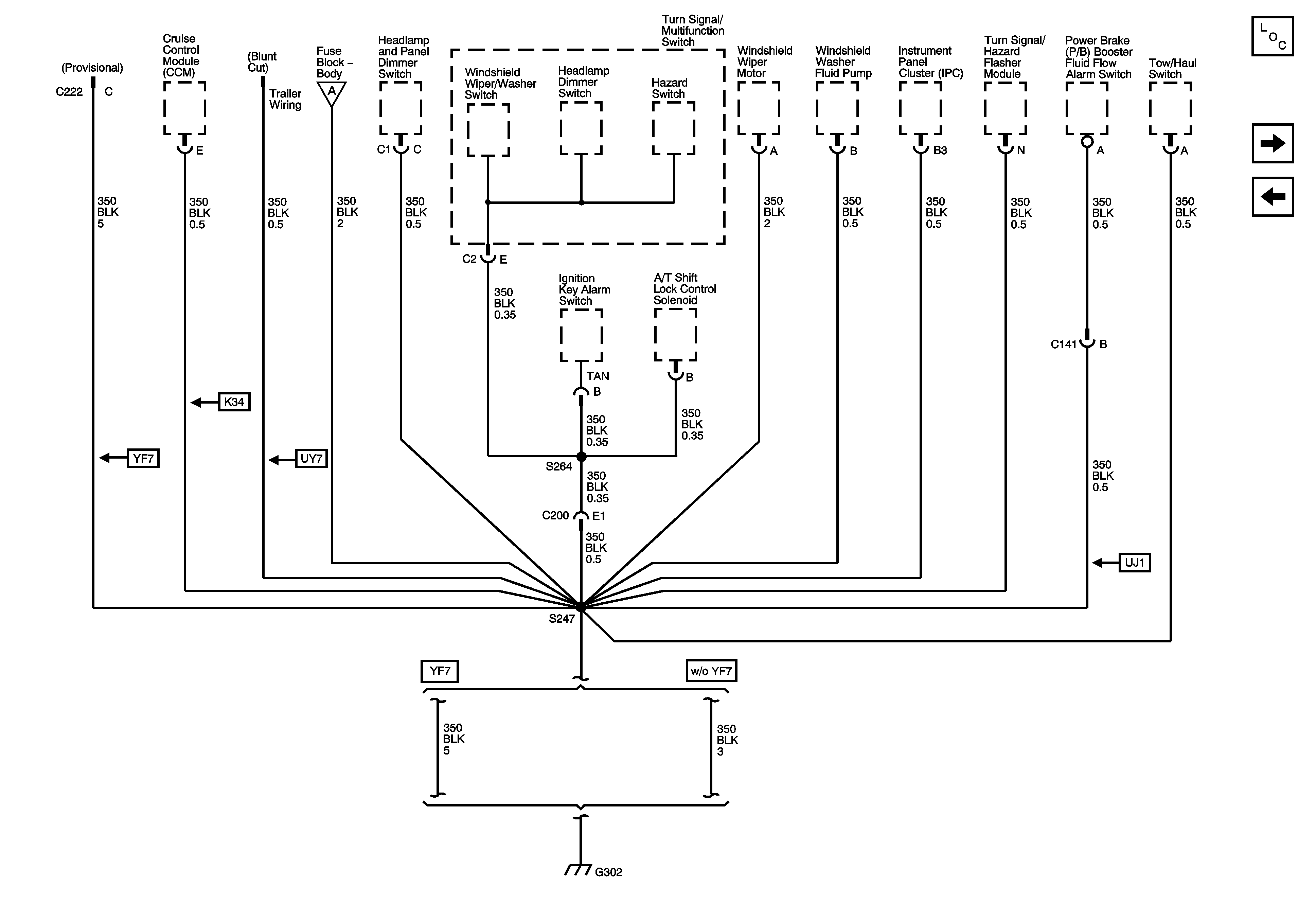
🢒 G302
G302
G302
Master Electrical Component List
G303, and G304
G103, G104, G105, G106, G300, and G301
G103, G104, G105, G106, G300, and G301