GM Service Manual Online
For 1990-2009 cars only
Makes
🢒
Generic
🢒
2003
🢒
Unit Repair
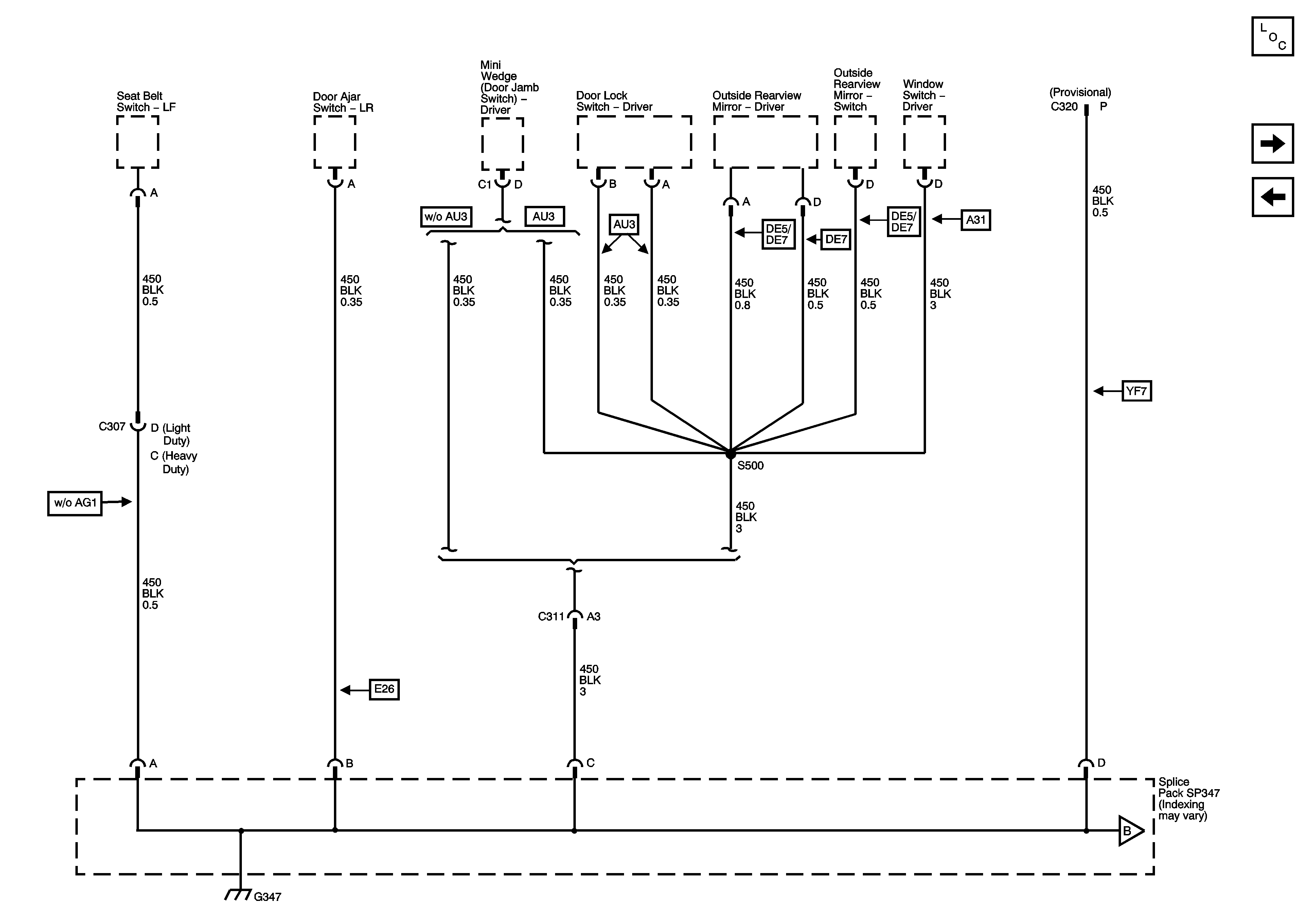
🢒 Splice Pack SP347, and G347 - 1 of 3
Splice Pack SP347, and G347 - 1 of 3
Splice Pack SP347, and G347 - 1of 3
Master Electrical Component List
Splice Pack SP347, and G347 - 2 of 3
G303, and G304
Splice Pack SP347, and G347 - 2 of 3