GM Service Manual Online
For 1990-2009 cars only
Makes
🢒
Generic
🢒
2003
🢒
Unit Repair
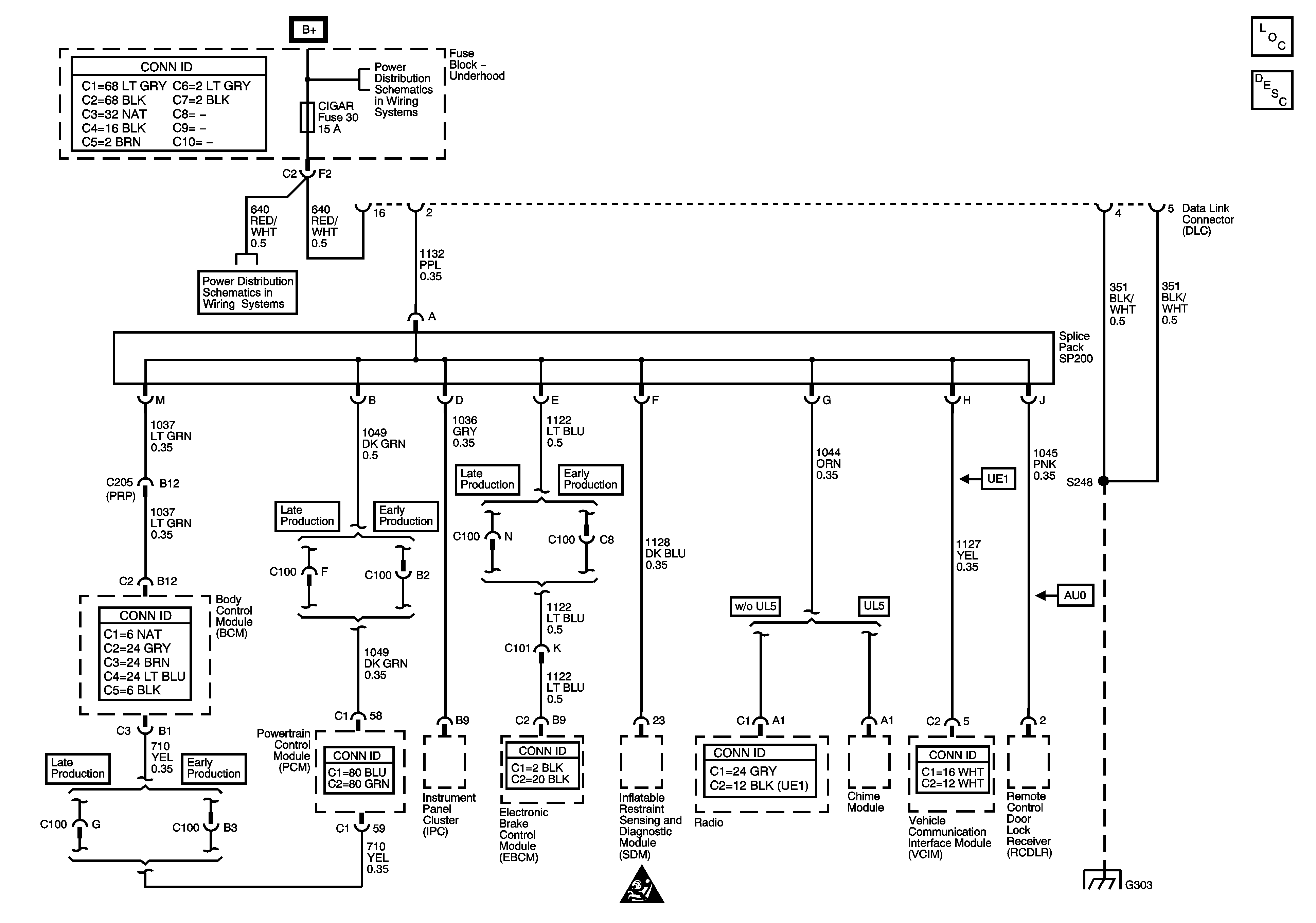
🢒 Data Link Schematics
Data Link Schematics
Master Electrical Component List
Data Link Communications Description and Operation
PCM BAT, ABS, TRLR, BLOW, STOP LP, IPC, AUX PWR, and CIGAR Fuses
SIR Caution for Zoning
G303, and G304