GM Service Manual Online
For 1990-2009 cars only
Makes
🢒
Generic
🢒
2003
🢒
Unit Repair
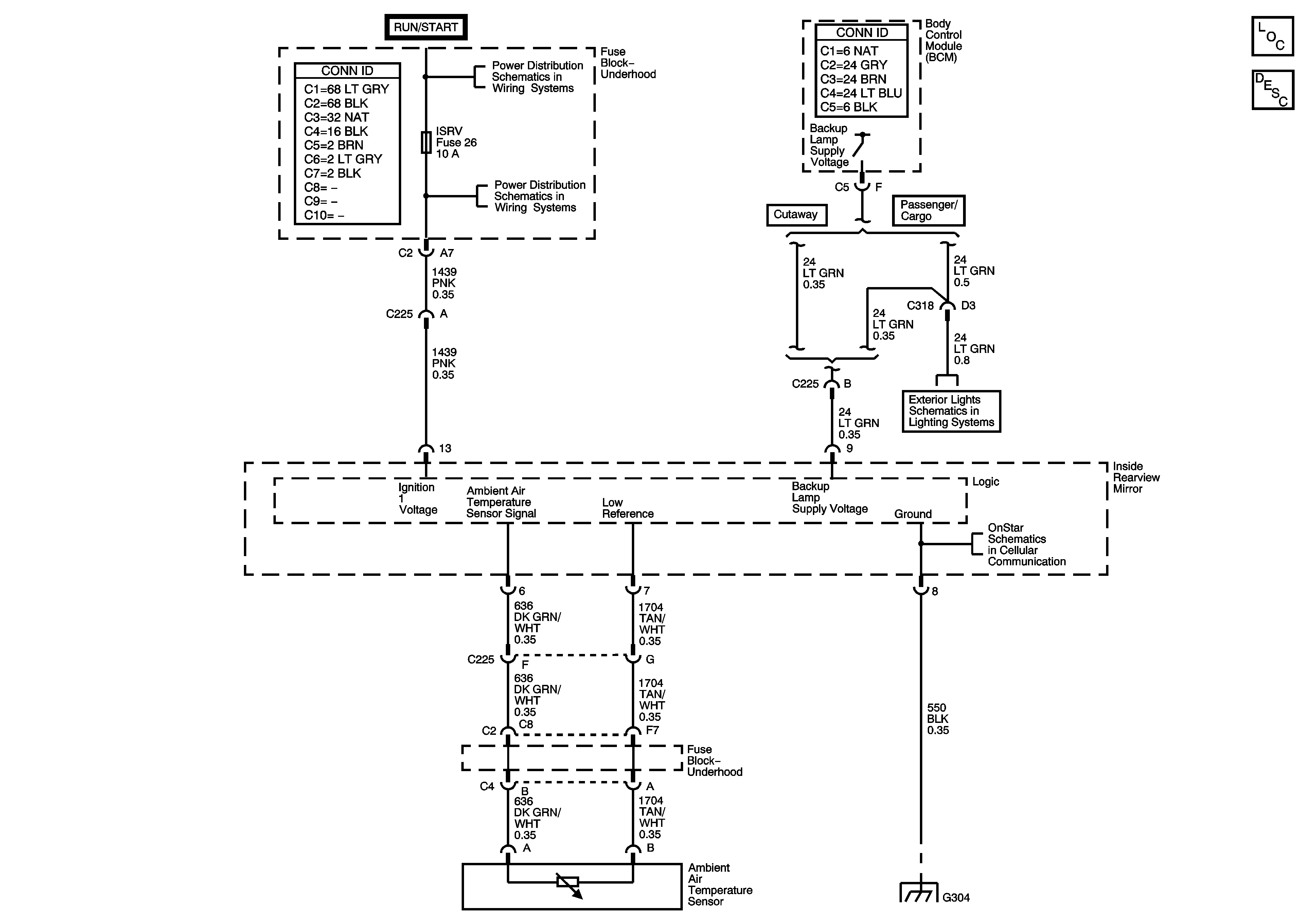
🢒 Inside Rearview Mirror
Inside Rearview Mirror
Master Electrical Component List
Automatic Day-Night Mirror Description and Operation
IGN B Fuse
SPARE, IGN E, SIR, TBC IGN 1, and ISRV Fuses
Backup Lamps (w/o Cutaway) and Front Park/Turn/Marker Lamps
Cellular Communication Schematics
G303, and G304