GM Service Manual Online
For 1990-2009 cars only
Makes
🢒
Generic
🢒
2003
🢒
Unit Repair
🢒 Ignition Controls - Page 2 of 2
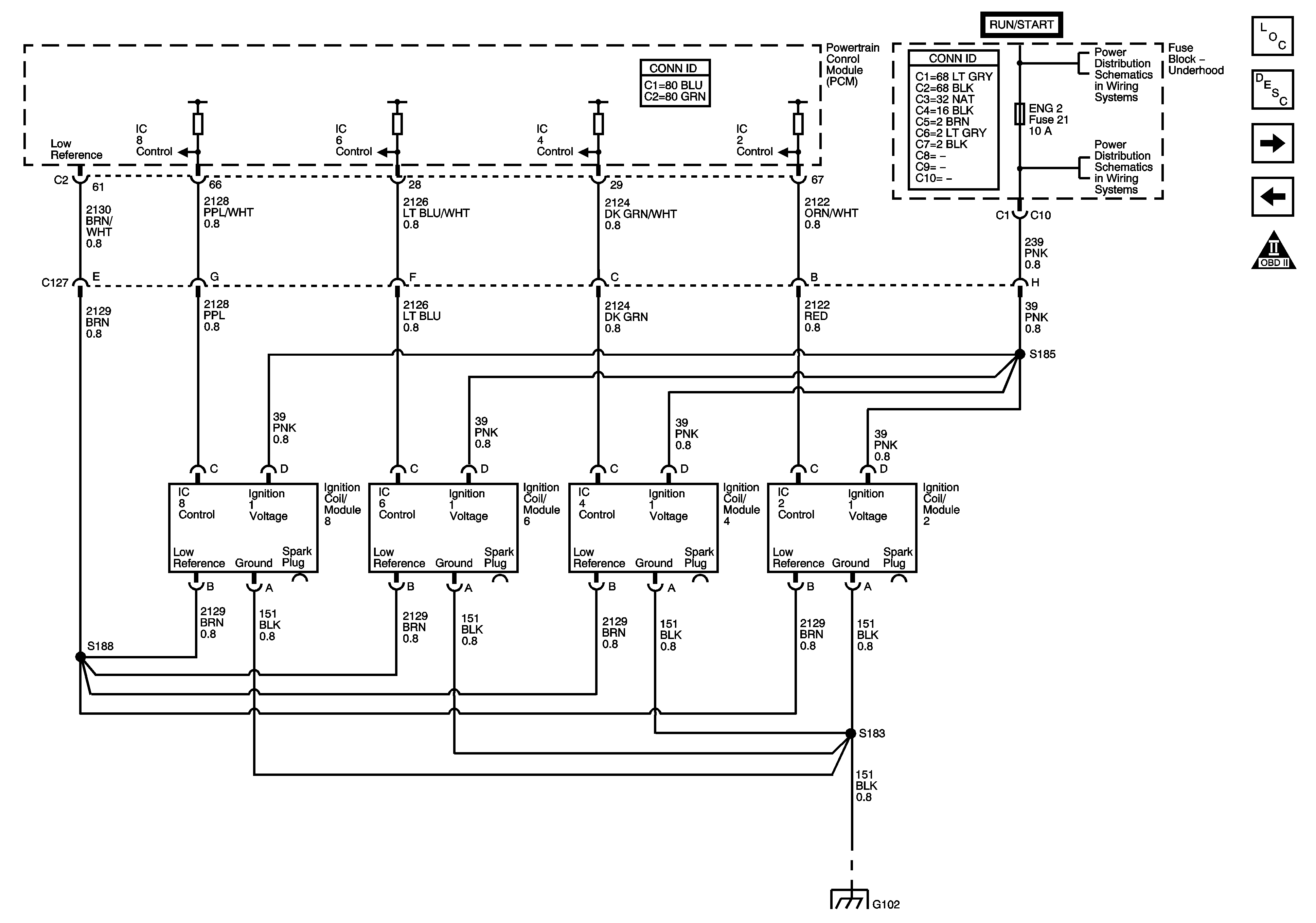
Ignition Controls - Page 2 of 2
Ignition Controls - Page 2 of 2
Master Electrical Component List
Powertrain Control Module Description
Fuel Controls
Ignition Controls - Page 1 of 2
OBD II Symbol Description Notice
IGN B Fuse
ENG 1, and ENG 2 Fuses - 4.8L, 5.3L, and 6.0L
G102