GM Service Manual Online
For 1990-2009 cars only

    Object Number: 309735  Size: SH
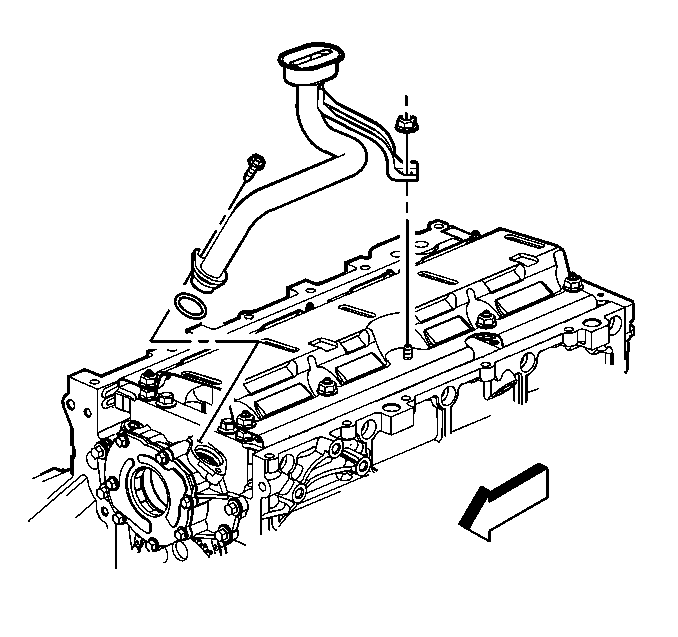
  1. Remove the oil pump screen bolt and nuts.
  2. Remove the oil pump screen with O-ring seal.
  3. Remove the O-ring seal from the pump screen.
  4. Discard the O-ring seal.

  5. Object Number: 64270  Size: SH
  6. Remove the remaining crankshaft oil deflector nuts.
  7. Remove the crankshaft oil deflector.

  8. Object Number: 64281  Size: SH
  9. Remove the oil pump bolts.
  10. Important: Do not allow dirt or debris to enter the oil pump assembly, cap ends as necessary.

  11. Remove the oil pump.