GM Service Manual Online
For 1990-2009 cars only

Removal Procedure

  1. Raise and support the vehicle. Refer to Lifting and Jacking the Vehicle in General Information.
  2. Remove the tire and wheel. Refer to Tire and Wheel Removal and Installation in Tires and Wheels.
  3. Remove the engine splash shield. Refer to Radiator Air Lower Baffle and Deflector Replacement in Engine Cooling.

  4. Object Number: 1229791  Size: SH
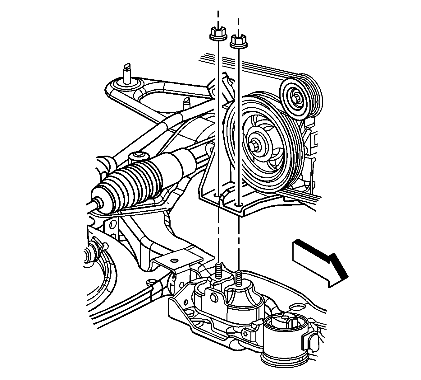
  5. Remove the engine mount to engine mount bracket nuts.

  6. Object Number: 1229784  Size: SH
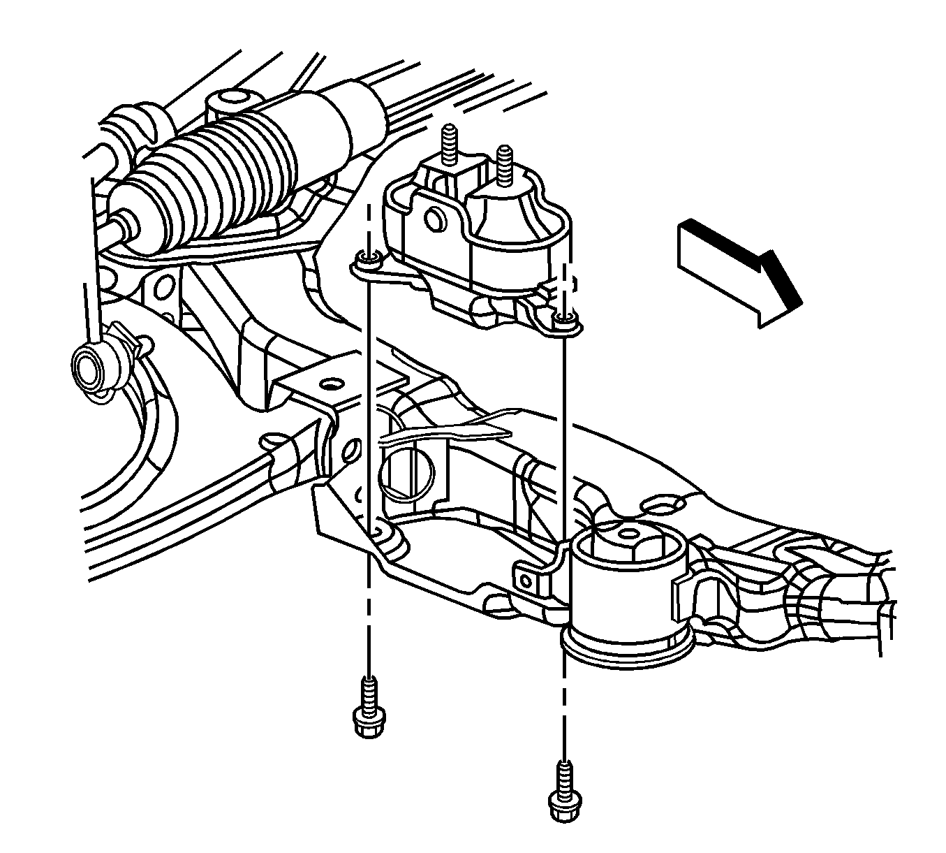
  7. Remove the motor mount to frame nuts.
  8. Using a suitable jackstand, raise the engine.
  9. Remove the motor mount from the vehicle.

Installation Procedure


    Object Number: 1229784  Size: SH
  1. Position the motor mount on the frame
  2. Use the jackstand to lower the engine mount bracket on to the engine mount.
  3. Notice: Refer to Fastener Notice in the Preface section.

  4. Install the engine mount to frame bolts.
  5. Tighten
    Tighten the nuts to 50 N·m (37 lb ft).


    Object Number: 1229791  Size: SH
  6. Install the motor mount to motor mount bracket nuts.
  7. Tighten
    Tighten the nuts to 50 N·m (37 lb ft).

  8. Install the engine splash shield. Refer to Radiator Air Lower Baffle and Deflector Replacement in Engine Cooling.
  9. Install the tire and wheel. Refer to Tire and Wheel Removal and Installation in Tires and Wheels.
  10. Lower the vehicle.