GM Service Manual Online
For 1990-2009 cars only

Removal Procedure

Important: Some vehicles may be equipped with a automatic transaxle to oil pan lower brace. If the vehicle is equipped with this brace, the brace boss on the transaxle may interfere with oil pan removal.


    Object Number: 909511  Size: SH
  1. Disconnect the negative battery cable. Refer to Battery Negative Cable Disconnection and Connection .
  2. Remove the drive belt. Refer to Drive Belt Replacement .
  3. Remove the air cleaner inlet duct. Refer to Air Cleaner Inlet Duct Replacement .
  4. Remove the engine mount strut. Refer to Engine Mount Strut Replacement .
  5. Install the engine support fixture. Refer to Engine Support Fixture .
  6. Raise and support the vehicle. Refer to Lifting and Jacking the Vehicle .
  7. Place a suitable drain pan under the oil pan drain plug.
  8. Remove the oil pan drain plug and drain the engine oil from the crankcase.
  9. Notice: Refer to Fastener Notice in the Preface section.

  10. Reinstall the oil pan drain plug.
  11. Tighten
    Tighten the drain plug to 26 N·m (19 lb ft).

  12. Remove the right front fender liner. Refer to Front Fender Liner Replacement .
  13. Remove the starter. Refer to Starter Motor Replacement .
  14. Remove the oil filter adapter. Refer to Oil Filter Adapter and Bypass Valve Assembly Replacement .

  15. Object Number: 63664  Size: SH
  16. Remove the air conditioning (A/C) compressor bolts and reposition the compressor aside.
  17. Remove the catalytic converters. Refer to Catalytic Converter Replacement .

  18. Object Number: 1229785  Size: SH
  19. Remove the engine mount bracket bolts and bracket.

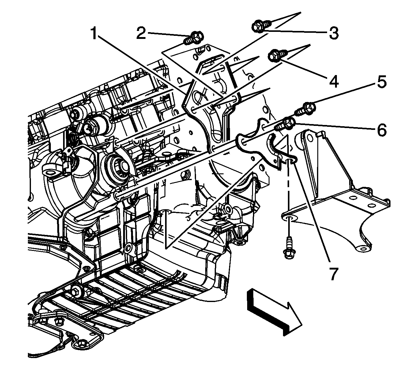
  20. Object Number: 1736169  Size: SH
  21. Remove the transaxle brace bolts (5 and 6) and remove the brace (7).

  22. Object Number: 1725337  Size: SH
  23. Remove the transaxle to oil pan brace bolts and brace, if equipped.

  24. Object Number: 475919  Size: SH
  25. Remove the flexplate to torque converter bolts.
  26. Lower the vehicle.

  27. Object Number: 1743706  Size: SH
  28. Remove the engine harness ground nut (2) from the transaxle stud.
  29. Remove the engine wiring harness ground (3) and the negative battery cable ground (1) from the transaxle stud.

  30. Object Number: 1743708  Size: SH
  31. Remove the engine wiring harness clip nut (1) from the transaxle stud.
  32. Remove the engine wiring harness clip (2) from the transaxle stud.

  33. Object Number: 1743707  Size: SH
  34. Remove the engine wiring harness ground nut (2) from the transaxle stud.
  35. Remove the engine wiring harness ground (1) from the transaxle stud.

  36. Object Number: 1743709  Size: SH
  37. Loosen, DO NOT REMOVE the transaxle studs (1) and bolts (2).
  38. Using the engine support fixture, raise the engine and transaxle slightly.
  39. Raise and support the vehicle.

  40. Object Number: 1583199  Size: SH
  41. Remove the oil pan bolts (1 and 2).
  42. Separate the engine and transaxle approximately 13 mm (1/2 inch).

  43. Object Number: 1725338  Size: SH
  44. Ensure that when removing the oil pan, the pan clears the boss (1) on the transaxle.
  45. Remove the oil pan, if the oil pan cannot be removed, lower the vehicle and perform steps 21 and 23 again until the pan can be removed.
  46. Remove and discard the oil pan gasket.
  47. Clean the oil pan sealing surfaces.

Installation Procedure


    Object Number: 1583199  Size: SH
  1. Apply sealer to both sides of the front cover/block mating area. Refer to Adhesives, Fluids, Lubricants, and Sealers .
  2. Apply sealer to both sides of the crankcase rear main bearing cap. Press the sealer into the gap using a putty knife. Refer to Adhesives, Fluids, Lubricants, and Sealers .
  3. Install a NEW oil pan gasket.
  4. Install the oil pan.
  5. Install the oil pan bolts (1 and 2).
  6. Tighten

        • Tighten the bolts (1) to 50 N·m (37 lb ft).
        • Tighten the bolts (2) to 25 N·m (18 lb ft).

    Object Number: 1743709  Size: SH
  7. Lower the vehicle.
  8. Using the engine support fixture, lower the engine and transaxle.
  9. Tighten the transaxle studs (1) and bolts (2).
  10. Tighten
    Tighten the bolts/studs to 90 N·m (66 lb ft).


    Object Number: 1743707  Size: SH
  11. Install the engine wiring harness ground (1) to the transaxle stud.
  12. Install the engine wiring harness ground nut (2) to the transaxle stud.
  13. Tighten
    Tighten the nut to 25 N·m (18 lb ft).


    Object Number: 1743708  Size: SH
  14. Install the engine wiring harness clip (2) to the transaxle stud.
  15. Install the engine wiring harness clip nut (1) to the transaxle stud.
  16. Tighten
    Tighten the nut to 25 N·m (18 lb ft).


    Object Number: 1743706  Size: SH
  17. Install the negative battery cable ground (1) and the engine wiring harness ground (3) to the transaxle stud.
  18. Install the engine harness ground nut (2) to the transaxle stud.
  19. Tighten
    Tighten the nut to 25 N·m (18 lb ft).


    Object Number: 475919  Size: SH
  20. Raise and support the vehicle.
  21. Install the flexplate to torque converter bolts.
  22. Tighten
    Tighten the bolts to 62 N·m (46 lb ft).


    Object Number: 1725337  Size: SH
  23. Position the transaxle to oil pan brace and install the bolts, if equipped.
  24. Tighten
    Tighten the bolts to 50 N·m (37 lb ft).


    Object Number: 1736169  Size: SH
  25. Position the transaxle brace (7) to the transaxle and install the bolts (5 and 6) until snug.

  26. Object Number: 1229785  Size: SH
  27. Position the engine mount bracket to the engine and install the bolts until snug.
  28. Tighten the engine mount bracket bolts and transaxle brace bolts.
  29. Tighten

        • Tighten the engine mount bracket upper bolt to 90 N·m (66 lb ft).
        • Tighten the engine mount bracket lower bolts to 50 N·m (37 lb ft).
        • Tighten the transaxle brace bolts to 50 N·m (37 lb ft).
  30. Install the catalytic converters. Refer to Catalytic Converter Replacement .

  31. Object Number: 63664  Size: SH
  32. Position the A/C compressor and install the bolts.
  33. Tighten
    Tighten the bolts to 50 N·m (37 lb ft).


    Object Number: 909511  Size: SH
  34. Install the oil filter adapter. Refer to Oil Filter Adapter and Bypass Valve Assembly Replacement .
  35. Install the starter. Refer to Starter Motor Replacement .
  36. Install the right front fender liner. Refer to Front Fender Liner Replacement .
  37. Ensure that the oil pan drain plug is tightened.
  38. Tighten
    Tighten the drain plug to 26 N·m (19 lb ft).

  39. Lower the vehicle.
  40. Remove the engine support fixture.
  41. Install the engine mount strut. Refer to Engine Mount Strut Replacement .
  42. Install the air cleaner inlet duct. Refer to Air Cleaner Inlet Duct Replacement .
  43. Install the drive belt. Refer to Drive Belt Replacement .
  44. Fill the crankcase with oil.
  45. Connect the negative battery cable. Refer to Battery Negative Cable Disconnection and Connection .
  46. Start the engine and inspect for leaks.