GM Service Manual Online
For 1990-2009 cars only

Tools Required

J 37088-A Fuel Line Disconnect Tool Set


    Object Number: 909578  Size: SH
  1. Remove the fuel feed pipe bolts.
  2. Remove the fuel feed pipe secondary latch.
  3. Using J 37088-A remove the fuel feed pipe.

  4. Object Number: 909582  Size: SH
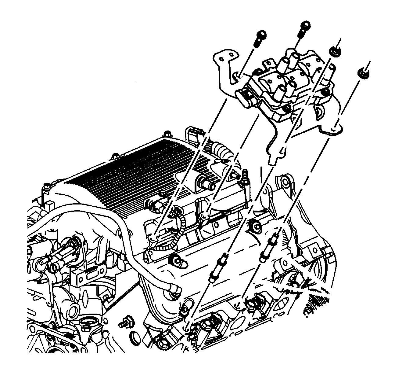
  5. Remove any remaining spark plug wires from their retainers.
  6. Remove the ignition coil assembly bolts and nuts.
  7. Remove the ignition coil assembly.
  8. Remove the ignition coil assembly studs, if necessary.

  9. Object Number: 909586  Size: SH
  10. Remove the positive crankcase ventilation tube from the valve rocker arm cover.

  11. Object Number: 60846  Size: SH
  12. Remove the valve rocker arm cover bolts.
  13. Important: When removing the valve rocker arm cover make sure the gasket stays in place attached to the cylinder head.

  14. Remove the valve rocker arm cover.
  15. Remove and discard the valve rocker arm cover gasket, valve rocker arm cover grommets and valve rocker arm cover bolts if they are serviced with the grommet.
  16. Cut the RTV in the channel where the intake, cylinder head and valve rocker arm cover meet with a suitable tool.
  17. Remove the valve rocker arm cover gasket.