GM Service Manual Online
For 1990-2009 cars only

Notice: 

   • Turn the ignition OFF when installing or removing the control module connectors and disconnecting or reconnecting the power to the control module (battery cable, powertrain control module (PCM)/engine control module (ECM)/transaxle control module (TCM) pigtail, control module fuse, jumper cables, etc.) in order to prevent internal control module damage.
   • Control module damage may result when the metal case contacts battery voltage. DO NOT contact the control module metal case with battery voltage when servicing a control module, using battery booster cables, or when charging the vehicle battery.
   • In order to prevent any possible electrostatic discharge damage to the control module, do no touch the connector pins or the soldered components on the circuit board.
   • Remove any debris from around the control module connector surfaces before servicing the control module. Inspect the control module connector gaskets when diagnosing or replacing the control module. Ensure that the gaskets are installed correctly. The gaskets prevent contaminant intrusion into the control module.
   • The replacement control module must be programmed.

Important: It is necessary to record the remaining engine oil life. If the replacement module is not programmed with the remaining engine oil life, the engine oil life will default to 100 percent. If the replacement module is not programmed with the remaining engine oil life, the engine oil will need to be changed at 5 000 km (3,000 mi) from the last engine oil change.

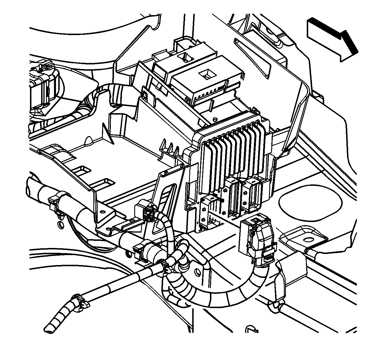
Removal Procedure


    Object Number: 1492079  Size: SH
  1. Using a scan tool, retrieve the percentage of remaining engine oil. Record the remaining engine oil life.

  2. Disconnect the negative battery cable. Refer to Battery Negative Cable Disconnection and Connection in Engine Electrical.
  3. Rotate the lever lock to the up position in order to release the connector.
  4. Disconnect the body harness electrical connector from the powertrain control module (PCM).

  5. Object Number: 1492080  Size: SH
  6. Rotate the lever lock to the up position in order to release the connector.
  7. Disconnect the engine harness electrical connectors from the PCM.

  8. Object Number: 1492082  Size: SH
  9. Release the retaining tab located in the battery box lower half using a small screwdriver or other suitable tool.
  10. Remove the PCM by lifting upward after releasing the tab.

Installation Procedure


    Object Number: 1492082  Size: SH
  1. Slide the PCM into the PCM bracket on the front of the battery box.
  2. Push down on the PCM until the retaining tab snaps into place.

  3. Object Number: 1492080  Size: SH
  4. Connect the engine harness electrical connectors to the PCM.
  5. Rotate the lever locks downward to secure the connectors.

  6. Object Number: 1492079  Size: SH
  7. Connect the body harness electrical connectors to the PCM.
  8. Rotate the lever lock downward to secure the connectors.
  9. Connect the negative battery cable. Refer to Battery Negative Cable Disconnection and Connection in Engine Electrical.
  10. Important: Following the PCM reprogramming , the PCM will have to learn the crankshaft position (CKP) variation for misfire diagnostics.

  11. If a NEW PCM was installed, reprogram the PCM. Refer to Control Module References for programming and setup information.