GM Service Manual Online
For 1990-2009 cars only

Removal Procedure

  1. Relieve the fuel system pressure. Refer to Fuel Pressure Relief .
  2. Remove the pipe retaining clip from the fuel feed pipe (1).

  3. Object Number: 879147  Size: SH
  4. Disconnect the fuel feed pipe from the engine fuel rail. Refer to Metal Collar Quick Connect Fitting Service .
  5. Cap or plug the fuel pipe and the engine fuel rail to prevent contamination.
  6. Raise the vehicle. Refer to Lifting and Jacking the Vehicle in General Information.
  7. Remove the rear brake pipe bracket retaining nuts and release the brackets from the body studs.

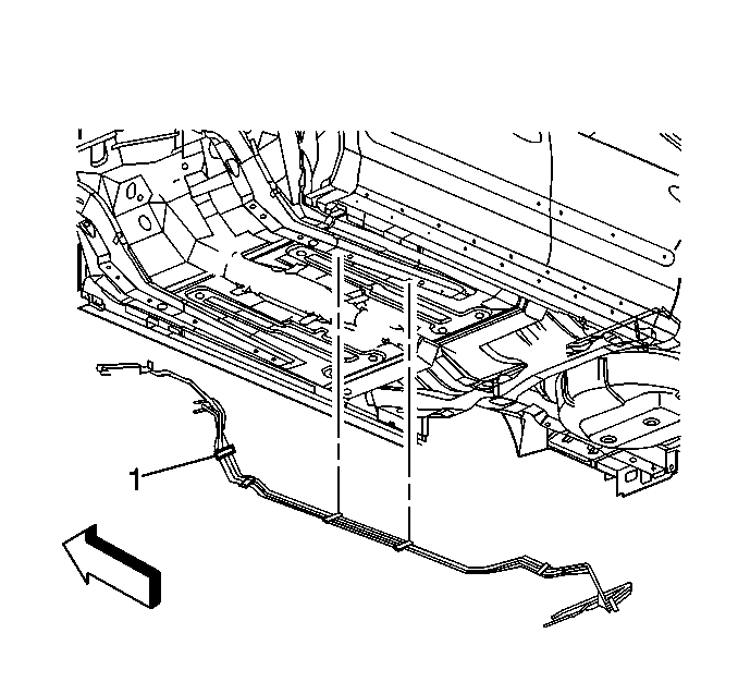
  8. Object Number: 49888  Size: SH
  9. Release the pipe retainers (1) from the vehicle underbody.
  10. Remove the fuel feed pipe from the pipe retainers.
  11. Lower the rear of the pipe while moving the pipe rearward slightly, then lower the front of the pipe.
  12. Remove the fuel feed pipe from the vehicle.

Installation Procedure


    Object Number: 49888  Size: SH
  1. Position the fuel feed pipe to the vehicle.
  2. With the rear of the pipe positioned slightly rearward and down, raise the front of the pipe into position.
  3. Install the remainder of the pipe into position.
  4. Install the fuel feed pipe to the pipe retainers.
  5. Secure the pipe retainers (1) to the vehicle underbody.
  6. Connect the fuel feed pipe and vapor return pipe to the lines at the fuel tank.
  7. Lower the vehicle.

  8. Object Number: 879147  Size: SH
  9. Remove the caps or plugs from the fuel pipe and the engine fuel rail.
  10. Connect the fuel feed pipe to the engine fuel rail. Refer to Metal Collar Quick Connect Fitting Service .
  11. Install the pipe retaining clip (1) to the fuel feed pipe.
  12. Connect the negative battery cable. Refer to Battery Negative Cable Disconnection and Connection in Engine Electrical.
  13. Inspect for fuel leaks using the following procedure:
  14. 12.1. Turn ON the ignition, with the engine OFF for 2 seconds.
    12.2. Turn OFF the ignition for 10 seconds.
    12.3. Turn ON the ignition, with the engine OFF.
    12.4. Inspect for fuel leaks.