GM Service Manual Online
For 1990-2009 cars only

Tools Required

J 39194-B Heated Oxygen Sensor Socket

Removal Procedure


    Object Number: 1523735  Size: SH
  1. Remove the generator. Refer to Generator Replacement in Engine Electrical.
  2. Remove the connector position assurance (CPA) retainer (2).
  3. Disconnect the heated oxygen sensor (HO2S) electrical connector (1).
  4. Important: The HO2S uses a permanently attached pigtail and connector. This pigtail should not be removed from the sensor. Damage or removal of the pigtail or connector will affect proper operation of the sensor.

  5. Remove the HO2S using the J 39194-B .

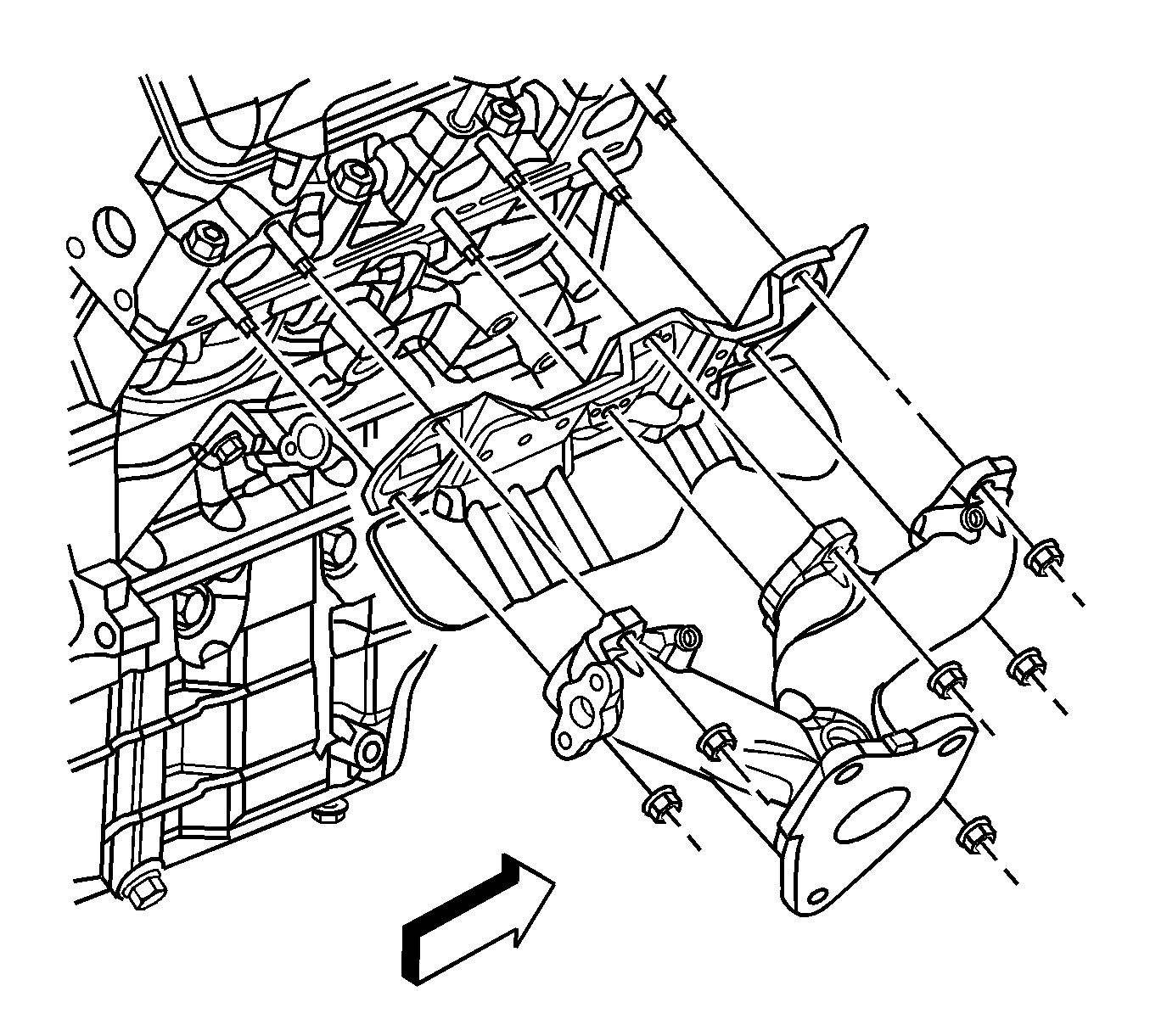
  6. Object Number: 1523739  Size: SH
  7. Remove the exhaust gas recirculation (EGR) pipe bolts (3). Reposition the pipe slightly.

  8. Object Number: 1523738  Size: SH
  9. Remove the upper exhaust manifold nuts.
  10. Remove the rear catalytic converter. Refer to Catalytic Converter Replacement .
  11. Remove the lower exhaust manifold nuts.
  12. Remove the exhaust manifold.
  13. Remove and discard the exhaust manifold gasket.

Installation Procedure


    Object Number: 1523738  Size: SH
  1. Install a NEW exhaust manifold gasket onto the cylinder head studs.
  2. Install the exhaust manifold.
  3. Notice: Refer to Fastener Notice in the Preface section.

  4. Install the exhaust manifold nuts.
  5. Tighten
    Tighten the nuts to 16 N·m (12 lb ft).

  6. Install the rear catalytic converter. Refer to Catalytic Converter Replacement .

  7. Object Number: 1523739  Size: SH
  8. Position the EGR pipe as necessary, and install the EGR pipe bolts (3).
  9. Tighten
    Tighten the bolts to 10 N·m (89 lb in).


    Object Number: 1523735  Size: SH

    Important: Whenever the oxygen sensor is removed, coat the threads with nickel-based anti-seize compound such as GM P/N 5613695 (or equivalent).

  10. Install the HO2S using J 39194-B .
  11. Tighten
    Tighten the sensor to 42 N·m (31 lb ft).

  12. Connect the HO2S electrical connector (1).
  13. Install the CPA retainer (2).
  14. Ensure that the connector rosebud is attached to the bracket.
  15. Install the generator. Refer to Generator Replacement in Engine Electrical.