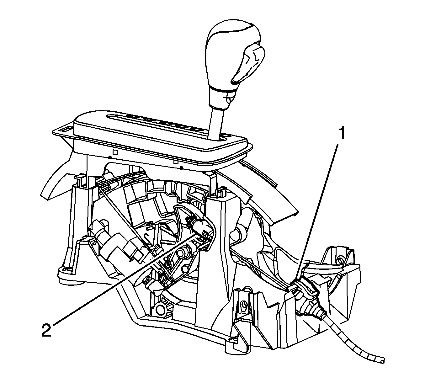
Important: All shift cable and park lock cable clips are one time usage only. Any service repair requiring cables to be disconnected from the transaxle control cable bracket or shift assembly will require a cable clip replacement.
Notice: Refer to Fastener Notice in the Preface section.
Tighten
Tighten the control assembly to bracket bolts to 25 N·m (18 lb ft).