GM Service Manual Online
For 1990-2009 cars only
Makes
🢒
Generic
🢒
2005
🢒
Unit Repair
🢒
Body
🢒
Wiring Systems
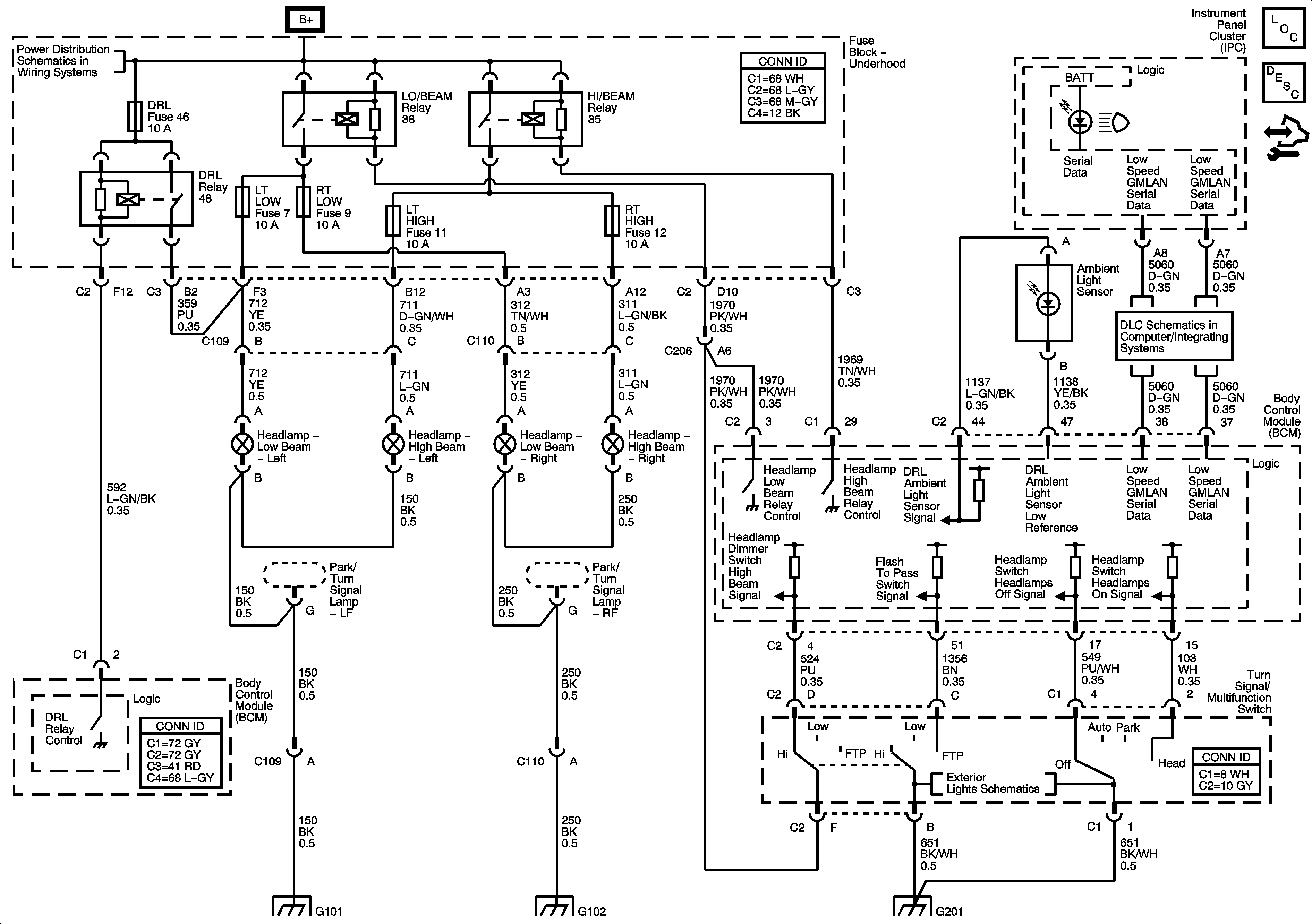
🢒 Headlights/Daytime Running Lights (DRL) Schematics
Master Electrical Component List
Exterior Lighting Systems Description and Operation
Control Module References
Underhood Fuse Block B+ Bus
Low Speed Serial Data
Ambient Light Sensor, Brake Pedal Position Sensor, Hazard Switch and Turn Signal/Multifunction Switch
G101 and G102
G101 and G102
G201