GM Service Manual Online
For 1990-2009 cars only
Figure 1:

Underhood Fuse Block B+ Bus


Object Number: 1408462  Size: FS
Master Electrical Component List
Control Module References
Underhood Fuse Block IBCM 1, Body Control Module (BCM) RADIO, IGN SENSOR, HVAC HEAD/ECC, CLUSTER/THEFT and AIR BAG BATT Fuses
Figure 2:

Underhood Fuse Block IBCM 1, Body Control Module (BCM) RADIO, IGN SENSOR, HVAC HEAD/ECC, CLUSTER/THEFT and AIR BAG BATT Fuses


Object Number: 1408497  Size: FS
Master Electrical Component List
Control Module References
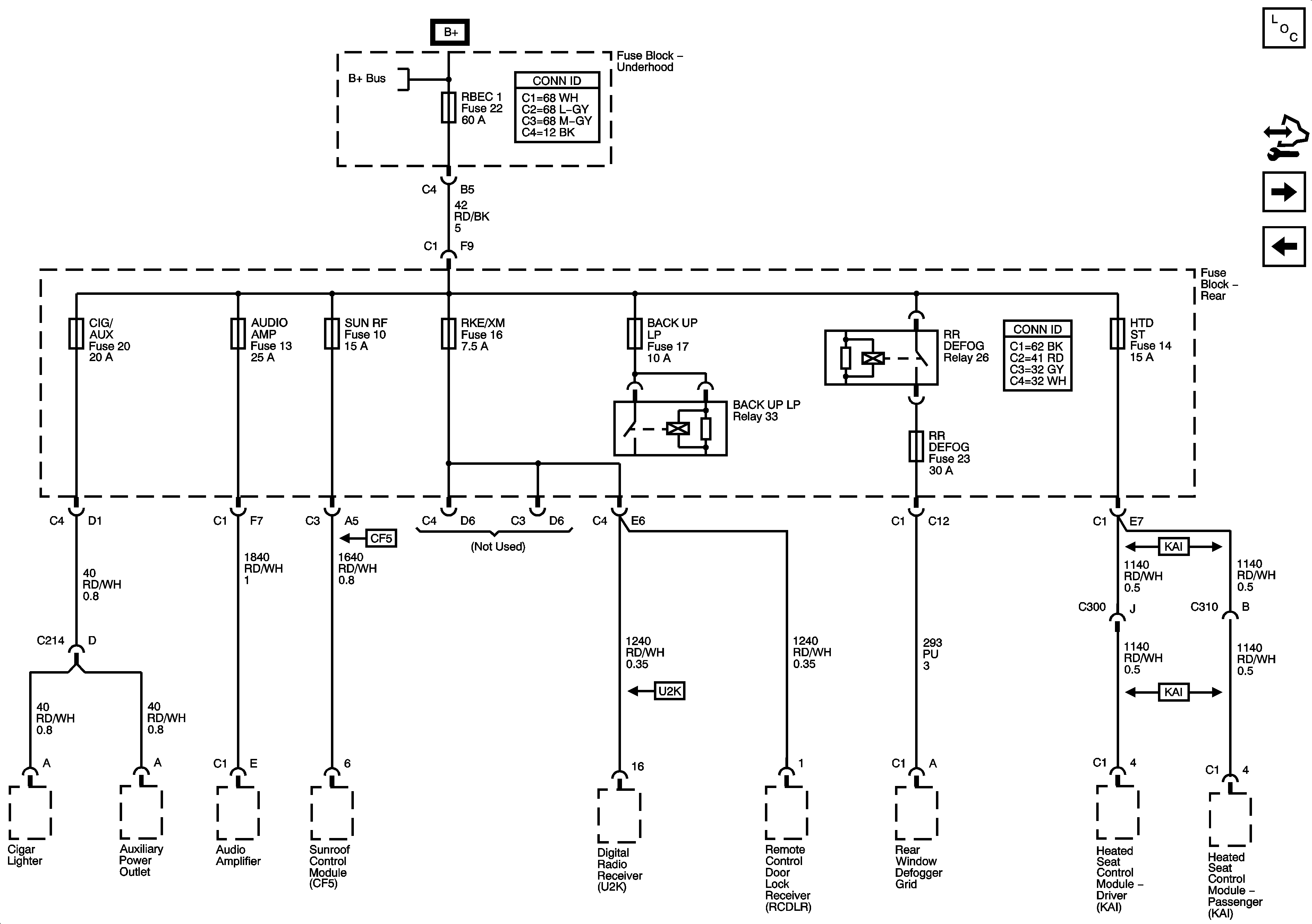
Underhood Fuse Block RBEC 1 Fuse and Rear Fuse Block CIG/AUX, SUN RF, RKE/XM, STOP LP, BACK UP LP, RR DEFOG, HTD MIR and HTD ST Fuses
Underhood Fuse Block B+ Bus
Underhood Fuse Block B+ Bus
SIR Caution for Zoning
Figure 3:

Underhood Fuse Block RBEC 1 Fuse and Rear Fuse Block CIG/AUX, SUN RF, RKE/XM, STOP LP, BACK UP LP, RR DEFOG, HTD MIR and HTD ST Fuses


Object Number: 1408467  Size: FS
Master Electrical Component List
Control Module References
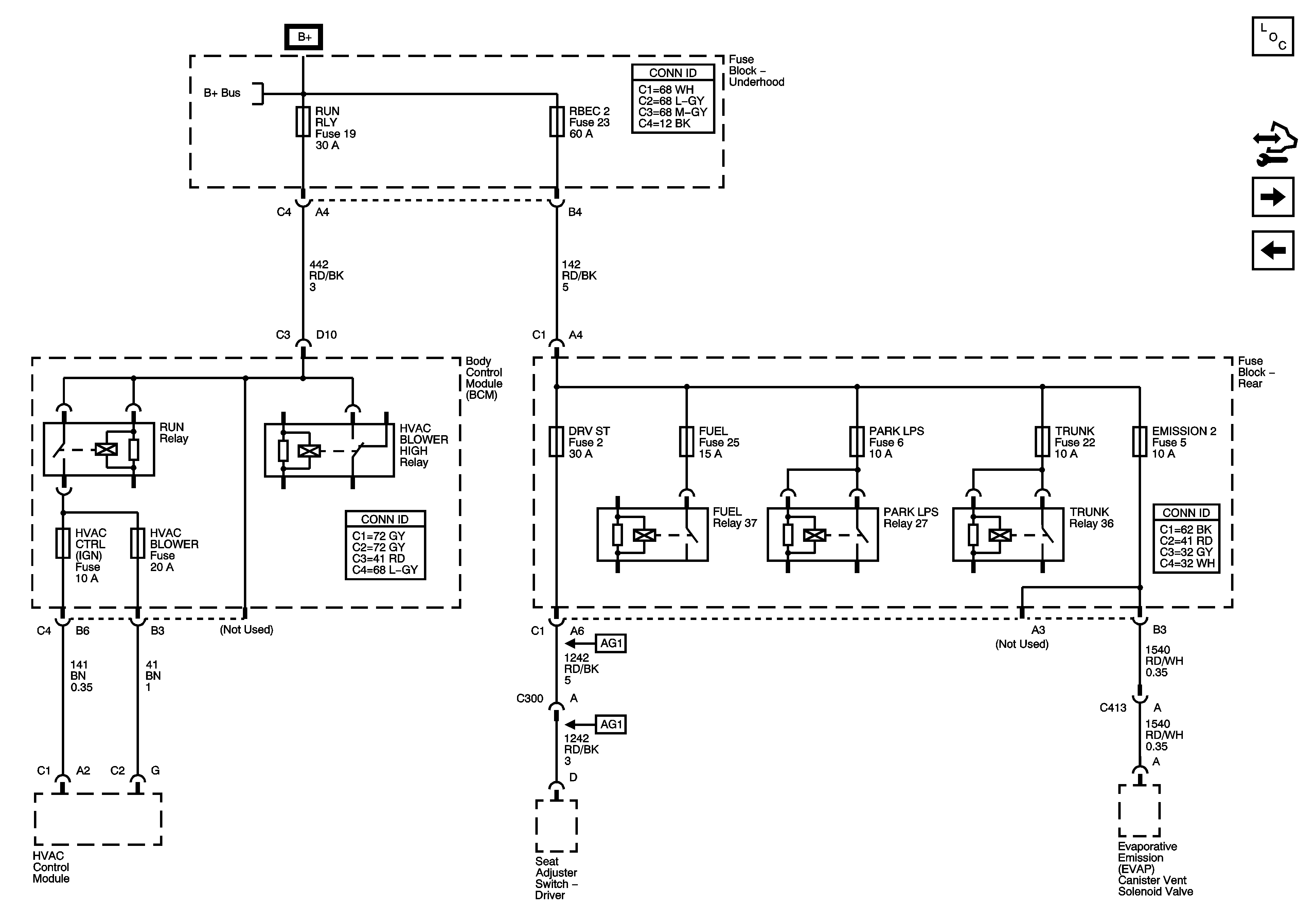
Underhood Fuse Block RUN RLY, RBEC 2, Rear Fuse Block DRV ST, FUEL, PARK LPS, TRUNK and EMISSION 2 Fuses
Underhood Fuse Block IBCM 1, Body Control Module (BCM) RADIO, IGN SENSOR, HVAC HEAD/ECC, CLUSTER/THEFT and AIR BAG BATT Fuses
Underhood Fuse Block B+ Bus
Figure 4:

Underhood Fuse Block RUN RLY, RBEC 2, Rear Fuse Block DRV ST, FUEL, PARK LPS, TRUNKand EMISSION 2 Fuses


Object Number: 1408472  Size: FS
Master Electrical Component List
Control Module References
Underhood Fuse Block PCM, ABS, EPS, IBCM 1, IBCM 2, LH LOW, RH LOW, LH HIGH and RH HIGH Fuses
Underhood Fuse Block RBEC 1 Fuse and Rear Fuse Block CIG/AUX, SUN RF, RKE/XM, STOP LP, BACK UP LP, RR DEFOG, HTD MIR and HTD ST Fuses
Underhood Fuse Block B+ Bus
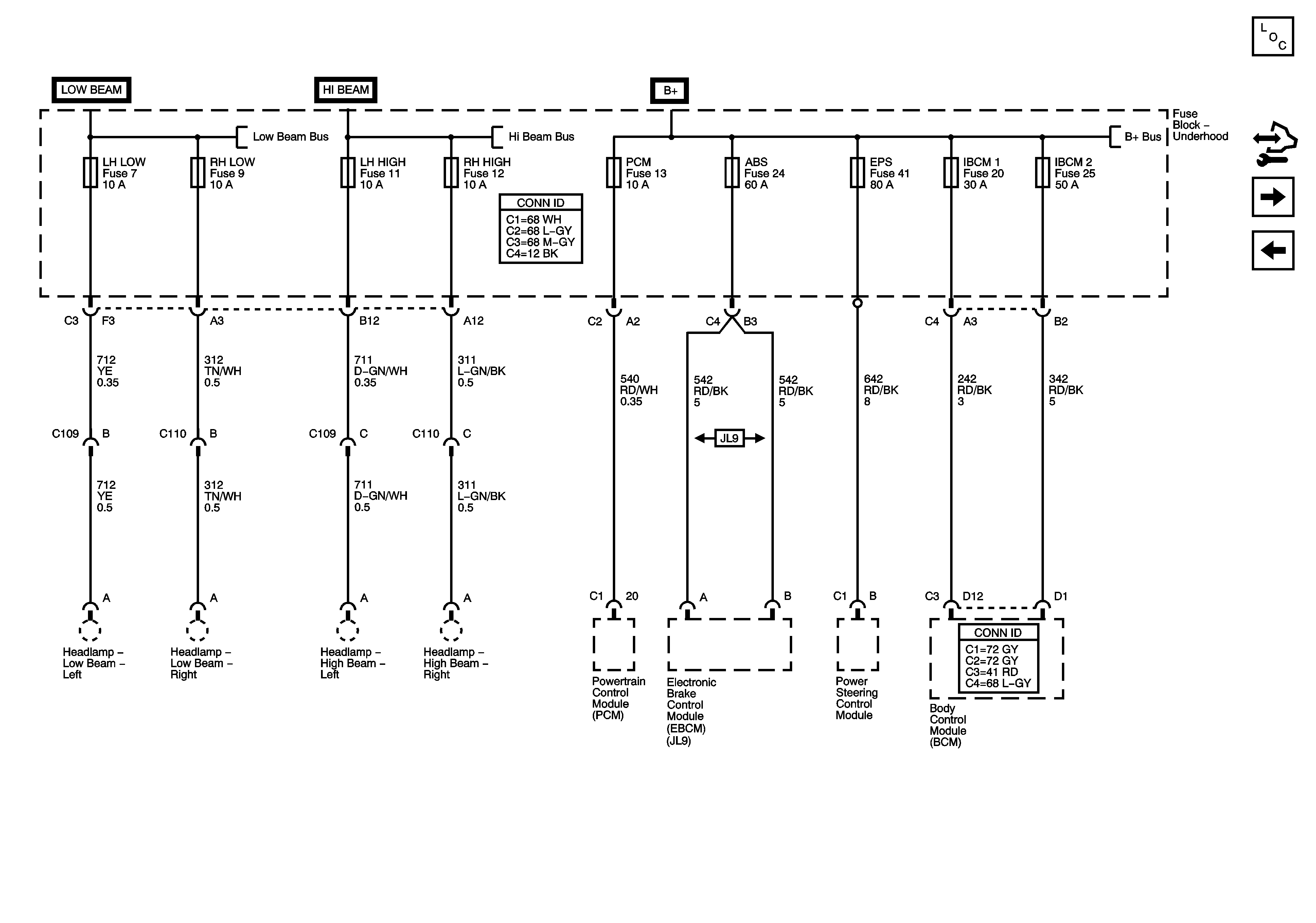
Figure 5:

Underhood Fuse Block PCM, ABS EPS, IBCM 1, IBCM 2, LH LOW, RH LOW, LH HIGH and RH HIGH Fuses


Object Number: 1408477  Size: FS
Master Electrical Component List
Control Module References
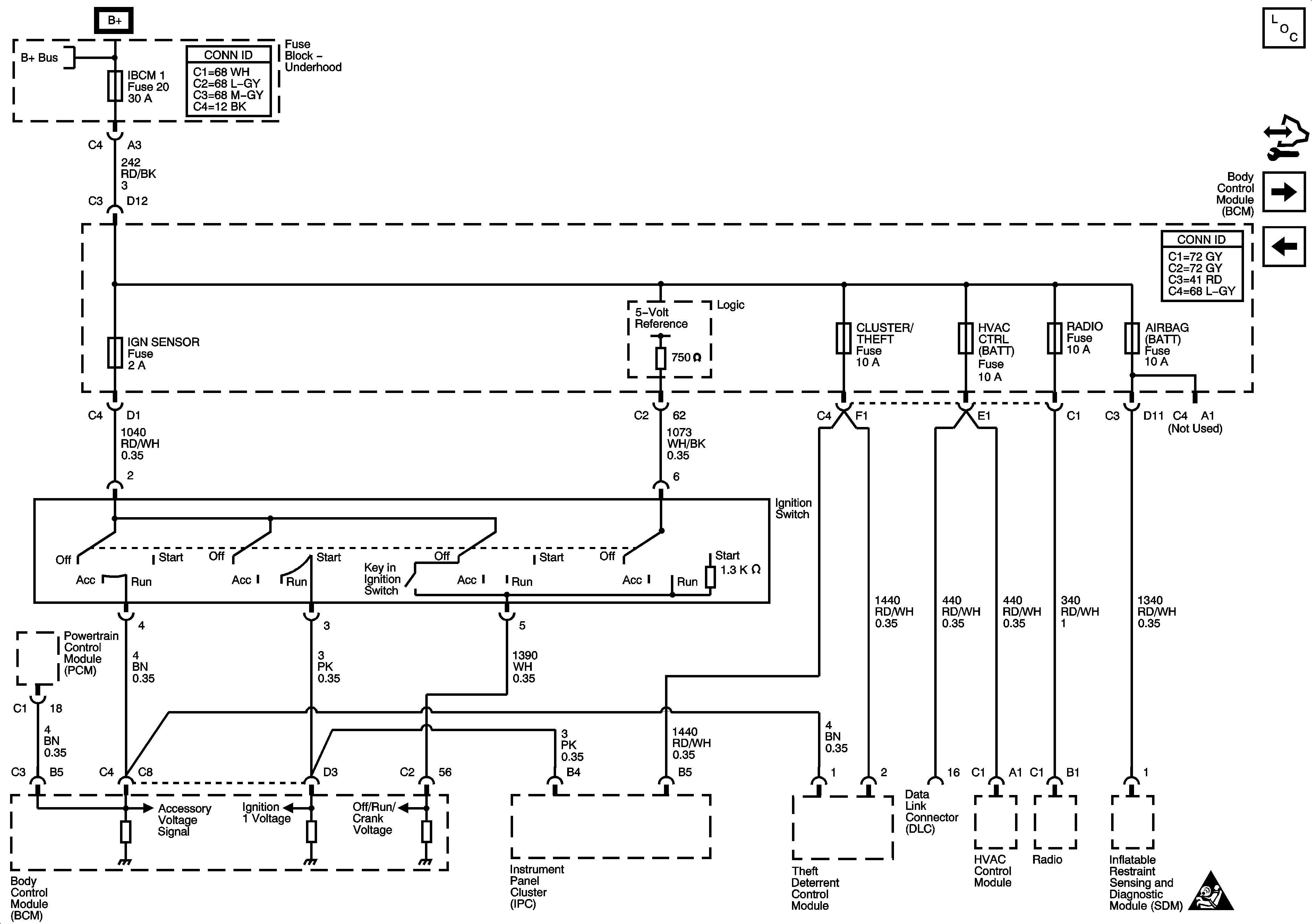
Underhood Fuse Block IBCM (R/C), TRANS, INJ, ABS, PCM and IGN 1 Fuses
Underhood Fuse Block RUN RLY, RBEC 2, Rear Fuse Block DRV ST, FUEL, PARK LPS, TRUNK and EMISSION 2 Fuses
Underhood Fuse Block B+ Bus
Underhood Fuse Block B+ Bus
Underhood Fuse Block B+ Bus
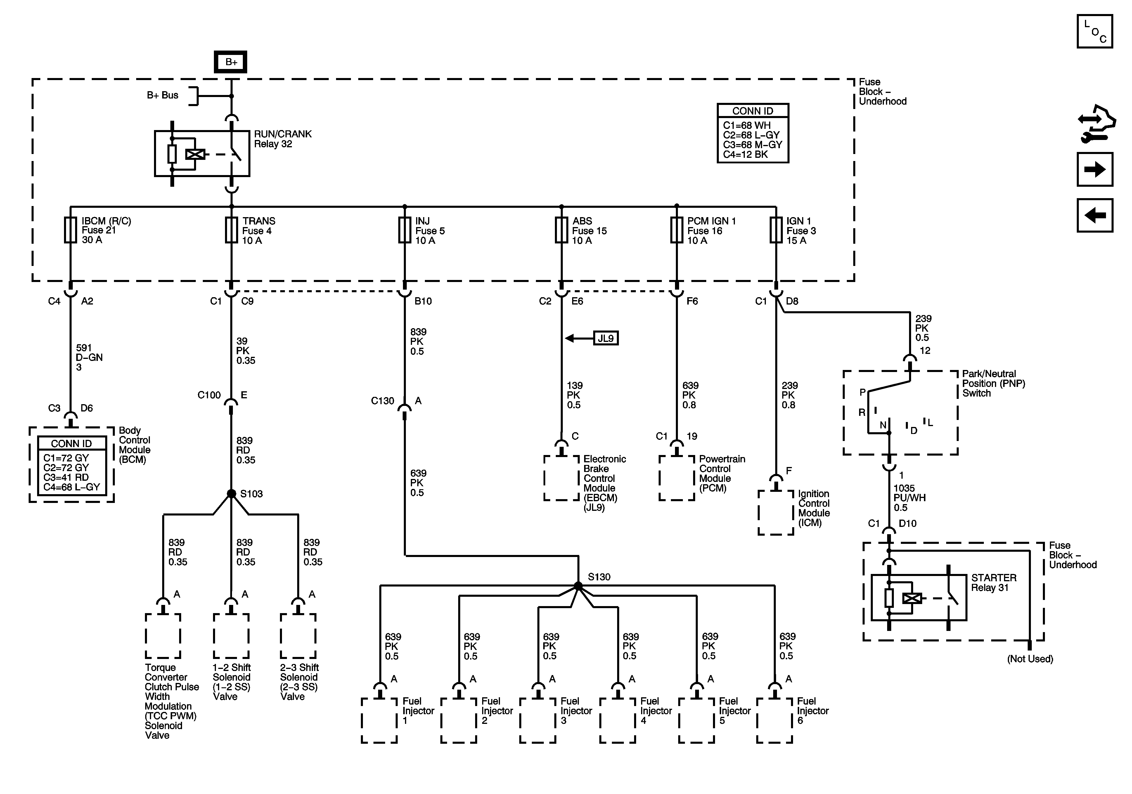
Figure 6:

Underhood Fuse Block IBCM (R/C), TRANS, INJ, ABS, PCM and IGN 1 Fuses


Object Number: 1408480  Size: FS
Master Electrical Component List
Control Module References
Underhood Fuse Block ETC, EMISSION 1 and A/C CLU Fuses
Underhood Fuse Block PCM, ABS, EPS, IBCM 1, IBCM 2, LH LOW, RH LOW, LH HIGH and RH HIGH Fuses
Underhood Fuse Block B+ Bus
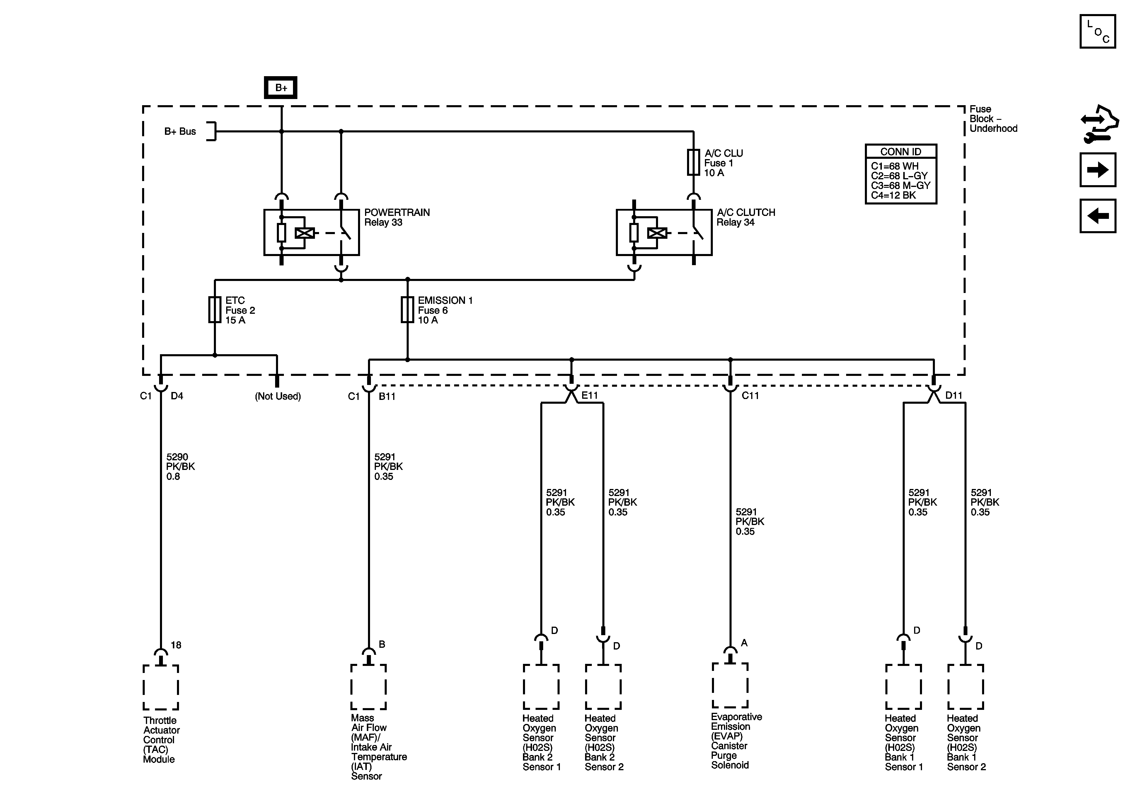
Figure 7:

Underhood Fuse Block ETC, EMISSION 1 and A/C CLU Fuses


Object Number: 1408481  Size: FS
Master Electrical Component List
Control Module References
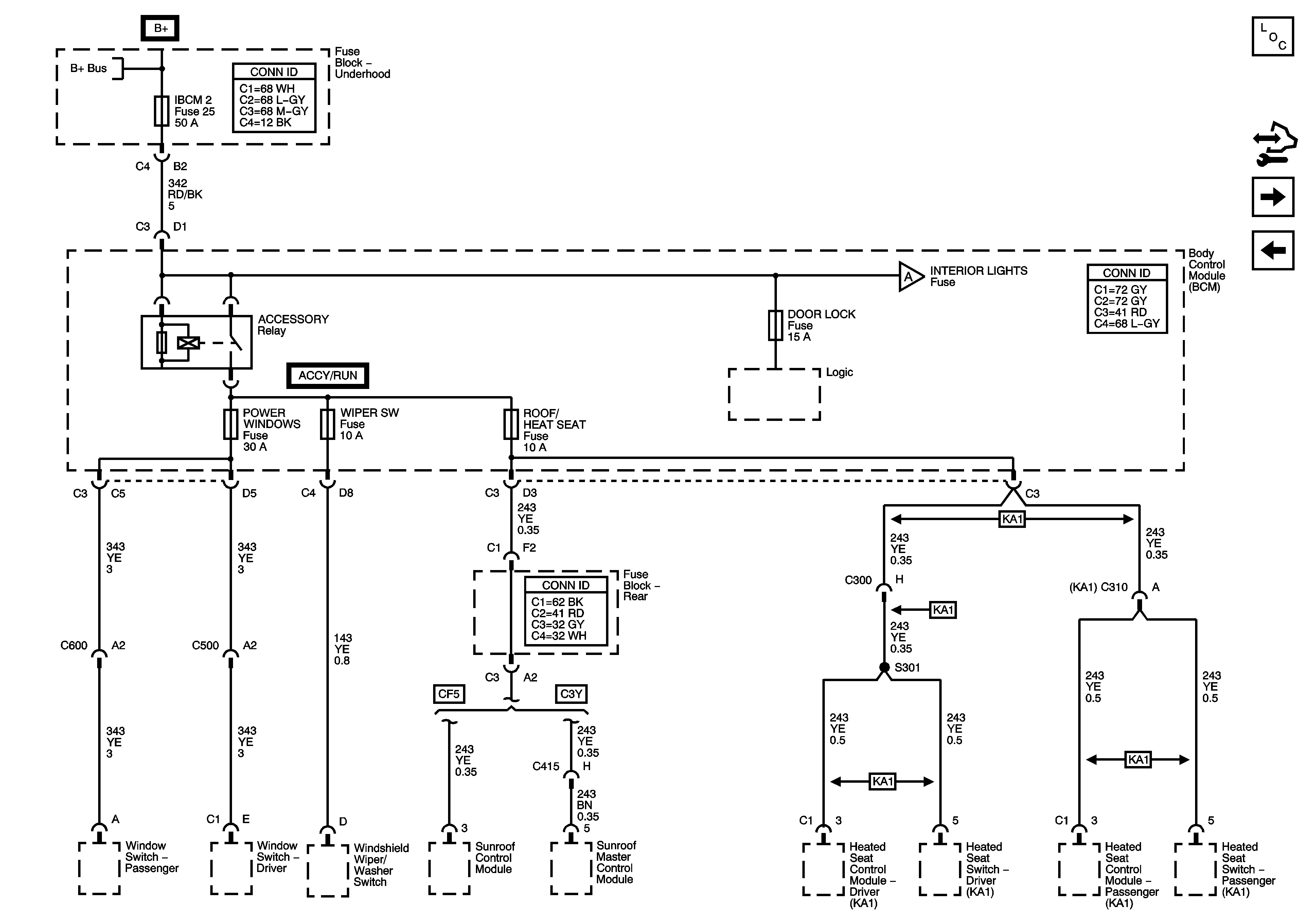
Underhood Fuse Block IBCM 2, Body Control Module (BCM) EBCM (PWR), Power Windows, WIPER SW and ROOF/HEAT SEAT Fuses
Underhood Fuse Block IBCM (R/C), TRANS, INJ, ABS, PCM and IGN 1 Fuses
Underhood Fuse Block B+ Bus
Figure 8:

Underhood Fuse Block IBCM 2, Body Control Module (BCM) EBCM (PWR), Power Windows, WIPER SW and ROOF/HEAT SEAT Fuses


Object Number: 1408483  Size: FS
Master Electrical Component List
Control Module References
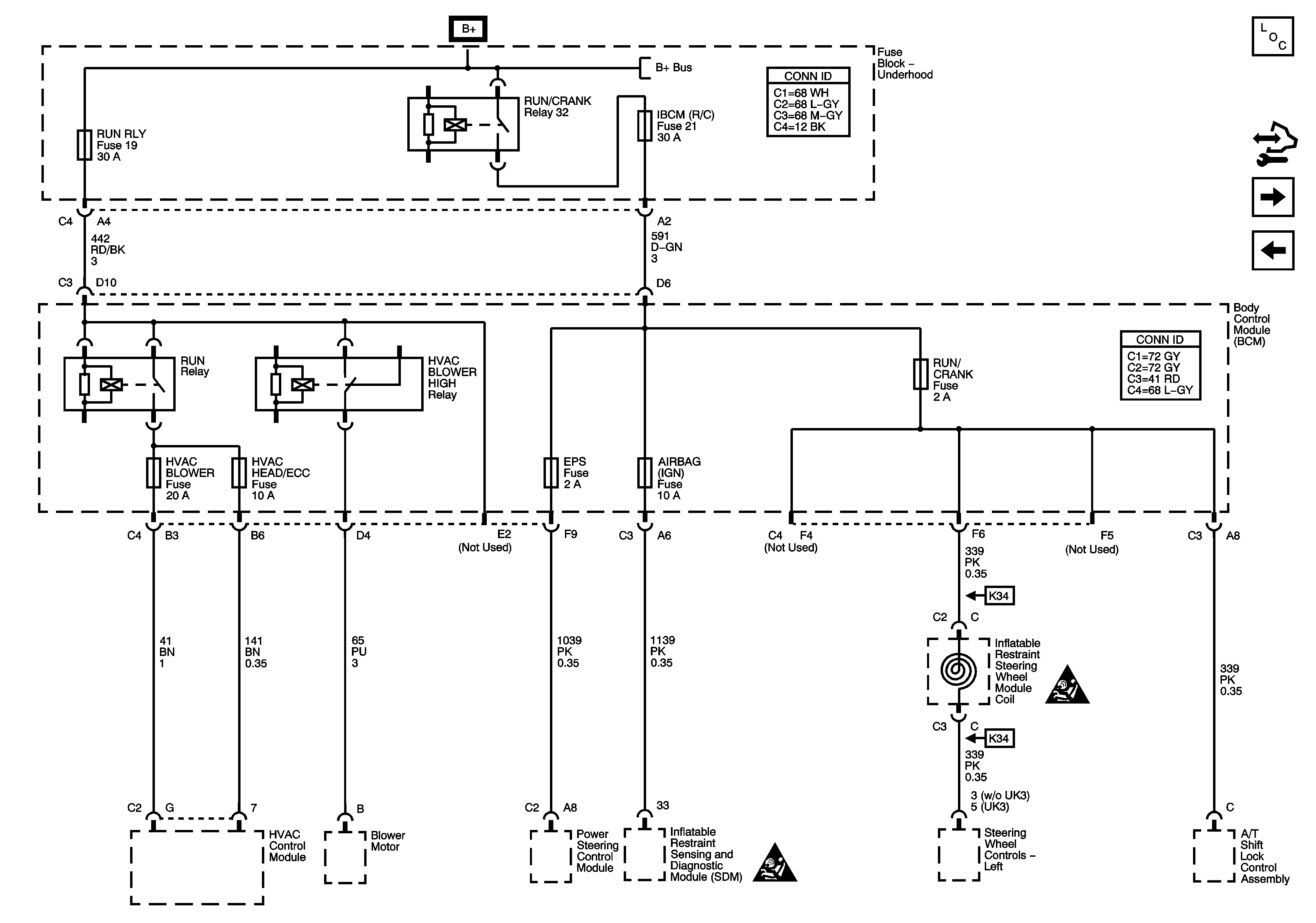
Underhood Fuse Block RUN/RLY, IBCM (R/C), Body Control Module (BCM) HVAC BLOWER, HVAC HEAD/ECC, EPS, AIR BAG and RUN/CRANK Fuses
Underhood Fuse Block ETC, EMISSION 1 and A/C CLU Fuses
Underhood Fuse Block B+ Bus
Body Control Module (BCM) INTERIOR LIGHTS, POWER MIRRORS, PEDAL and ONSTAR Fuses
Figure 9:

Underhood Fuse Block RUN/RLY, IBCM (R/C), Body Control Module (BCM) HVAC BLOWER, HVAC HEAD/ECC, EPS, AIR BAG and RUN/CRANK Fuses


Object Number: 1408491  Size: FS
Master Electrical Component List
Control Module References
Body Control Module (BCM) INTERIOR LIGHTS, POWER MIRRORS, PEDAL and ONSTAR Fuses
Underhood Fuse Block IBCM 2, Body Control Module (BCM) EBCM (PWR), Power Windows, WIPER SW and ROOF/HEAT SEAT Fuses
Underhood Fuse Block B+ Bus
SIR Caution for Zoning
SIR Caution for Zoning
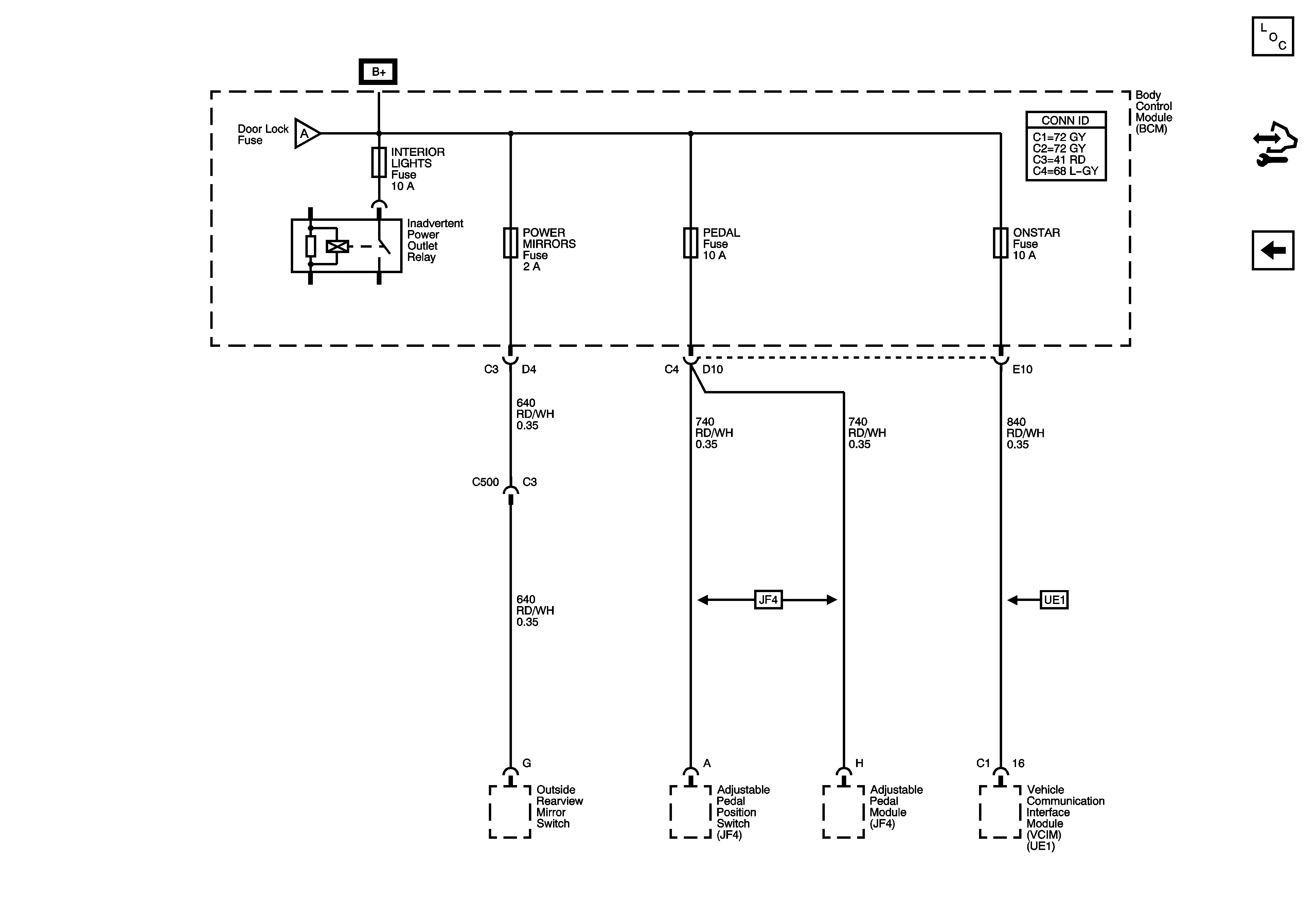
Figure 10:

Body Control Module (BCM) INTERIOR LIGHTS, POWER MIRRORS, PEDAL and ONSTARâ„¢ Fuses


Object Number: 1408496  Size: FS
Master Electrical Component List
Control Module References
Underhood Fuse Block RUN/RLY, IBCM (R/C), Body Control Module (BCM) HVAC BLOWER, HVAC HEAD/ECC, EPS, AIR BAG and RUN/CRANK Fuses
Underhood Fuse Block IBCM 2, Body Control Module (BCM) EBCM (PWR), Power Windows, WIPER SW and ROOF/HEAT SEAT Fuses