GM Service Manual Online
For 1990-2009 cars only

Removal Procedure


    Object Number: 1492073  Size: SH
  1. Remove the positive crankcase ventilation (PCV) fresh air tube from the air cleaner intake duct.

  2. Object Number: 1492076  Size: SH
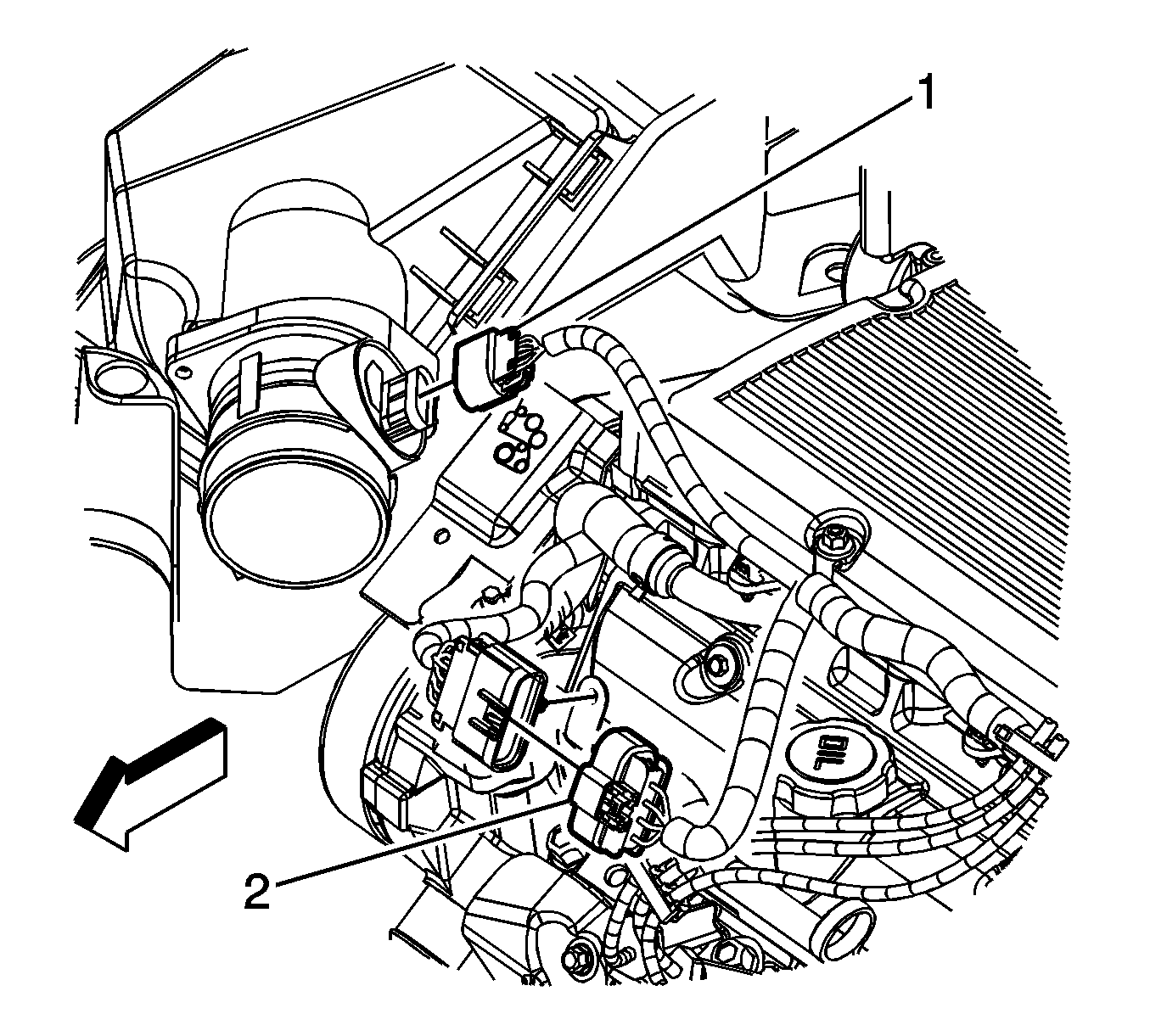
  3. Disconnect the mass air flow (MAF) sensor electrical connector (1).

  4. Object Number: 1236151  Size: SH
  5. Loosen the clamps and remove the air cleaner intake duct with the MAF sensor from the throttle body and the air cleaner housing cover.
  6. Loosen the clamp and remove the MAF sensor from the air cleaner intake duct.

Installation Procedure

    Notice: Refer to Fastener Notice in the Preface section.


    Object Number: 1236151  Size: SH
  1. Install the MAF sensor to the air cleaner intake duct.
  2. Tighten
    Tighten the clamp to 2 N·m (18 lb in).

  3. Install the air cleaner intake duct with the MAF sensor to the throttle body and the air cleaner housing cover.
  4. Tighten
    Tighten the clamps to 2 N·m (18 lb in).


    Object Number: 1492076  Size: SH
  5. Connect the MAF sensor electrical connector (1).

  6. Object Number: 1492073  Size: SH
  7. Install the PCV fresh air tube to the air cleaner intake duct.
  8. Start and idle the engine.
  9. Inspect the air intake duct for leaks.