GM Service Manual Online
For 1990-2009 cars only
Figure 1:

Radio w/UZ6 Speaker System


Object Number: 1482683  Size: FS
Master Electrical Component List
Radio/Audio System Description and Operation
Control Module References
Radio w/U85 Speaker System 1 of 2
Underhood Fuse Block IBCM 1, Body Control Module (BCM) RADIO, IGN SENSOR, HVAC HEAD/ECC, CLUSTER/THEFT and AIR BAG BATT Fuses
Low Speed Serial Data
Steering Wheel Controls Schematics
OnStar Schematics
Entertainment Schematic Icons
Entertainment Schematic Icons
Entertainment Schematic Icons
Entertainment Schematic Icons
Entertainment Schematic Icons
Entertainment Schematic Icons
Entertainment Schematic Icons
Entertainment Schematic Icons
G201
Figure 2:

Radio w/U85 Speaker System - 1 of 2


Object Number: 1482690  Size: FS
Master Electrical Component List
Radio/Audio System Description and Operation
Control Module References
Radio w/U85 Speaker System 2 of 2
Radio w/UZ6 Speaker System
Underhood Fuse Block IBCM 1, Body Control Module (BCM) RADIO, IGN SENSOR, HVAC HEAD/ECC, CLUSTER/THEFT and AIR BAG BATT Fuses
Low Speed Serial Data
Steering Wheel Controls Schematics
OnStar Schematics
Entertainment Schematic Icons
Entertainment Schematic Icons
Entertainment Schematic Icons
Entertainment Schematic Icons
G201
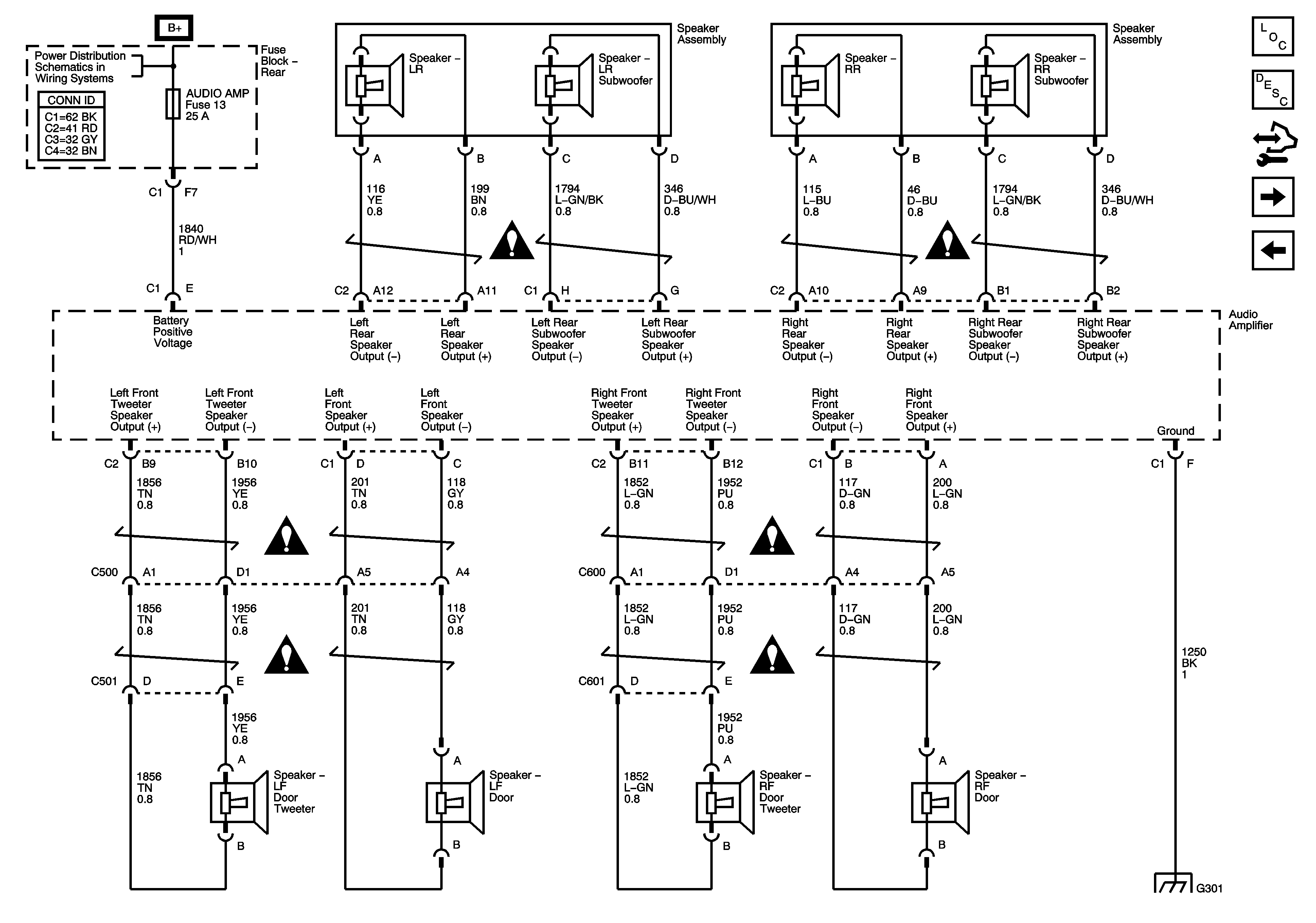
Figure 3:

Radio w/U85 Speaker System - 2 of 2


Object Number: 1482724  Size: FS
Master Electrical Component List
Radio/Audio System Description and Operation
Control Module References
Digital Radio Receiver
Radio w/U85 Speaker System 1 of 2
Underhood Fuse Block RBEC 1 Fuse and Rear Fuse Block CIG/AUX, SUN RF, RKE/XM, STOP LP, BACK UP LP, RR DEFOG, HTD MIR and HTD ST Fuses
Entertainment Schematic Icons
Entertainment Schematic Icons
Entertainment Schematic Icons
Entertainment Schematic Icons
Entertainment Schematic Icons
Entertainment Schematic Icons
G301
Figure 4:

Digital Radio Receiver (U2K)


Object Number: 1482752  Size: FS
Master Electrical Component List
Radio/Audio System Description and Operation
Control Module References
Radio w/U85 Speaker System 2 of 2
Underhood Fuse Block RBEC 1 Fuse and Rear Fuse Block CIG/AUX, SUN RF, RKE/XM, STOP LP, BACK UP LP, RR DEFOG, HTD MIR and HTD ST Fuses
Underhood Fuse Block RBEC 1 Fuse and Rear Fuse Block CIG/AUX, SUN RF, RKE/XM, STOP LP, BACK UP LP, RR DEFOG, HTD MIR and HTD ST Fuses
Entertainment Schematic Icons
Entertainment Schematic Icons
Low Speed Serial Data
G304 and G305