GM Service Manual Online
For 1990-2009 cars only

Removal Procedure


    Object Number: 1299208  Size: SH

    Notice: Twist the spark plug boot one-half turn in order to release the boot. Pull on the spark plug boot only. Do not pull on the spark plug wire or the wire could be damaged.

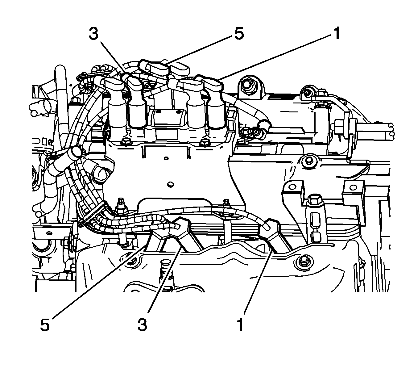
  1. Remove the spark plug wires  (2,4, and 6) from the engine left side spark plugs.
  2. Remove the spark plug wires from the retaining clips.

  3. Object Number: 1299397  Size: SH
  4. Remove the spark plug wires  (1,3, and 5) from the engine right side spark plugs.
  5. Remove the spark plug wires from the retaining clip.

  6. Object Number: 1299209  Size: SH
  7. Remove the spark plug wires (1-6) from the ignition coils.
  8. Remove the spark plug wires from the engine.
  9. If you are replacing the spark plug wires, transfer any of the following components:
  10. • Spark plug wire conduit
    • Spark plug wire retaining clips

Installation Procedure


    Object Number: 1299209  Size: SH
  1. Install the spark plug wires (1-6) to the engine.
  2. Install the spark plug wires to the ignition coils.

  3. Object Number: 1299397  Size: SH
  4. Install the spark plug wires  (1,3, and 5) to the engine right side spark plugs.
  5. Install the spark plug wires to the retaining clip.

  6. Object Number: 1299208  Size: SH
  7. Install the spark plug wires  (2,4, and 6) to the engine left side spark plugs.
  8. Install the spark plug wires to the retaining clips.