GM Service Manual Online
For 1990-2009 cars only

Transmission Brace Replacement LX9 to MN5

Removal Procedure

  1. Remove the right front tire and wheel assembly. Refer to Tire and Wheel Removal and Installation .
  2. Raise and support the vehicle. Refer to Lifting and Jacking the Vehicle .

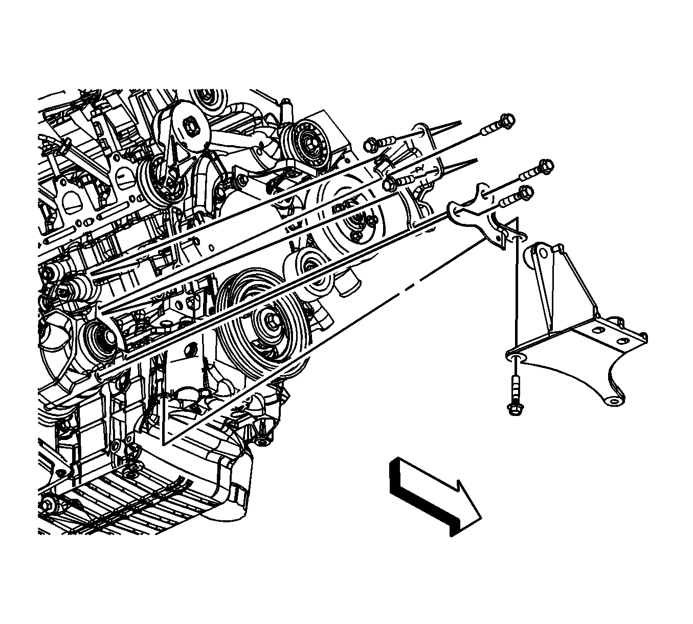
  3. Object Number: 1695442  Size: SH
  4. Remove the transaxle brace bolts.
  5. Remove the transaxle brace.

Installation Procedure


    Object Number: 1695442  Size: SH
  1. Install the transaxle brace.
  2. Notice: Refer to Fastener Notice in the Preface section.

  3. Install the transaxle brace bolts.
  4. Tighten
    Tighten the bolts to 50 N·m (37 lb ft).

  5. Install the right front tire and wheel assembly. Refer to Tire and Wheel Removal and Installation .
  6. Lower the vehicle.

Transmission Brace Replacement LX9 to MN5

Removal Procedure

  1. Raise and support the vehicle. Refer to Lifting and Jacking the Vehicle .

  2. Object Number: 1695448  Size: SH
  3. Remove the transaxle brace bolts.
  4. Remove the transaxle brace.

Installation Procedure


    Object Number: 1695448  Size: SH
  1. Install the transaxle brace.
  2. Notice: Refer to Fastener Notice in the Preface section.

  3. Install the transaxle brace bolts.
  4. Tighten
    Tighten the bolts to 50 N·m (37 lb ft).

  5. Lower the vehicle.

Transmission Brace Replacement LX9 to MN5

Removal Procedure

  1. Raise and support the vehicle. Refer to Lifting and Jacking the Vehicle .

  2. Object Number: 1695456  Size: SH
  3. Remove the transaxle brace bolts.
  4. Remove the transaxle brace.

Installation Procedure


    Object Number: 1695456  Size: SH
  1. Install the transaxle brace.
  2. Notice: Refer to Fastener Notice in the Preface section.

  3. Install the transaxle brace bolts.
  4. Tighten
    Tighten the bolts to 30 N·m (22 lb ft).

  5. Lower the vehicle.