GM Service Manual Online
For 1990-2009 cars only
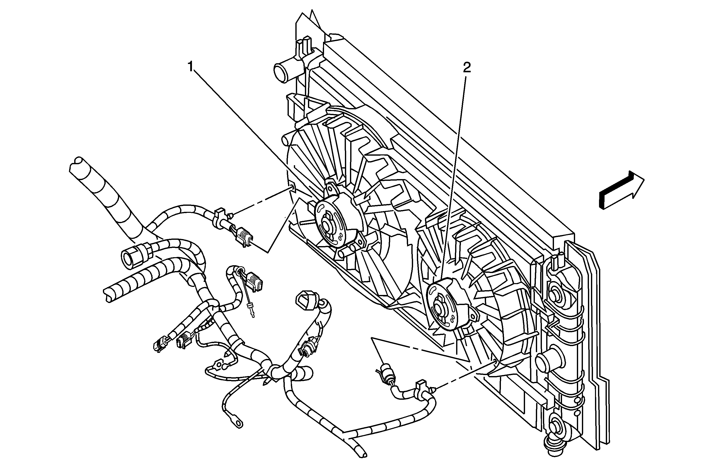
Figure 1:

Front of Engine Compartment


Object Number: 1265615  Size: MF
(1)Cooling Fan - Left
(2)Cooling Fan - Right
Figure 2:

Left Rear of Engine Compartment


Object Number: 1264030  Size: MF
(1)Coolant Level Switch
(2)Battery
(3)Electronic Brake Control Module (EBCM)
(4)C101
(5)G103
(6)Fuse Block - Underhood
(7)Powertrain Control Module (PCM)
(8)Powertrain Control Module (PCM), C3
(9)Powertrain Control Module (PCM), C2
(10)Powertrain Control Module (PCM), C1