GM Service Manual Online
For 1990-2009 cars only
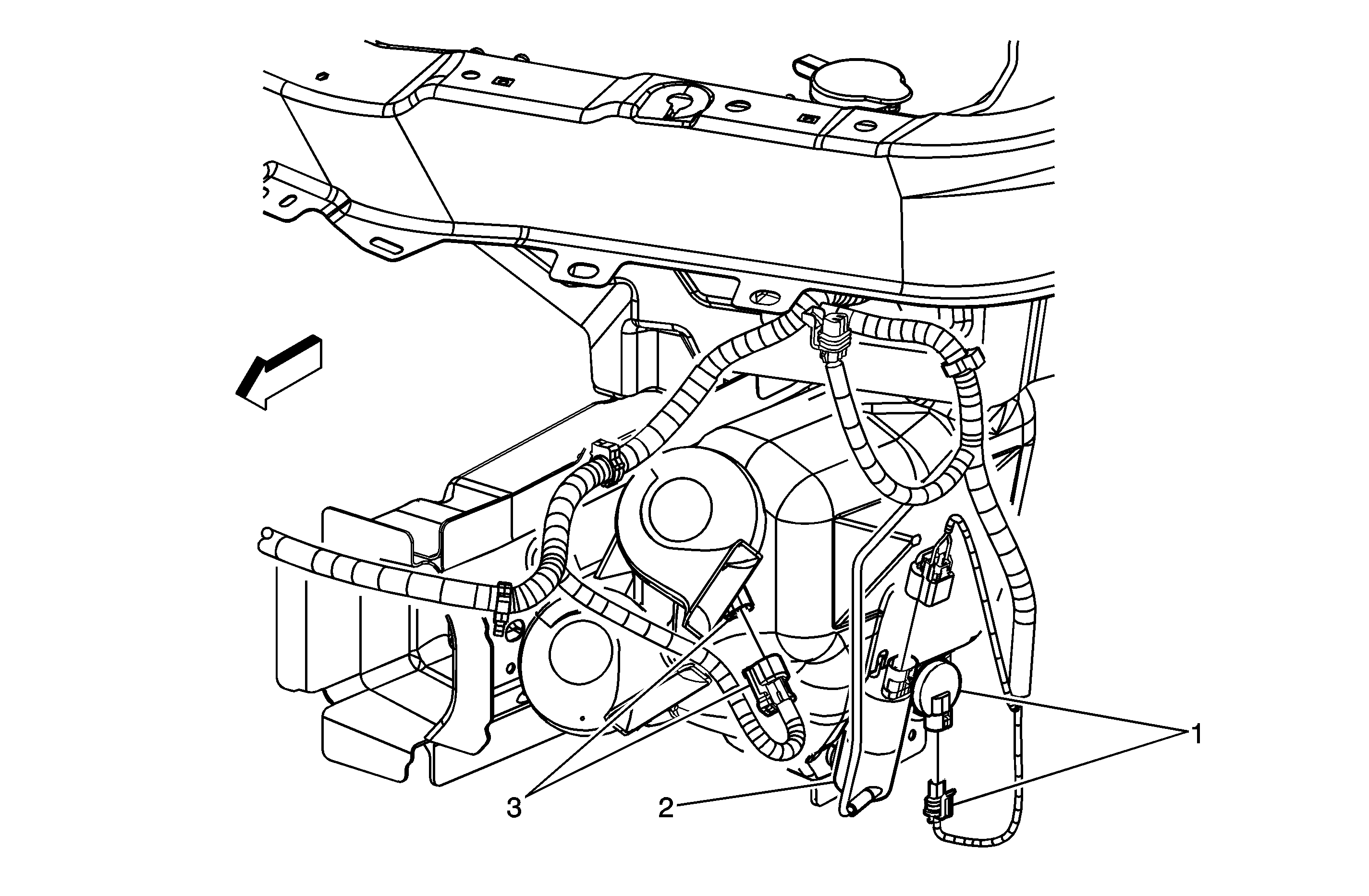
Figure 1:

Left Front Fender Well


Object Number: 1266735  Size: MF
(1)Windshield Washer Fluid Level Switch
(2)Front/Rear Window Washer Fluid Pump (C25)/Windshield Washer Fluid Pump (w/o C25)
(3)Horn Assembly
Figure 2:

Under Cowl Panel


Object Number: 1266754  Size: MF
(1)Windshield Wiper Motor Assembly
Figure 3:

Instrument Panel


Object Number: 1506738  Size: LF
(1)Turn Signal/Multifunction Switch
(2)Steering Wheel Controls - Left
(3)Instrument Panel Cluster (IPC)
(4)Steering Wheel Controls - Right
(5)Windshield Wiper/Washer Switch
(6)Ignition Switch
(7)Ambient Light Sensor
(8)Hazard Switch
(9)Radio
(10)Inflatable Restraint I/P Module
(11)Rear Window Defogger Switch
(12)Traction Control Switch (NW7/NW9)
(13)Cigar Lighter
(14)A/C Request Switch
(15)HVAC Control Module
(16)Inflatable Restraint Steering Wheel Module
(17)Fog Lamp Switch
(18)I/P Dimmer Switch
(19)Adjustable Pedals Position Switch