GM Service Manual Online
For 1990-2009 cars only

    Object Number: 293254  Size: SH

    Notice: The new SIR coil assembly will be centered. Improper alignment of the SIR coil assembly may damage the unit, causing an inflatable restraint malfunction.

  1. Verify the following conditions before centering the SIR coil:
  2. • The wheels on the vehicle are straight ahead.
    • The block tooth and the centering mark (1) of the steering shaft assembly is in the 12 o'clock position.

    Object Number: 1230512  Size: SH
  3. Hold the SIR coil with the face up (1) by the casing (2).
  4. 2.1. Slowly turn the coil hub clockwise (3) until the coil ribbon stops.
    2.2. Rotate the coil hub slowly, counterclockwise (4) 2.5 revolutions.

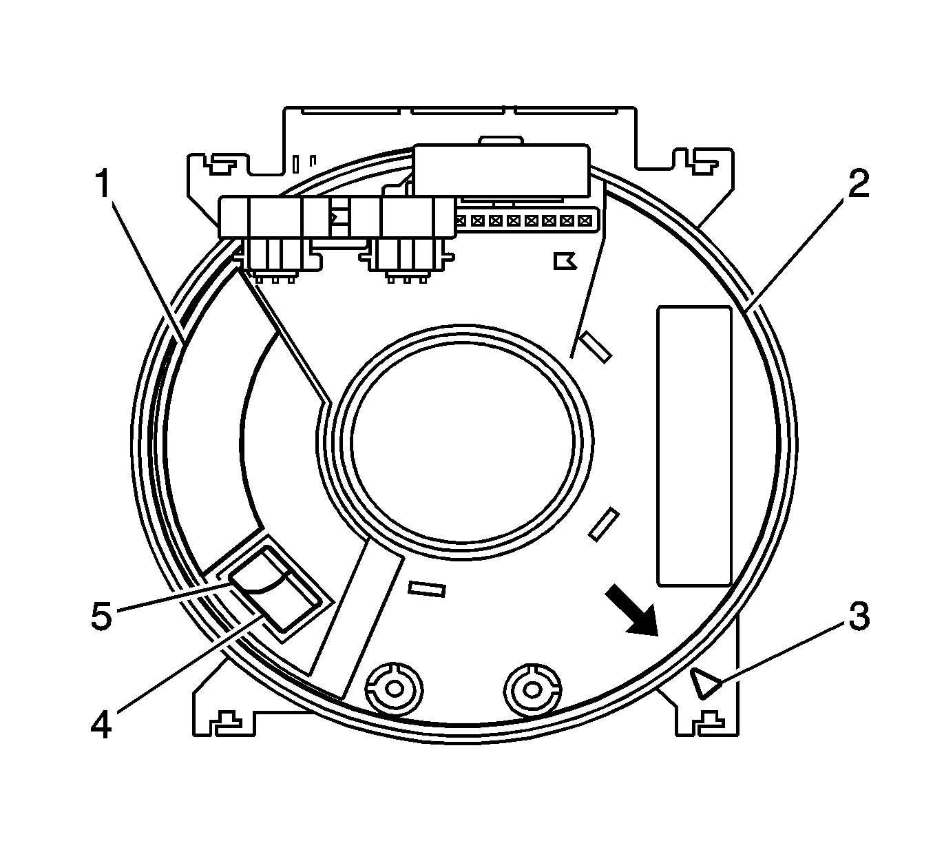
    Object Number: 1230501  Size: SH
  5. Verify that the ribbon cable (5) is present within the centering window (4).
  6. 3.1. Verify that the sub-stator (3) and rotator (2) arrows are aligned.
    3.2. Slide the centered SIR coil onto the steering shaft assembly.