GM Service Manual Online
For 1990-2009 cars only

Tools Required

    • J 2619-01 Slide Hammer
    • J 5590 Crankshaft Sprocket Installer
    • J 22912-B Split Plate Bearing Puller
    • J 44380 Bearing Race Remover
    • J 44737 Bearing Remover
    • J 44754 Bearing Remover
    • J 44755 Holding Fixture

    Object Number: 630583  Size: SH
  1. Remove the drain plug (1) from the extension housing. Allow the gear oil to drain.

  2. Object Number: 630590  Size: SH
  3. Remove the drain plug (1) from the left case. Allow the transmission oil to drain.

  4. Object Number: 746869  Size: SH
  5. Install the transfer case assembly (1) onto the J 44755  (3). Position the carrier onto the post of the fixture.
  6. Notice: Use the correct fastener in the correct location. Replacement fasteners must be the correct part number for that application. Fasteners requiring replacement or fasteners requiring the use of thread locking compound or sealant are identified in the service procedure. Do not use paints, lubricants, or corrosion inhibitors on fasteners or fastener joint surfaces unless specified. These coatings affect fastener torque and joint clamping force and may damage the fastener. Use the correct tightening sequence and specifications when installing fasteners in order to avoid damage to parts and systems.

  7. Install the retaining bolts (2).
  8. Tighten
    Tighten the bolts to 50 N·m (37 lb ft).


    Object Number: 630581  Size: SH
  9. Remove the hose and clamp assembly (1), vent hose with bracket (2), and bolt (3).

  10. Object Number: 630579  Size: SH
  11. Remove the speed sensor (1).
  12. Remove the O-ring seal from the sensor, if required. The O-ring seal may be reused if not cut or damaged.

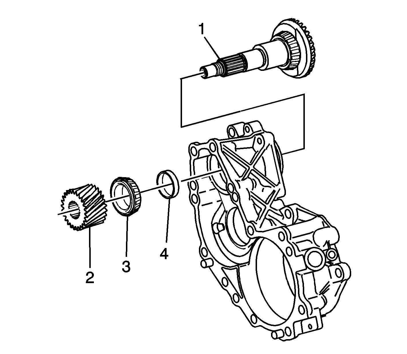
  13. Object Number: 630584  Size: SH
  14. Remove the extension housing assembly (1), bolts (3), and shim (2). Mark or tag the shim for assembly.

  15. Object Number: 754966  Size: SH
  16. If reusing the drivenshaft bearings, measure in both directions, the rotating torque of the drivenshaft and record the value for assembly.

  17. Object Number: 746838  Size: SH
  18. Install the extension housing assembly (3) and the M8 x 1.25 bolts (1) to the J 44755  (2).
  19. Tighten
    Tighten the bolts to 25 N·m (18 lb ft).


    Object Number: 630580  Size: SH
  20. Remove the nut (1).
  21. Remove the extension housing assembly and bolts from J 44755 .

  22. Object Number: 630586  Size: SH
  23. Position the extension housing assembly into a press.

  24. Object Number: 630587  Size: SH
  25. Remove the flange (1), spacer (5), and shaft (9) from the housing (6). Discard the spacer (5).
  26. Remove the oil seal (2) and bearing (3).

  27. Object Number: 746858  Size: SH
  28. Use the J 44380  (2) and the J 2619-01  (1) in order to remove the bearing races from the housing (3), if required.

  29. Object Number: 630582  Size: SH
  30. Install J 22912-B  (1) or equivalent onto the shaft.
  31. Position the shaft into a press.
  32. Remove the bearing from the shaft.

  33. Object Number: 630588  Size: SH
  34. Remove the bolts (1 and 5), housing (2), shim (3), and O-ring seal (4) from the left case. Mark or tag the shim for assembly.

  35. Object Number: 630591  Size: SH
  36. Remove the bolts (1) from the case.

  37. Object Number: 630592  Size: SH

    Important: When separating the case halves, avoid damage to the sealing surfaces. Do not insert a screwdriver or prying tool between the case sealing surfaces.

  38. Rotate the J 44755 90 degrees.
  39. Separate the right case (2) from the left case (1).

  40. Object Number: 630596  Size: SH
  41. Remove the idler gear (1) from the right case.

  42. Object Number: 659130  Size: SH
  43. Note the installed position of the idler gear. The side of the gear with the longer flange area (1) is to be installed to the right case.

  44. Object Number: 746835  Size: SH
  45. Install the J 22912-B  (1) onto the gear (2).
  46. Position the gear into a press.

  47. Object Number: 659131  Size: SH
  48. Remove the bearings (1 and 3) from the gear (2).

  49. Object Number: 746840  Size: SH
  50. Install the left case (2) onto the J 44755  (1). Align the notched area of the tool with the flat areas of the driveshaft.

  51. Object Number: 630593  Size: SH
  52. Remove the nut (1) from the driveshaft.

  53. Object Number: 630594  Size: SH
  54. Position the left case into a press.

  55. Object Number: 1486537  Size: SH
  56. Remove the gear (2), bearing (3), shim (4), and shaft (1) from the left case. Mark or tag the shim for assembly.

  57. Object Number: 746861  Size: SH
  58. Use the J 44380  (2) and the J 2619-01  (1) in order to remove the outer bearing race from the left case (3).

  59. Object Number: 1486545  Size: SH
  60. Remove the inner bearing race from the left case.

  61. Object Number: 1486552  Size: SH
  62. Remove the oil seals (1) from the left case.

  63. Object Number: 630582  Size: SH
  64. Install the J 22912-B  (1) or equivalent onto the shaft.
  65. Position the shaft into a press.
  66. Remove the bearing from the shaft.

  67. Object Number: 746844  Size: SH
  68. Install J 44380  (2) into the left case idler gear bearing race.
  69. Install J 2619-01  (1) to J 44380  (2).

  70. Object Number: 754865  Size: SH
  71. Remove the idler gear bearing race (1) from the left case.

  72. Object Number: 746847  Size: SH
  73. Install the right case (1) onto the J 44755  (2). Position the carrier onto the post of the fixture.

  74. Object Number: 630589  Size: SH
  75. Remove the oil seal (1) from the right case.

  76. Object Number: 630597  Size: SH
  77. Remove the nut (1) from the carrier.

  78. Object Number: 630598  Size: SH
  79. Position the right case into a press.
  80. Install the J 5590  (1) to the differential carrier.

  81. Object Number: 1486583  Size: SH
  82. Remove the bearing (1), shim (3) and differential carrier (4) from the right case (2). Mark or tag the shim for assembly.

  83. Object Number: 746865  Size: SH
  84. Use the J 44380  (2) and the J 2619-01  (1) in order to remove the bearing races from the right case (3), if required.

  85. Object Number: 746849  Size: SH
  86. Install the J 44754  (1) over the differential carrier bearing.

  87. Object Number: 746852  Size: SH
  88. Install the J 22912-B  (3) over the J 44754  (2). Tighten until snug.
  89. Position the carrier and J 5590  (1) into a press in order to remove the bearing.

  90. Object Number: 746853  Size: SH
  91. Install the J 44380  (2) into the right case idler gear bearing race.
  92. Install J 2619-01  (1) to J 44380  (2).

  93. Object Number: 659159  Size: SH
  94. Remove the bearing race (1) and shim (2). Mark or tag the shim for assembly.

  95. Object Number: 746855  Size: SH
  96. Install the J 44737  (2) into the driveshaft bearing. Tighten the tool until snug.
  97. Install the J 2619-01  (1) to the J 44737  (2).

  98. Object Number: 659159  Size: SH
  99. Remove the bearing (3) from the right case.

  100. Object Number: 630600  Size: SH
  101. Remove the roll pin (2) and shaft (1) from the differential carrier, if required.

  102. Object Number: 630603  Size: SH
  103. Remove the side gears (2), pinion gears (3), and washers (1 and 4) from the carrier, if required.

  104. Object Number: 630604  Size: SH
  105. Remove the ring (10) from the carrier, if required.
  106. Remove the pin (9), gear (3) and washers (1, 2, 7, and 8) from the carrier, if required.
  107. Remove the needle bearings (4 and 6) and washer (5) from the gear (3), if required.