GM Service Manual Online
For 1990-2009 cars only

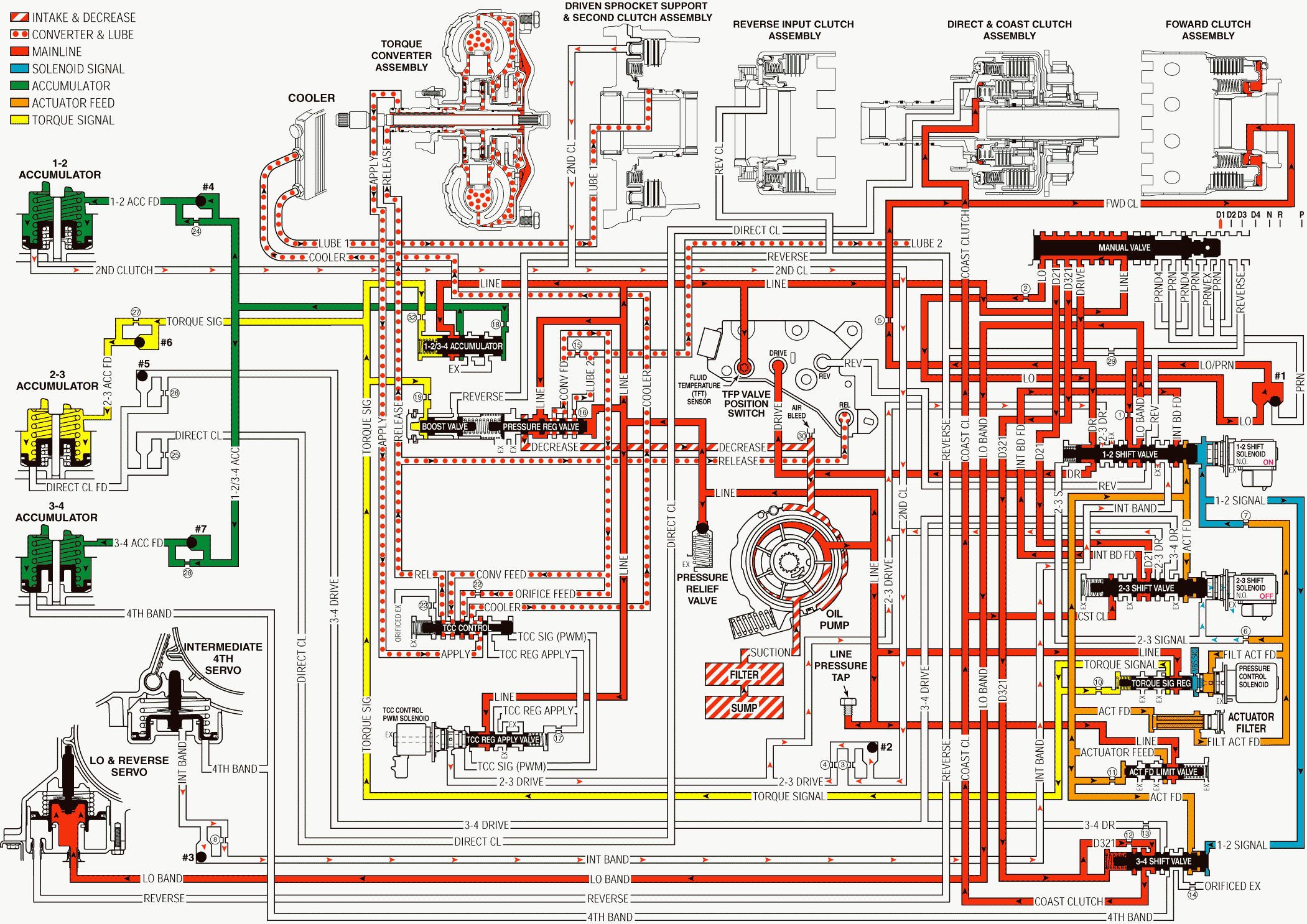
Drive Range, Manual First (from Drive, Manual Second) W/O Electronic Range Select Mode

Important: As a safety feature, Manual First - Third Gear is also possible at high speeds.

A manual 2-1 downshift is initiated by moving the gear selector lever to the Manual First (1) position. However, the transmission will not downshift into First gear until the vehicle speed is below approximately 60 km/h (37 mph). At higher vehicle speeds the PCM will keep the 1-2 shift solenoid valve de-energized (Off) and the transmission will operate in Manual First - Second Gear. In Manual First the transmission is electronically prevented from upshifting into Third or Fourth gears under any conditions. Also, the coast clutch remains applied, as in Manual Third and Manual Second, and the clutch provides engine compression braking in First and Second gears.

Manual Valve

Line pressure is routed into the Low fluid circuit when the selector lever is moved into the Manual First (1) position. Line pressure continues to feed the Drive, the D321, and the D21 fluid circuits as in Manual Second.

A/T Fluid Pressure Manual Valve Position Switch (TFP Val. Position Sw.) Assembly

Low fluid pressure is routed to the TFP Val. Position Sw. Assembly, which signals to the PCM that the manual valve is in the Manual First position.

#1 Checkball (Low/PRN)

Low fluid pressure seats the #1 checkball against the PRN fluid circuit and this pressure fills the Low/PRN fluid circuit. Low/PRN fluid is routed to the 1-2 shift valve.

1-2 Shift Solenoid Valve

The PCM energizes the 1-2 shift solenoid valve when vehicle speed is below approximately 48-56 km/h (30-35 mph). The 1-2 signal fluid is blocked from exhausting through the solenoid valve.

1-2 Shift Valve

The 1-2 signal fluid pressure shifts the valve into the downshifted position against a spring force, and the following changes occur:

    • The 2-3 drive fluid circuit is open to an exhaust past the valve
    • The intermediate band fluid is exhausted past the valve
    • the Lo/PRN fluid is routed into the low band fluid circuit

Second Clutch Releases

Second Clutch

The Second clutch fluid exhausts from the clutch piston and through the 2-3 drive fluid circuit. This releases the Second clutch, and the transmission operates in First gear.

1-2 Accumulator

Second clutch feed fluid exhausts from the 1-2 accumulator, and the fluid exhausts past the #2 checkball and through the 2-3 drive fluid circuit. The 1-2 accumulator feed fluid fills the 1-2 accumulator as the second clutch fluid exhausts.

1-2/3-4 Accumulator Valve

The accumulator valve regulates the line pressure into the 1-2/3-4 accumulator fluid circuit in order to fill the 1-2 accumulator. Torque signal fluid pressure controls this regulation. Accumulator fluid pressure is regulated to a higher pressure with greater torque signal fluid pressure.

TCC Control Solenoid Valve

Filtered 2-3 drive fluid exhausts from the solenoid and through the 2-3 drive fluid circuit.

Intermediate Band Releases

Intermediate and Fourth Servo

Intermediate band fluid exhausts from the servo piston. A spring force moves the piston and the apply pin, and the intermediate and fourth band releases. However, the intermediate and fourth band remains applied in Manual First - Second Gear in order to achieve engine compression braking.

Low and Reverse Band Applies

Low and Reverse Servo

Low band fluid pressure is routed to the inner area of the Low and Reverse servo in order to apply the Low and Reverse band. The Low and Reverse band provides engine compression braking when the throttle is released in Manual First - First Gear.

Drive Range, Manual 1st (from Drive, Manual 2nd) - Without Electronic Range Select Mode


Object Number: 1205867  Size: FS
Channel Plate Passages (4T40-E)
Channel Plate Passages (4T40-E)
Channel Plate Passages (4T40-E)
Channel Plate Passages (4T40-E)
Channel Plate Passages (4T40-E)
Channel Plate Passages (4T40-E)
Channel Plate Passages (4T40-E)