GM Service Manual Online
For 1990-2009 cars only

If your vehicle's battery has run down, you may want to use another vehicle and some jumper cables to start your vehicle. Be sure to use the following steps to do it safely.

Caution: Batteries can hurt you. They can be dangerous because:

   • They contain acid that can burn you.
   • They contain gas that can explode or ignite.
   • They contain enough electricity to burn you.
If you do not follow these steps exactly, some or all of these things can hurt you.

Notice: Ignoring these steps could result in costly damage to the vehicle that would not be covered by the warranty.

Trying to start the vehicle by pushing or pulling it will not work, and it could damage the vehicle.

  1. Check the other vehicle. It must have a 12-volt battery with a negative ground system.
  2. Notice: If the other vehicle's system is not a 12-volt system with a negative ground, both vehicles can be damaged. Only use vehicles with 12-volt systems with negative grounds to jump start your vehicle.

  3. Get the vehicles close enough so the jumper cables can reach, but be sure the vehicles are not touching each other. If they are, it could cause a ground connection you do not want. You would not be able to start your vehicle, and the bad grounding could damage the electrical systems.
  4. To avoid the possibility of the vehicles rolling, set the parking brake firmly on both vehicles involved in the jump start procedure. Put an automatic transaxle in PARK (P) or a manual transaxle in NEUTRAL before setting the parking brake.

    Notice: If you leave the radio or other accessories on during the jump starting procedure, they could be damaged. The repairs would not be covered by the warranty. Always turn off the radio and other accessories when jump starting the vehicle.

  5. Turn off the ignition on both vehicles. Unplug unnecessary accessories plugged into the cigarette lighter or the accessory power outlet. Turn off the radio and all lamps that are not needed. This will avoid sparks and help save both batteries. And it could save the radio!
  6. Open the hoods and locate the batteries. Find the positive (+) and negative (-) terminal locations on each vehicle. See Engine Compartment Overview for more information on location.
  7. Caution: An electric fan can start up even when the engine is not running and can injure you. Keep hands, clothing and tools away from any underhood electric fan.

    Caution: Using a match near a battery can cause battery gas to explode. People have been hurt doing this, and some have been blinded. Use a flashlight if you need more light.

    Be sure the battery has enough water. You do not need to add water to the battery installed in your new vehicle. But if a battery has filler caps, be sure the right amount of fluid is there. If it is low, add water to take care of that first. If you do not, explosive gas could be present.

    Battery fluid contains acid that can burn you. Do not get it on you. If you accidentally get it in your eyes or on your skin, flush the place with water and get medical help immediately.

  8. Check that the jumper cables do not have loose or missing insulation. If they do, you could get a shock. The vehicles could be damaged too.
  9. Before you connect the cables, here are some things you should know. Positive (+) will go to positive (+) or to a remote positive (+) terminal if the vehicle has one. Negative (-) will go to a heavy, unpainted metal engine part or to a remote negative (-) terminal if the vehicle has one.

    Do not connect positive (+) to negative (-) or you will get a short that would damage the battery and maybe other parts too. And do not connect the negative (-) cable to the negative (-) terminal on the dead battery because this can cause sparks.

    Caution: Fans or other moving engine parts can injure you badly. Keep your hands away from moving parts once the engine is running.


    Object Number: 1400553  Size: B3
  10. Connect the red positive (+) cable to the positive (+) terminal of the dead battery.
  11. Do not let the other end touch metal. Connect it to the positive (+) terminal of the good battery. Use a remote positive (+) terminal if the vehicle has one.
  12. Now connect the black negative (-) cable to the negative (-) terminal of the good battery. Use a remote negative (-) terminal if the vehicle has one.
  13. Do not let the other end touch anything until the next step. The other end of the negative (-) cable does not go to the dead battery. It goes to a heavy, unpainted metal engine part or to a remote negative (-) terminal on the vehicle with the dead battery.

  14. Connect the other end of the negative (-) cable at least 18 inches (45 cm) away from the dead battery, but not near engine parts that move. The electrical connection is just as good there, and the chance of sparks getting back to the battery is much less.
  15. If the security light flashes, wait until the light stops flashing.

  16. Now start the vehicle with the good battery and run the engine for a while.
  17. Try to start the vehicle that had the dead battery. If it will not start after a few tries, it probably needs service.

Notice: If the jumper cables are connected or removed in the wrong order, electrical shorting may occur and damage the vehicle. The repairs would not be covered by the vehicle warranty. Always connect and remove the jumper cables in the correct order, making sure that the cables do not touch each other or other metal.

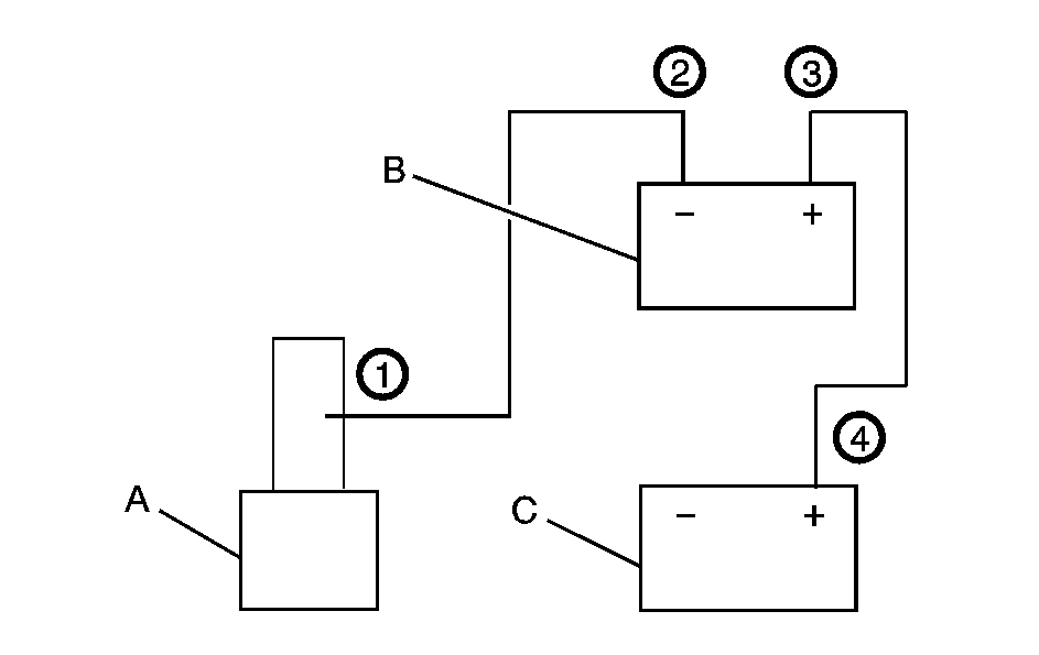
Jumper Cable Removal


Object Number: 812553  Size: B3
  1. Heavy, Unpainted Metal Engine Part

  2. Good Battery

  3. Dead Battery

To disconnect the jumper cables from both vehicles, do the following:

  1. Disconnect the black negative (-) cable from the vehicle that had the dead battery.
  2. Disconnect the black negative (-) cable from the vehicle with the good battery.
  3. Disconnect the red positive (+) cable from the vehicle with the good battery.
  4. Disconnect the red positive (+) cable from the other vehicle.

If your vehicle's battery has run down, you may want to use another vehicle and some jumper cables to start your vehicle. Be sure to use the following steps to do it safely.

Caution: Batteries can hurt you. They can be dangerous because:

   • They contain acid that can burn you.
   • They contain gas that can explode or ignite.
   • They contain enough electricity to burn you.
If you do not follow these steps exactly, some or all of these things can hurt you.

Notice: Ignoring these steps could result in costly damage to the vehicle that would not be covered by the warranty.

Trying to start the vehicle by pushing or pulling it will not work, and it could damage the vehicle.

  1. Check the other vehicle. It must have a 12-volt battery with a negative ground system.
  2. Notice: If the other vehicle's system is not a 12-volt system with a negative ground, both vehicles can be damaged. Only use vehicles with 12-volt systems with negative grounds to jump start your vehicle.

  3. Get the vehicles close enough so the jumper cables can reach, but be sure the vehicles are not touching each other. If they are, it could cause a ground connection you do not want. You would not be able to start your vehicle, and the bad grounding could damage the electrical systems.
  4. To avoid the possibility of the vehicles rolling, set the parking brake firmly on both vehicles involved in the jump start procedure. Put an automatic transmission in PARK (P) or a manual transmission in NEUTRAL before setting the parking brake.

    Notice: If you leave the radio or other accessories on during the jump starting procedure, they could be damaged. The repairs would not be covered by the warranty. Always turn off the radio and other accessories when jump starting the vehicle.

  5. Turn off the ignition on both vehicles. Unplug unnecessary accessories plugged into the cigarette lighter or the accessory power outlets. Turn off the radio and all lamps that are not needed. This will avoid sparks and help save both batteries. And it could save the radio!
  6. Open the hood on the other vehicle and locate the positive (+) and negative (-) terminal locations on that vehicle.
  7. You will not use your vehicle's battery for jump starting. It has a remote positive (+) jump starting terminal, located on the underhood fuse block, for that purpose. See Engine Compartment Overview for more information on location.

    3.8L V6 Engine shown, 3.6L V6 Engine similar


    Object Number: 871917  Size: A3

    To uncover the remote positive (+) terminal, press the tab at the bottom of the fuse block and lift the cover up.

  8. Always use the remote positive (+) terminal instead of the positive (+) terminal on the battery.
  9. Caution: An electric fan can start up even when the engine is not running and can injure you. Keep hands, clothing and tools away from any underhood electric fan.

    Caution: Fans or other moving engine parts can injure you badly. Keep your hands away from moving parts once the engine is running.

    Caution: Using a match near a battery can cause battery gas to explode. People have been hurt doing this, and some have been blinded. Use a flashlight if you need more light.

    Be sure the battery has enough water. You do not need to add water to the battery installed in your new vehicle. But if a battery has filler caps, be sure the right amount of fluid is there. If it is low, add water to take care of that first. If you do not, explosive gas could be present.

    Battery fluid contains acid that can burn you. Do not get it on you. If you accidentally get it in your eyes or on your skin, flush the place with water and get medical help immediately.

  10. Check that the jumper cables do not have loose or missing insulation. If they do, you could get a shock. The vehicles could be damaged too.
  11. Before you connect the cables, here are some basic things you should know. Positive (+) will go to positive (+) or to a remote positive (+) terminal if the vehicle has one. Negative will go to a heavy, unpainted metal engine part or to a remote negative (-) terminal if the vehicle has one.

    Do not connect positive (+) to negative (-), or you will get a short that would damage the battery and maybe other parts too. And do not connect the negative (-) cable to the negative (-) terminal on the dead battery because this can cause sparks.

    3.8L V6 Engine shown, 3.6L V6 Engine similar


    Object Number: 871918  Size: B3
  12. Connect the red positive (+) cable to the positive (+) terminal location on the vehicle with the dead battery. Use a remote positive (+) terminal if the vehicle has one.
  13. Do not let the other end touch metal. Connect it to the positive (+) terminal location on the vehicle with the good battery. Use a remote positive (+) terminal if the vehicle has one.
  14. Now connect the black negative (-) cable to the negative (-) terminal location on the vehicle with the good battery. Use a remote negative (-) terminal if the vehicle has one.
  15. Do not let the other end touch anything until the next step. The other end of the negative (-) cable does not go to the dead battery. It goes to a heavy, unpainted metal engine part or to a remote negative (-) terminal on the vehicle with the dead battery.

  16. Connect the other end of the negative (-) cable at least 18 inches (45 cm) away from the dead battery, but not near engine parts that move. The electrical connection is just as good there, and the chance of sparks getting back to the battery is much less.
  17. Now start the vehicle with the good battery and run the engine for a while.
  18. Try to start the vehicle that had the dead battery. If it will not start after a few tries, it probably needs service.

Notice: If the jumper cables are connected or removed in the wrong order, electrical shorting may occur and damage the vehicle. The repairs would not be covered by the vehicle warranty. Always connect and remove the jumper cables in the correct order, making sure that the cables do not touch each other or other metal.

  1. Jumper Cable Removal


    Object Number: 812553  Size: B3

    Heavy, Unpainted Metal Engine Part

  2. Good Battery or Remote Positive (+) Terminal

  3. Dead Battery or Remote Positive (+) Terminal

To disconnect the jumper cables from both vehicles, do the following:

  1. Disconnect the black negative (-) cable from the vehicle that had the dead battery.
  2. Disconnect the black negative (-) cable from the vehicle with the good battery.
  3. Disconnect the red positive (+) cable from the vehicle with the good battery.
  4. Disconnect the red positive (+) cable from the other vehicle.
  5. Return the fuse block cover to its original position.