GM Service Manual Online
For 1990-2009 cars only
Makes
🢒
Generic
🢒
2005
🢒
Unit Repair
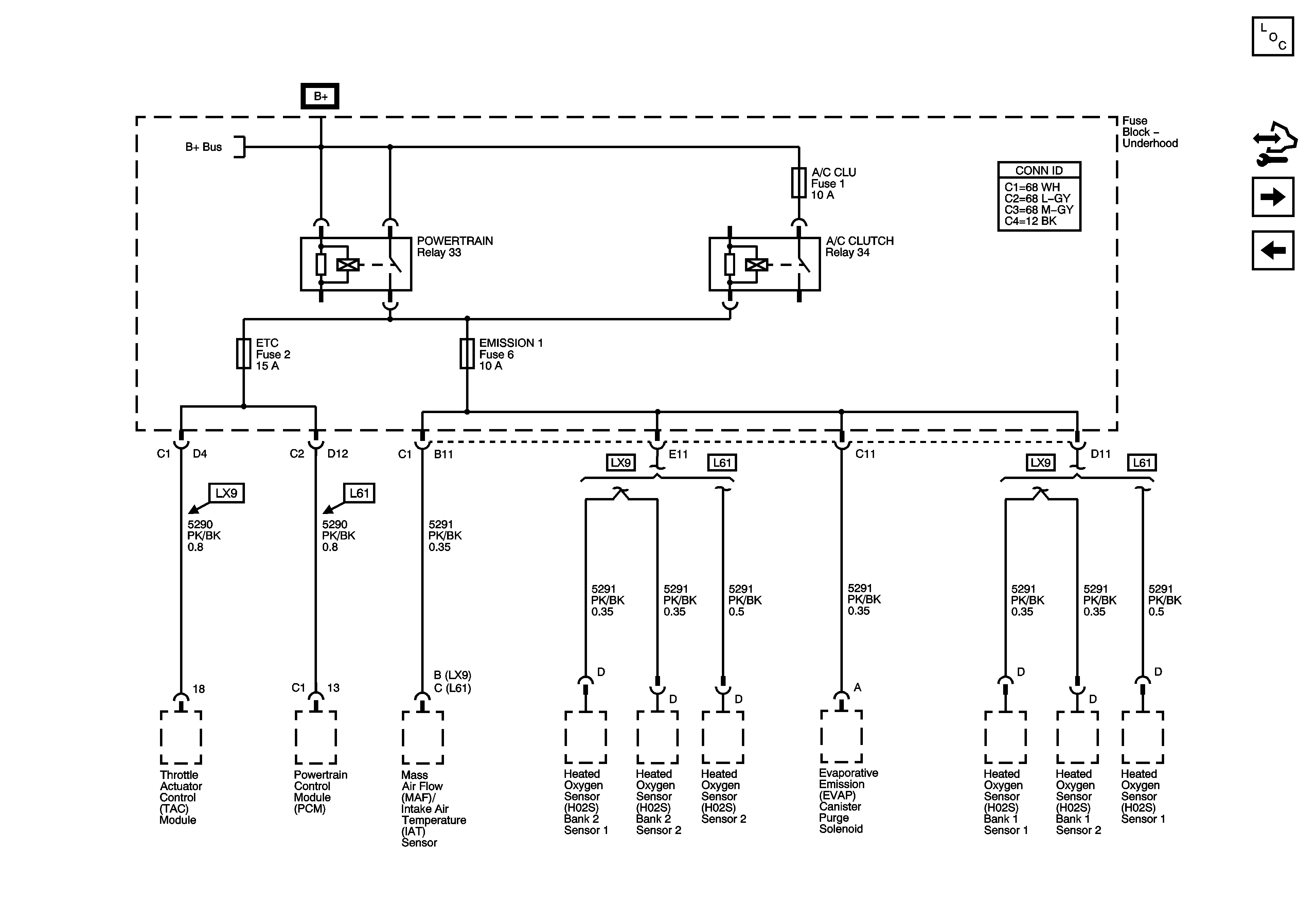
🢒 Air, A/C Clutch, ECT IGN, ERLS #1 Fuses
Air, A/C Clutch, ECT IGN, ERLS #1 Fuses
AIR, A/C Clutch, ECT IGN, ERLS#1 Fuses
Master Electrical Component List
Control Module References
Underhood Junction Block - ICBM Batt2, BCM - PWR Windows, Wiper Sw, Sunroof/HTD Seat Fuses
Run/Crank ICBM, Transmission, Injectors, ABS, PCM IGN, IGN Fuses
B+ Bussing