GM Service Manual Online
For 1990-2009 cars only
Makes
🢒
Generic
🢒
2005
🢒
Unit Repair
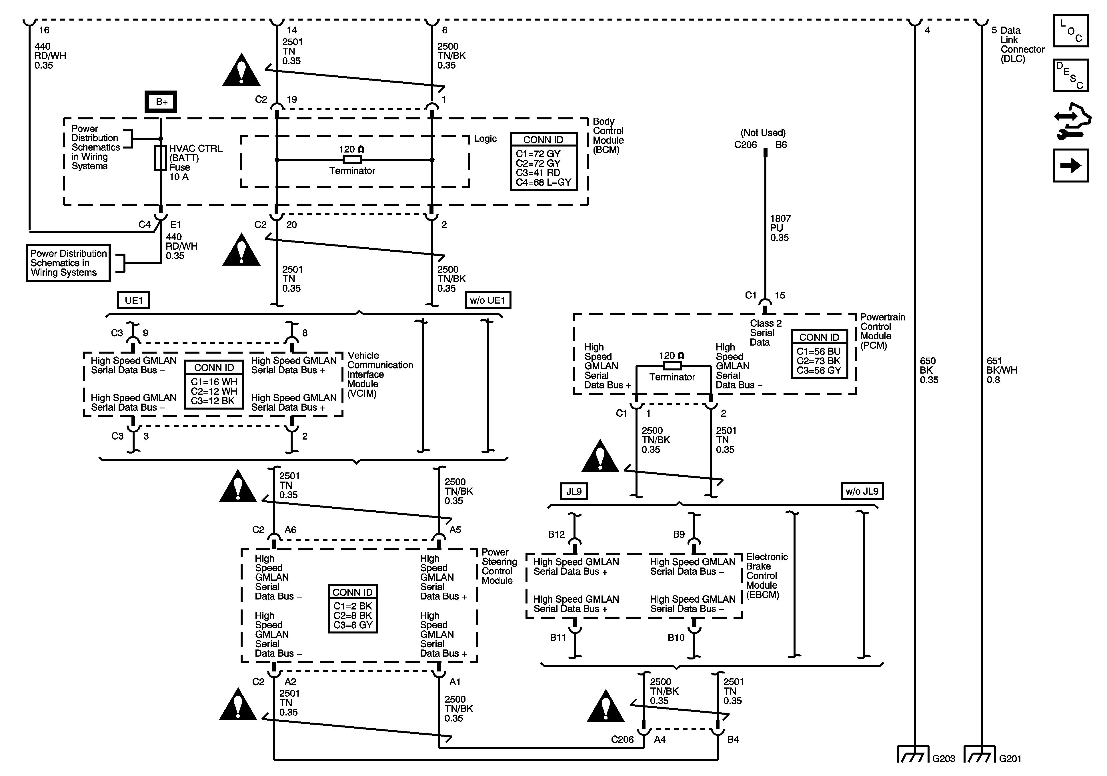
🢒 Power, Ground, Class2 and High Speed Serial Data
Power, Ground, Class2 and High Speed Serial Data
Power, Ground, Class 2 and High Speed Serial Data
Master Electrical Component List
Data Link Communications Description and Operation
Control Module References
Low Speed Serial Data
Underhood Fuse Block IBCM 1, Body Control Module (BCM) RADIO, IGN SENSOR, HVAC HEAD/ECC, CLUSTER/THEFT and AIR BAG BATT Fuses
Underhood Fuse Block IBCM 1, Body Control Module (BCM) RADIO, IGN SENSOR, HVAC HEAD/ECC, CLUSTER/THEFT and AIR BAG BATT Fuses
Computer/Integrating Systems Schematic Icons
Computer/Integrating Systems Schematic Icons
Computer/Integrating Systems Schematic Icons
Computer/Integrating Systems Schematic Icons
Computer/Integrating Systems Schematic Icons
Computer/Integrating Systems Schematic Icons
G203
G201