GM Service Manual Online
For 1990-2009 cars only
Makes
🢒
Generic
🢒
2005
🢒
Unit Repair
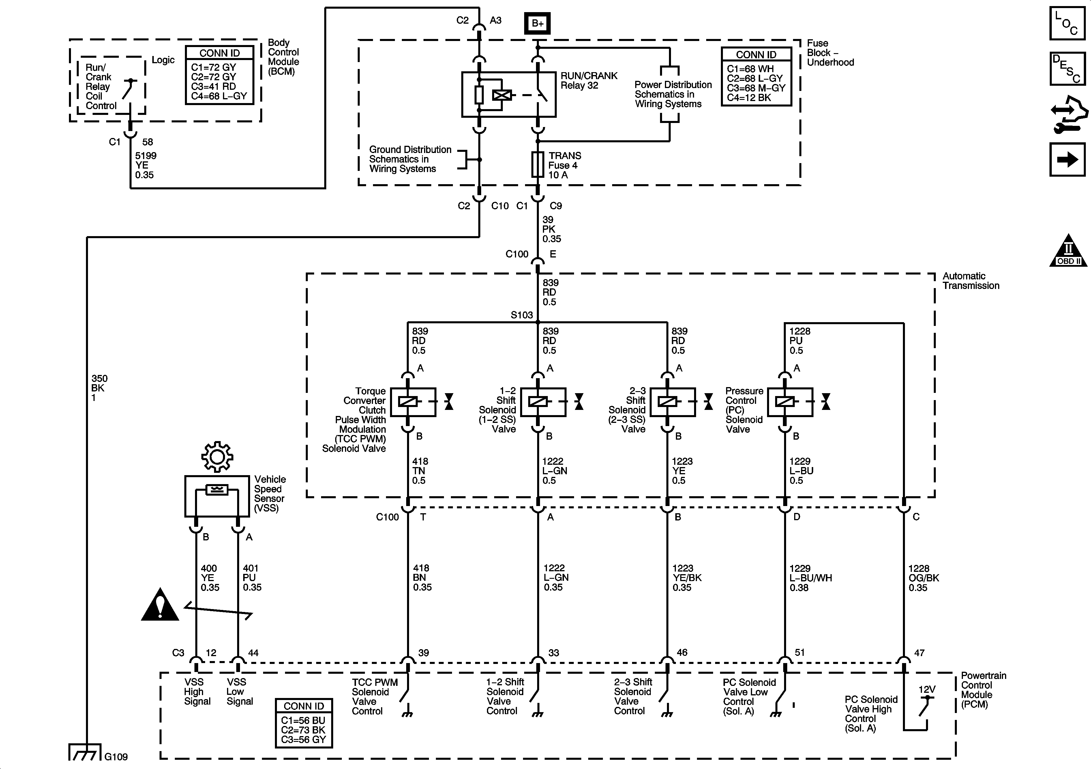
🢒 Transmission Solenoids and VSS
Transmission Solenoids and VSS
Transmission Solenoids and VSS
Master Electrical Component List
Transmission General Description
Control Module References
Transmission Switches, TFT and A/T ISS Sensor
Automatic Transmission Schematic Icons
Underhood Fuse Block IBCM (R/C), TRANS, INJ, ABS, PCM and IGN 1 Fuses