GM Service Manual Online
For 1990-2009 cars only
Makes
🢒
Generic
🢒
2005
🢒
Unit Repair
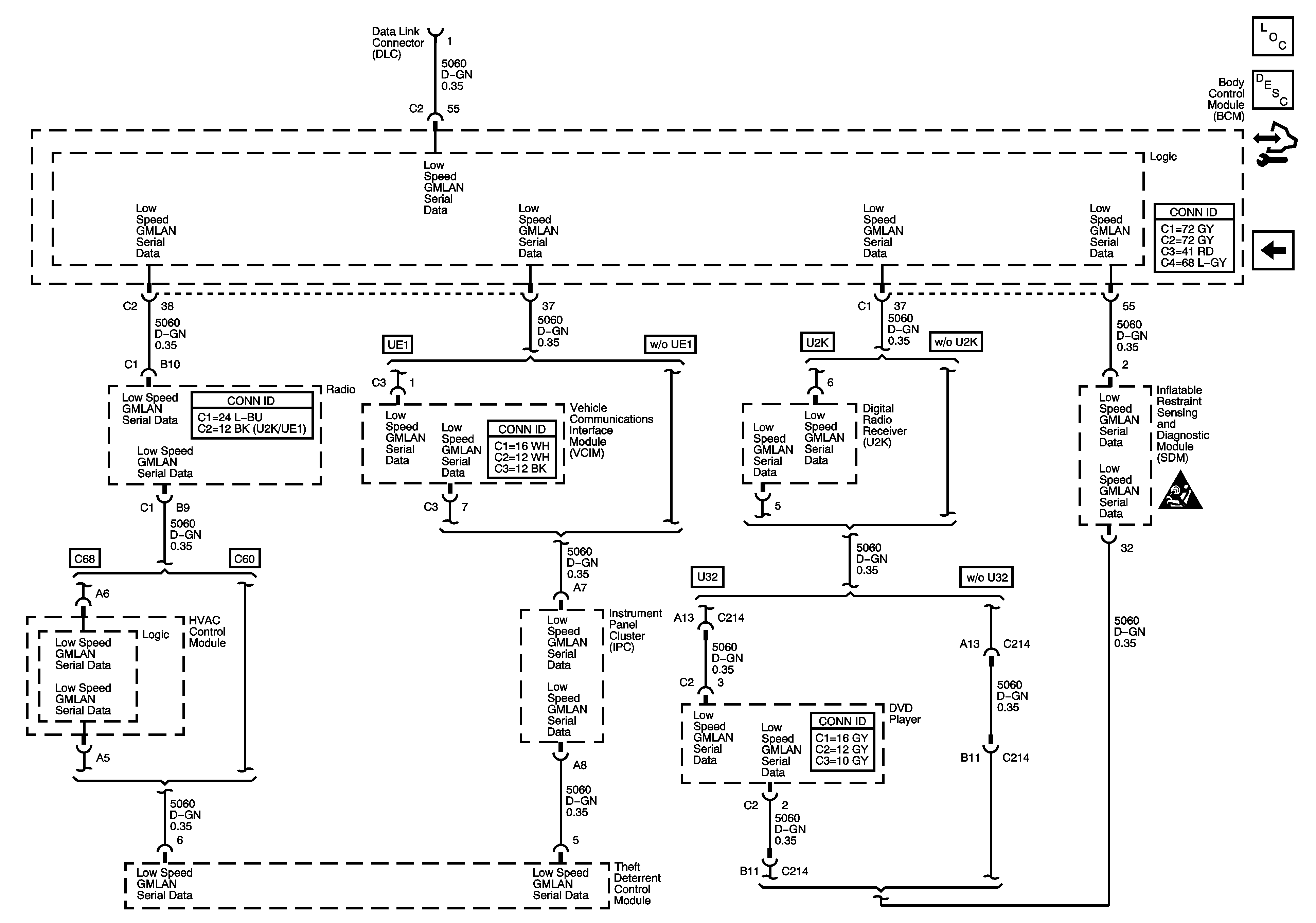
🢒 Low Speed Serial Data
Low Speed Serial Data
Low Speed Serial Data
Master Electrical Component List
Data Link Communications Description and Operation
Control Module References
Power, Ground, Class 2 and High Speed Serial Data
SIR Caution for Zoning