GM Service Manual Online
For 1990-2009 cars only
Makes
🢒
Generic
🢒
2005
🢒
Unit Repair
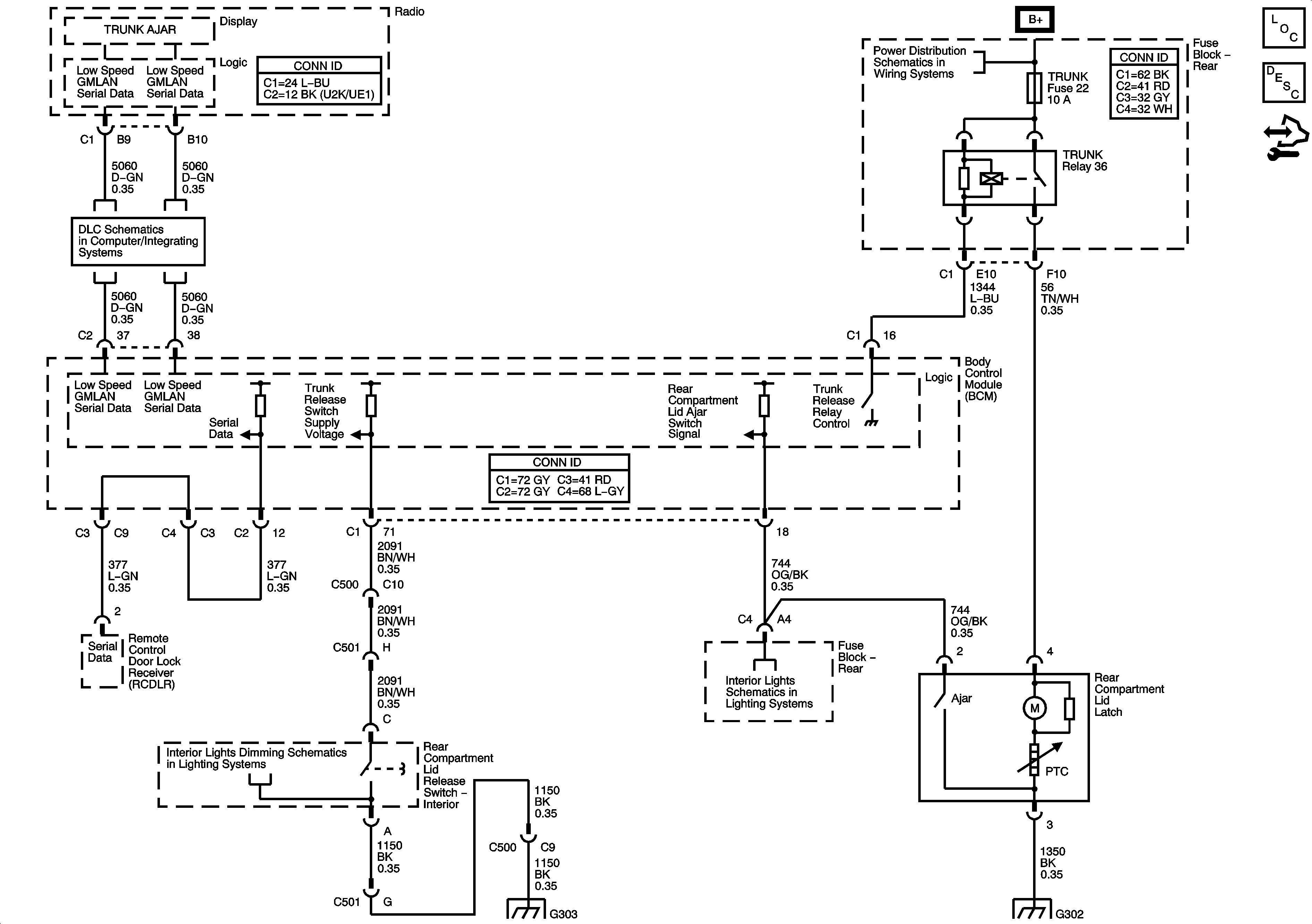
🢒 Body Rear End Schematics
Body Rear End Schematics
Master Electrical Component List
Control Module References
Underhood Fuse Block RUN RLY, RBEC 2, Rear Fuse Block DRV ST, FUEL, PARK LPS, TRUNK and EMISSION 2 Fuses
Low Speed Serial Data
Steering Wheel and Doors
Inputs
G303
G302