GM Service Manual Online
For 1990-2009 cars only

Special Tools

    • J 28467-B Universal Engine Support Fixture
    • J 36462-A Engine Support Adapter Leg Set
    • J-28467-501 Engine Support Fixture Adapters
  1. Disconnect the negative battery cable. Refer to Battery Negative Cable Disconnection and Connection .

  2. Object Number: 815195  Size: SH
  3. Remove the left engine mount strut and the bracket from the upper radiator support. Refer to Engine Mount Strut Bracket Replacement - Upper Radiator Support .
  4. Install an engine lift hook to the engine, if not previously installed.
  5. Assemble the J-28467-501  (2) to the J 28467-B cross bar (1).
  6. Install the J 28467-B  (1) and the J-28467-501  (2) to the fender rails.

  7. Object Number: 815198  Size: SH
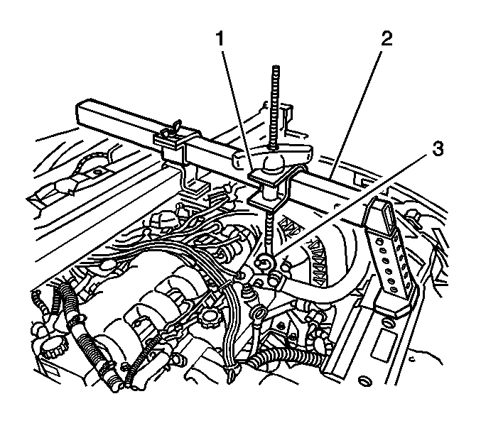
  8. Install the J 36462-A  (1) to the cross bar (2).

  9. Object Number: 1251282  Size: SH
  10. Install the support lift hook (2) to the cross bar (1).
  11. Install the support hook (1) to the right engine lift hook (3).

  12. Object Number: 815211  Size: SH
  13. Install the support hook (1) to the J 36462-A  (2).
  14. Install the support hook (1) to the left engine lift hook (3).

  15. Object Number: 815216  Size: SH
  16. Raise the engine to release the pressure off of the engine mounts.