GM Service Manual Online
For 1990-2009 cars only

Removal Procedure

  1. Siphon the power steering fluid from the reservoir.
  2. Remove the coolant recovery reservoir. Refer to Coolant Recovery Reservoir Replacement .
  3. Disconnect the electrical harness clip at the underhood junction block and at the coolant reservoir.
  4. Disconnect the engine control module (ECM) wire harness from the ECM wire harness clip on the reservoir.
  5. Disconnect the power steering hoses from the power steering reservoir.

  6. Object Number: 1386751  Size: SH
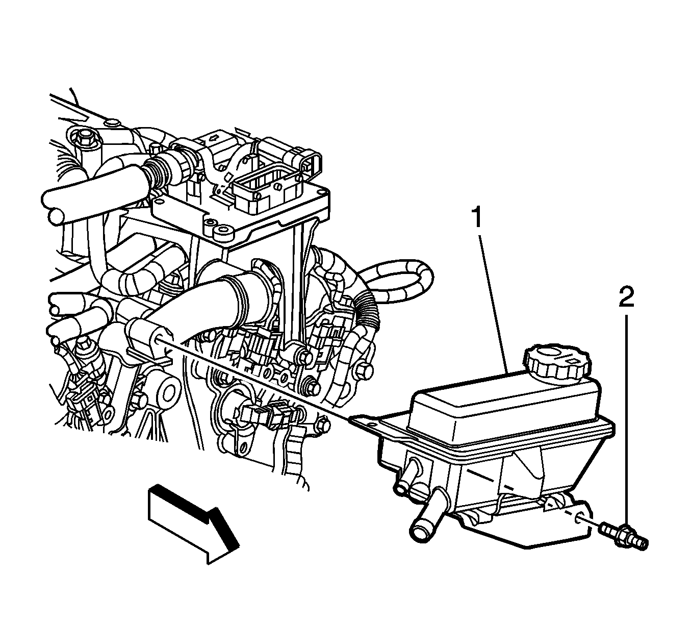
  7. Remove the power steering reservoir and bracket bolts, and remove the reservoir and bracket assembly from the vehicle.
  8. Cap off the power steering reservoir and hoses to prevent contamination.

Installation Procedure

  1. Uncap the power steering reservoir and hoses .
  2. Notice: Refer to Fastener Notice in the Preface section.


    Object Number: 1386751  Size: SH
  3. Install the power steering reservoir and bracket to the vehicle.
  4. Tighten

        • Tighten the M6 bolt to 9 N·m (7 lb ft).
        • Tighten the M8 bolt to 25 N·m (18 lb ft).

    Object Number: 1386749  Size: SH
  5. Connect the power steering reservoir hoses to the power steering reservoir.

  6. Object Number: 1386751  Size: SH
  7. Install the coolant recovery reservoir. Refer to Coolant Recovery Reservoir Replacement .
  8. Connect the ECM wire harness to the ECM wire harness clip on the reservoir.
  9. Connect the electrical harness clip at the underhood junction block and coolant reservoir.
  10. Fill the power steering reservoir with power steering fluid. Refer to Checking and Adding Power Steering Fluid .
  11. Bleed the power steering system. Refer to Power Steering System Bleeding .
  12. Inspect the system for leaks. Refer to Power Steering Fluid Leaks .