GM Service Manual Online
For 1990-2009 cars only

    Object Number: 1412139  Size: SH
  1. Remove the left torque strut bracket bolts.
  2. Remove the left torque strut bracket.

  3. Object Number: 1395926  Size: SH
  4. Remove the left exhaust manifold heat shield bolts.
  5. Remove the left exhaust manifold heat shield.

  6. Object Number: 1412140  Size: SH
  7. Remove the engine coolant temperature (ECT) sensor.

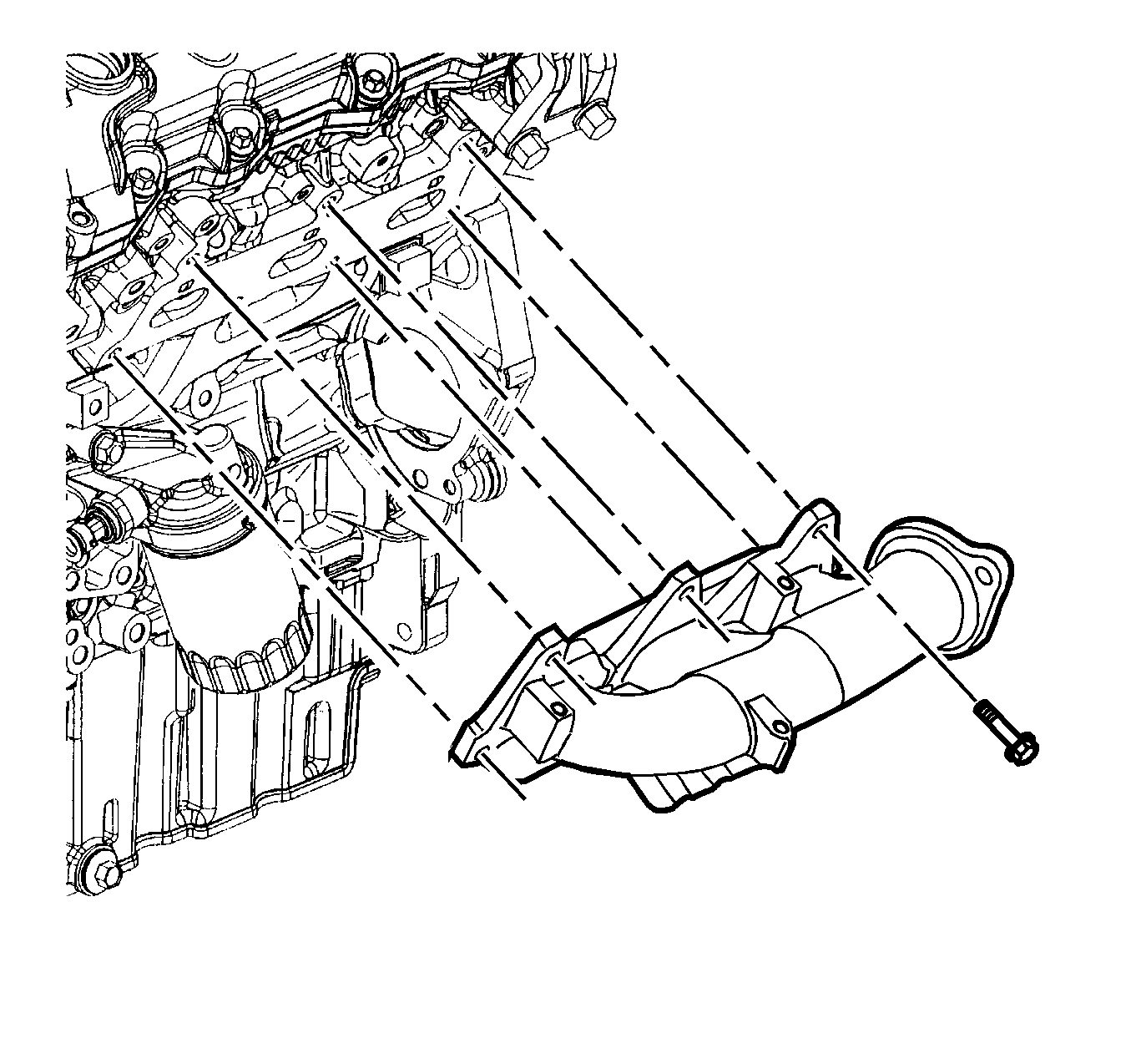
  8. Object Number: 1395931  Size: SH
  9. Remove the exhaust manifold bolts from the left cylinder head.
  10. Remove the left exhaust manifold.
  11. Remove and discard the exhaust manifold gasket.