GM Service Manual Online
For 1990-2009 cars only

Left Side Harness Connections


    Object Number: 1414387  Size: SH
  1. Install the engine wiring harness to the engine.

  2. Object Number: 1414412  Size: SH

    Notice: DO NOT use any mechanical device such as pliers or screwdrivers to disengage the connector. In order to prevent damage to the connector or harness wiring, both of the latches on the connector must be depressed with finger pressure only. When the latches are depressed the connector must then be pulled straight back without pulling on the wires in order to disengage. Failure to follow this procedure can lead to connector or wiring harness damage and failure.

  3. Connect the engine wiring harness to the throttle body connector.

  4. Object Number: 1414411  Size: SH
  5. Connect the engine wiring harness to the barometric (BARO) sensor.

  6. Object Number: 1414394  Size: SH
  7. Connect the engine wiring harness to the top of the left camshaft cover.

  8. Object Number: 1414393  Size: SH
  9. Connect the engine wiring harness to the front of the left camshaft cover.

  10. Object Number: 1414396  Size: SH
  11. Connect the engine wiring harness to the left ignition coils.

  12. Object Number: 1414395  Size: SH
  13. Connect the engine wiring harness to the fuel injector harness.

  14. Object Number: 1414401  Size: SH
  15. Connect the engine wiring harness to the starter motor solenoid.

  16. Object Number: 1412135  Size: SH
  17. Connect the engine wiring harness to the oil pressure sender.

  18. Object Number: 1414404  Size: SH
  19. Connect the engine wiring harness to the left knock sensor.

  20. Object Number: 1414392  Size: SH
  21. Connect the engine wiring harness to the A/C compressor.
  22. Connect the engine wiring harness to the generator.

  23. Object Number: 1414399  Size: SH
  24. Connect the engine wiring harness to the engine coolant temperature (ECT) sensor.
  25. Position the heat shield down in order to protect the ECT sensor and the wiring harness connector.

  26. Object Number: 1414398  Size: SH
  27. Install the engine wiring harness ground to the left cylinder head.
  28. Notice: Refer to Fastener Notice in the Preface section.

  29. Install the engine wiring harness ground bolt to the left cylinder head.
  30. Tighten
    Tighten the engine wiring harness ground bolt to 10 N·m (89 lb in).


    Object Number: 1414400  Size: SH
  31. Connect the engine wiring harness to the left camshaft position sensors.

  32. Object Number: 1414402  Size: SH
  33. Connect the engine wiring harness to the left camshaft position actuator valves.

  34. Object Number: 1414403  Size: SH
  35. Install the engine wiring harness bracket to the front lower left side of the engine.
  36. Install the engine wiring harness bracket bolts to the front lower left side of the engine.
  37. Tighten
    Tighten the engine wiring harness bracket bolt to 10 N·m (89 lb in).


    Object Number: 1414424  Size: SH
  38. Install the engine wiring harness engine control module (ECM) ground to the left cylinder head.
  39. Install the engine wiring harness ECM ground bolt to the left cylinder head.
  40. Tighten
    Tighten the engine wiring harness ECM ground bolt to 10 N·m (89 lb in).


    Object Number: 1414388  Size: SH
  41. Install the engine wiring harness bracket to the intake manifold.
  42. Install the engine wiring harness bracket bolts to the intake manifold.
  43. Tighten
    Tighten the engine wiring harness bracket bolt to 10 N·m (89 lb in).


    Object Number: 1414382  Size: SH
  44. Install the radiator inlet hose support.
  45. Install the radiator inlet hose support bolt.
  46. Tighten
    Tighten the radiator inlet hose support bolt to 50 N·m (37 lb ft).


    Object Number: 1414385  Size: SH
  47. Install the ECM bracket.
  48. Install the ECM bracket bolts.
  49. Tighten
    Tighten the ECM bracket bolt to 10 N·m (89 lb in).


    Object Number: 1414386  Size: SH
  50. Install the ECM module to the ECM bracket.
  51. Install the ECM module nuts.
  52. Tighten
    Tighten the ECM module nut to 10 N·m (89 lb in).


    Object Number: 1414397  Size: SH
  53. Install the ECM ground harness terminal to the ECM lug.
  54. Install the ECM ground harness terminal screw to the ECM lug.
  55. Tighten
    Tighten the ECM ground harness terminal screw to 4.5 N·m (40 lb in).


    Object Number: 1414390  Size: SH
  56. Connect the engine wiring harness to the ECM module.

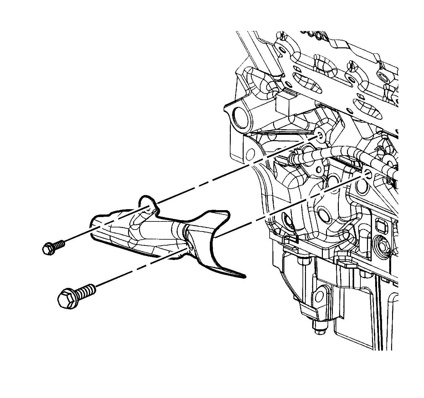
  57. Object Number: 1414384  Size: SH
  58. Install the right torque strut bracket.
  59. Install the one long outboard right torque strut bracket bolt.
  60. Install the two short outboard right torque strut bracket bolts.
  61. Tighten
    Tighten the right torque strut bracket bolt to 50 N·m (37 lb ft).

Right Side Harness Connections


    Object Number: 1414408  Size: SH
  1. Connect the engine wiring harness to the top of the right camshaft cover.

  2. Object Number: 1414391  Size: SH
  3. Connect the engine wiring harness to the front of the right camshaft cover.

  4. Object Number: 1414410  Size: SH
  5. Connect the engine wiring harness to the right ignition coils.

  6. Object Number: 1414409  Size: SH
  7. Connect the engine wiring harness to the evaporative (EVAP) solenoid.

  8. Object Number: 1414405  Size: SH
  9. Connect the engine wiring harness to the right camshaft position sensors.

  10. Object Number: 1414406  Size: SH
  11. Connect the engine wiring harness to the right camshaft position actuator valves.

  12. Object Number: 1414416  Size: SH
  13. Install the engine wiring harness bracket to the lower right side of the engine.
  14. Install the engine wiring harness bracket bolt to the lower right side of the engine.
  15. Tighten
    Tighten the engine wiring harness bracket bolt to 10 N·m (89 lb in).


    Object Number: 1414418  Size: SH
  16. Connect the engine wiring harness to the right knock sensor.

  17. Object Number: 1414421  Size: SH
  18. Connect the engine wiring harness to the crankshaft position sensor.

  19. Object Number: 1414383  Size: SH
  20. Install the right exhaust manifold lower heat shield.
  21. Install the right exhaust manifold lower heat shield bolts.
  22. Tighten

        • Tighten the larger M10 right exhaust manifold lower heat shield bolt to 50 N·m (37 lb ft).
        • Tighten the smaller M6 right exhaust manifold lower heat shield bolt to 10 N·m (89 lb in).

    Object Number: 1414407  Size: SH
  23. Install the engine wiring harness ground to the side of the right cylinder head at the front.
  24. Install the engine wiring harness ground bolt to the side of the right cylinder head at the front.
  25. Tighten
    Tighten the engine wiring harness ground bolt to 10 N·m (89 lb in).


    Object Number: 1414415  Size: SH
  26. Install the engine wiring harness ground to the side of the right cylinder head at the rear.
  27. Install the engine wiring harness ground bolt to the side of the right cylinder head at the rear.
  28. Tighten
    Tighten the engine wiring harness ground bolt to 10 N·m (89 lb in).