GM Service Manual Online
For 1990-2009 cars only

Removal Procedure

  1. Turn the ignition OFF.
  2. Remove the air inlet duct. Refer to Air Cleaner Inlet Duct Replacement .
  3. Relieve the fuel system pressure. Refer to Fuel Pressure Relief .
  4. Remove the fuel pressure and evaporative emission (EVAP) hoses from the engine. Refer to Metal Collar Quick Connect Fitting Service and Plastic Collar Quick Connect Fitting Service .

  5. Object Number: 1401471  Size: SH
  6. Remove the purge line from the purge line retainer.

  7. Object Number: 1401470  Size: SH
  8. Remove the fuel feed hose bracket bolt and reposition the fuel feed hose.
  9. Important: 

       • Do not disconnect the engine control module (ECM) electrical connectors.
       • Do not remove the ECM from the ECM bracket.

  10. Remove the ECM bracket with the ECM and reposition aside. Refer to Engine Control Module Replacement .

  11. Object Number: 1394073  Size: SH
  12. Disconnect the purge solenoid electrical connector.

  13. Object Number: 1394052  Size: SH
  14. Remove the wiring harness from the right side of the intake manifold.

  15. Object Number: 1394055  Size: SH
  16. Disconnect the fuel injector electrical connector.
  17. Remove the fuel injector electrical connector from the fuel injector electrical connector bracket.

  18. Object Number: 1394050  Size: SH
  19. Remove the throttle body electrical connector.
  20. Remove the brake booster vacuum hose and check valve from the brake booster.
  21. Remove the electrical connector for the baro sensor.

  22. Object Number: 1394081  Size: SH
  23. Remove the positive crankcase ventilation (PCV) hose from the intake manifold.

  24. Object Number: 1401463  Size: SH
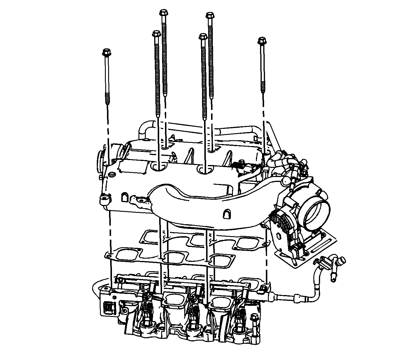
  25. Remove the intake manifold bolts (1-6).

  26. Object Number: 1401466  Size: SH
  27. Remove the upper intake manifold.
  28. Remove and discard the upper intake manifold gasket.
  29. Disassemble the intake manifold if necessary. Refer to Intake Manifold Disassemble .
  30. Clean and inspect the intake manifold and the sealing surfaces. Refer to Intake Manifold Cleaning and Inspection .

Installation Procedure

  1. Assemble the intake manifold if necessary. Refer to Intake Manifold Assemble .

  2. Object Number: 1401466  Size: SH
  3. Install the intake manifold.
  4. Notice: Refer to Fastener Notice in the Preface section.


    Object Number: 1401463  Size: SH
  5. Install the intake manifold bolts (1-6).
  6. Tighten
    Tighten the intake manifold bolts in the order shown to 23 N·m (17 lb ft).


    Object Number: 1394081  Size: SH
  7. Install the PCV hose to the intake manifold.
  8. Install the brake booster vacuum hose and check valve to the brake booster.

  9. Object Number: 1394050  Size: SH
  10. Install the throttle body electrical connector.
  11. Reconnect the electrical connector for the baro sensor.
  12. Install the fuel injector electrical connector to the fuel injector electrical connector bracket.

  13. Object Number: 1394055  Size: SH
  14. Connect the fuel injector electrical connector.

  15. Object Number: 1394052  Size: SH
  16. Install the wiring harness and bracket to the right side of the intake manifold.
  17. Tighten
    Tighten the wiring harness bracket bolts to 10 N·m (89 lb in).


    Object Number: 1394073  Size: SH
  18. Connect the purge solenoid electrical connector.
  19. Install the ECM bracket with the ECM. Refer to Engine Control Module Replacement .

  20. Object Number: 1401470  Size: SH
  21. Install the fuel feed hose bracket and the fuel feed hose bracket bolt.
  22. Tighten
    Tighten the fuel feed hose bracket bolt to 10 N·m (89 lb in).


    Object Number: 1401471  Size: SH
  23. Install the purge line to the purge line retainer.
  24. Install the fuel pressure and EVAP hoses to the engine. Refer to Metal Collar Quick Connect Fitting Service and Plastic Collar Quick Connect Fitting Service .
  25. Install the air inlet duct. Refer to Air Cleaner Inlet Duct Replacement .