GM Service Manual Online
For 1990-2009 cars only

    Object Number: 35844  Size: SH
  1. Remove the crankshaft position sensor shield.

  2. Object Number: 36589  Size: SH
  3. Remove the crankshaft position sensor studs.
  4. Remove the crankshaft position sensor.

  5. Object Number: 35803  Size: SH
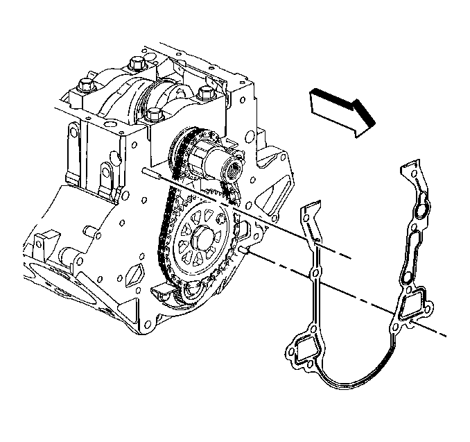
  6. Remove the engine front cover bolts and stud.
  7. Remove the engine front cover.

  8. Object Number: 35801  Size: SH
  9. Remove the engine front cover gasket.